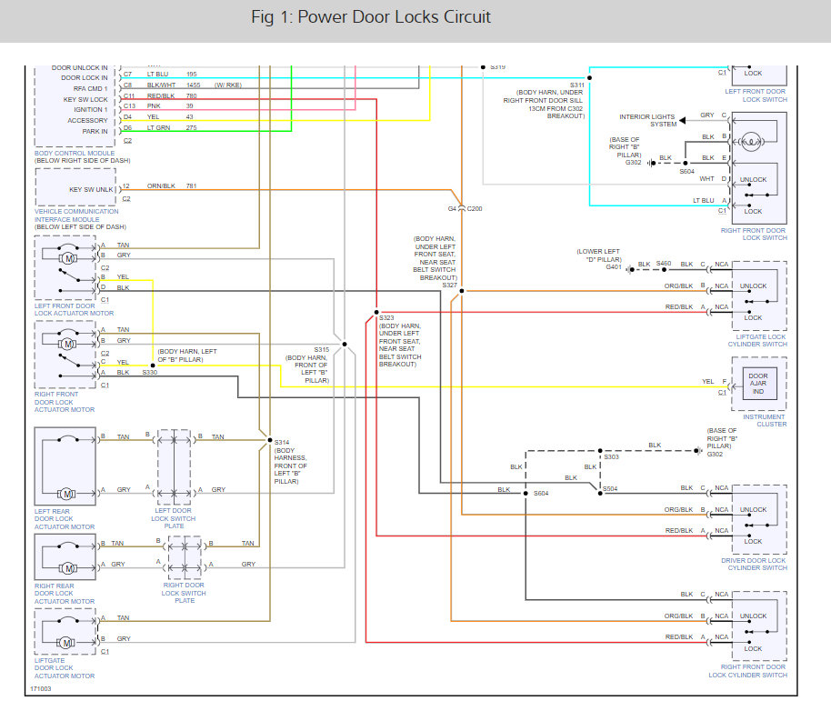
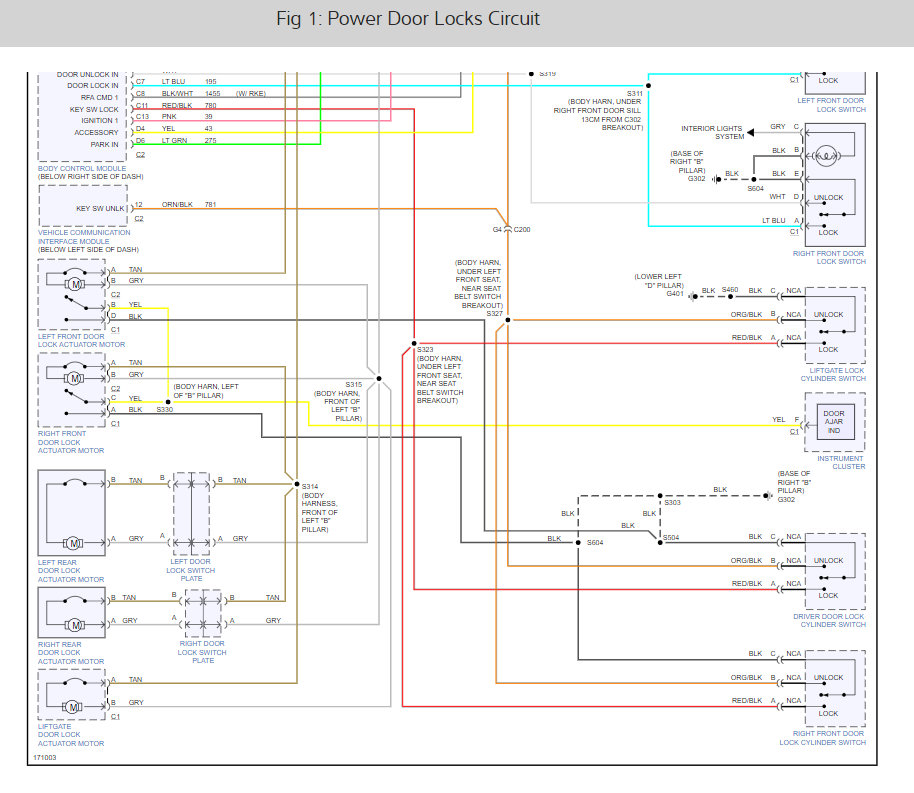
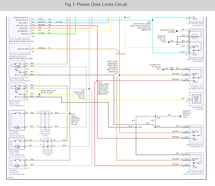
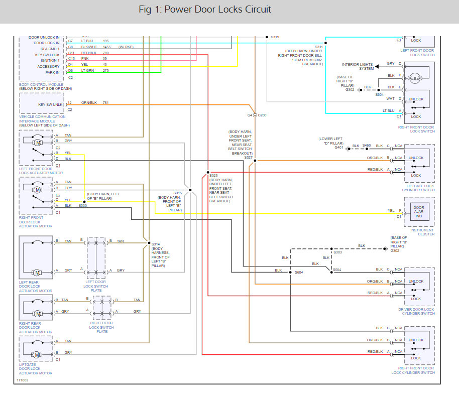
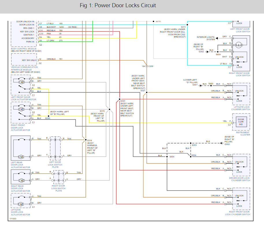
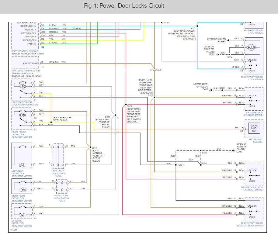
I looked up some information on how to fix this and in trying to figure it out, I happened upon finding that my power lock button in the vehicle doesn't work. I've had the vehicle for about 8 months and just never noticed. But, thinking the two issues may be related, I started investigating and researching. I've pulled up the passenger side foot plate section and found the blue and white splices for the locks. Everything looked good, but I re-soldered both just in case. I tested with a meter and both are receiving 12V. The wires drop voltage when unlock is pressed, but nothing when the lock button is pressed.
I also looked at the BCM. I tested the nodes from the BCM and both are putting out 12V. I even ran a little test by running a wire from the white wire in the carriage to the blue wires at the splice and when I pressed the lock button, it unlocked the doors. I thought at the very least, this proves that the actual lock button itself functions? Otherwise, I am at a loss at this point.
Saturday, May 30th, 2020 AT 8:22 PM






