Power door locks not working?

Tiny
THOREJ1
  • MEMBER
  • 2011 TOYOTA CAMRY
  • V6
  • 2WD
  • AUTOMATIC
  • 90,000 MILES
The power door locks do not work. It has been an intermittent problem. When they do not work all avenues to lock the doors fail. This includes all the door switches, the Fob, and when the car is put in gear. After locking the doors manually, the power unlock works normally.
Friday, October 28th, 2022 AT 12:52 PM

3 Replies

Tiny
KEN L
  • MASTER CERTIFIED MECHANIC
  • 55,322 POSTS
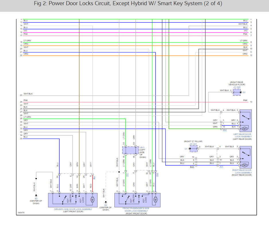
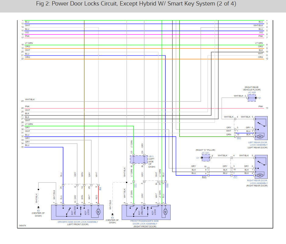
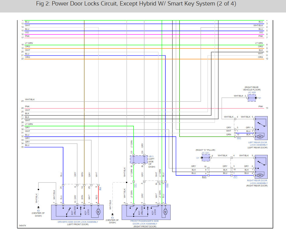
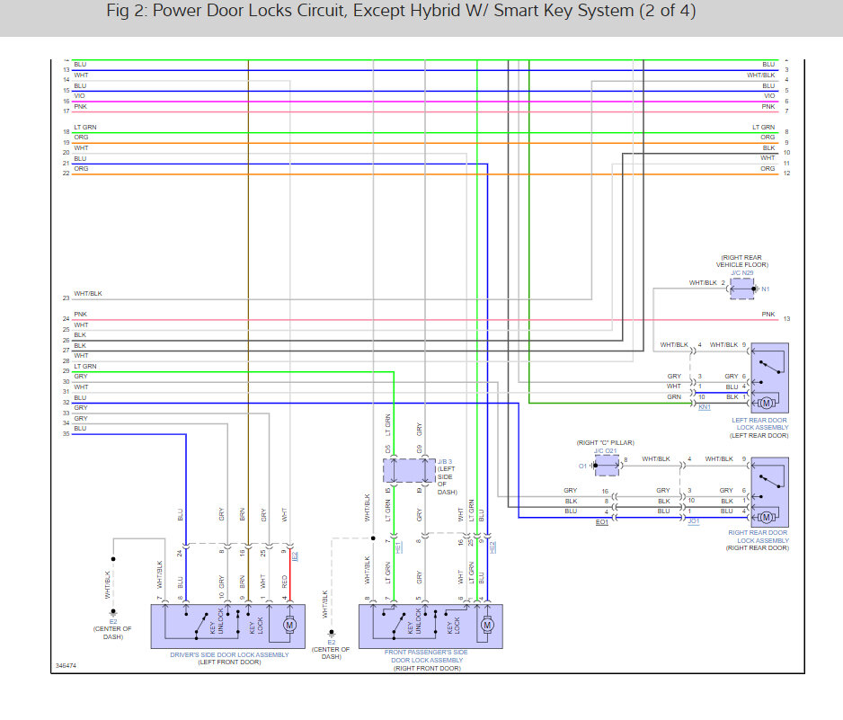
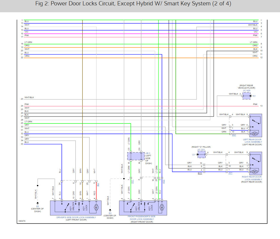
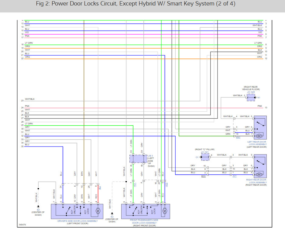
This happens when the certification module is going out. Here are the door lock and remote wiring diagrams so you can see how the system works and how to change out the module in the images below. I would try to unplug the module and look for corrosion on the connectors, disconnect the battery first. To confirm the failure, you can perform the CAN scan which is easy to do. you can get a CAN scanner (Controller Area Network) from Amazon for about $36.00.

Here is a video to show you how:

https://youtu.be/u-4syLc-ifQ

and

https://www.2carpros.com/articles/can-scan-controller-area-network-easy

Amazon CAN scanner link for about $35.00.

https://amzn.to/3R9lJ60

Check out the images (below). Let us know what happens and please upload pictures or videos of the problem.

Was this
answer
helpful?
Yes
No
Saturday, October 29th, 2022 AT 12:09 PM
Tiny
THOREJ1
  • MEMBER
  • 2 POSTS
After reviewing the response, I tried to find instructions on how to disassemble the dash and it was unsuccessful. Then I decided to take the vehicle in to the dealer and have them diagnose and repair the problem. It was diagnosed as an internal failure of the body control module. Replacing that fixed the problem.
Was this
answer
helpful?
Yes
No
Sunday, November 20th, 2022 AT 1:50 PM
Tiny
KEN L
  • MASTER CERTIFIED MECHANIC
  • 55,322 POSTS
Thanks for getting back to us with the resolution. Glad you could get it fixed, that kind of problem can be tough. Please use 2CarPros anytime we are here to help.
Was this
answer
helpful?
Yes
No
Monday, November 21st, 2022 AT 10:16 AM

Please login or register to post a reply.