Power but will not start

Tiny
HENRY,JR. JOHN
  • MEMBER
  • 2000 FORD F-350
  • 7.3L
  • V8
  • 4WD
  • AUTOMATIC
  • 230,000 MILES
I drove my truck parked it. Went to start it and it won't. It has power but wont engage the starter.
Saturday, February 15th, 2020 AT 8:53 AM

6 Replies

Tiny
KASEKENNY
  • MECHANIC
  • 18,907 POSTS
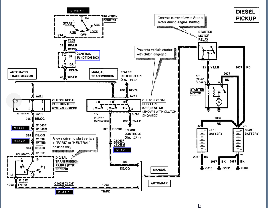
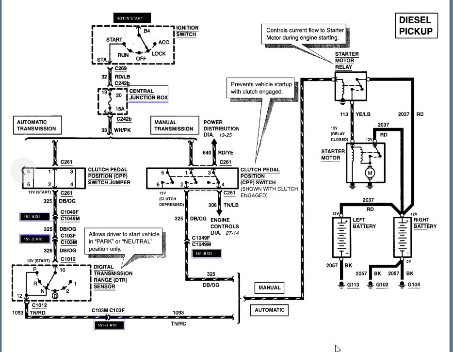
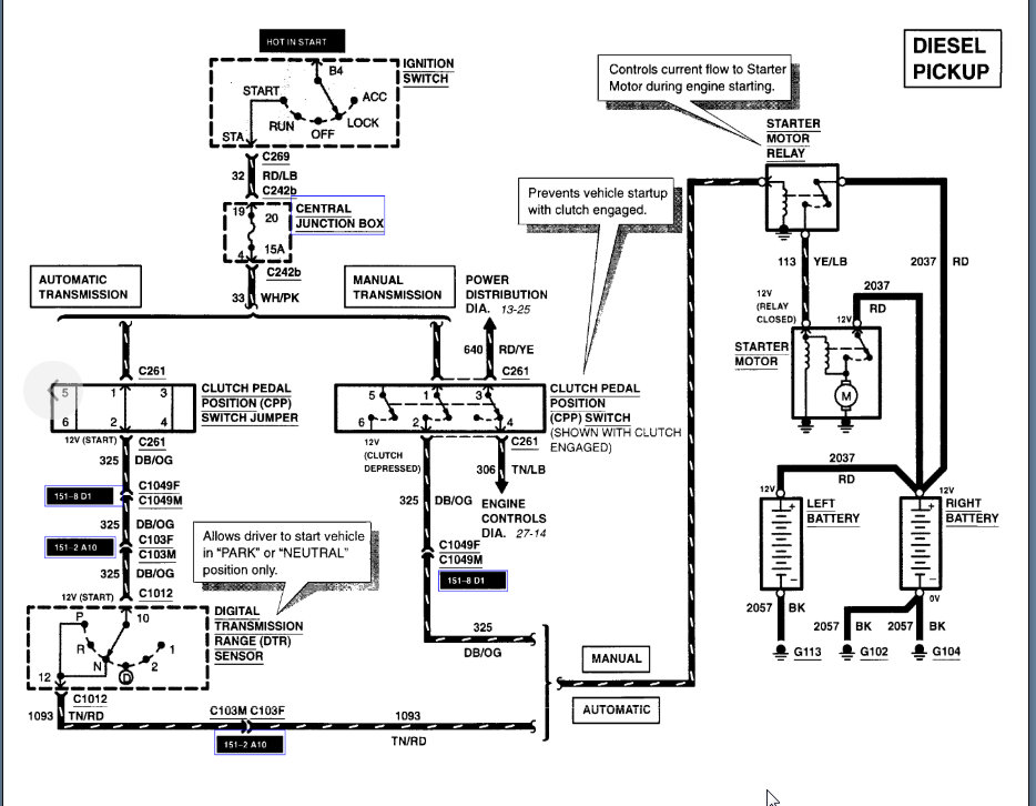
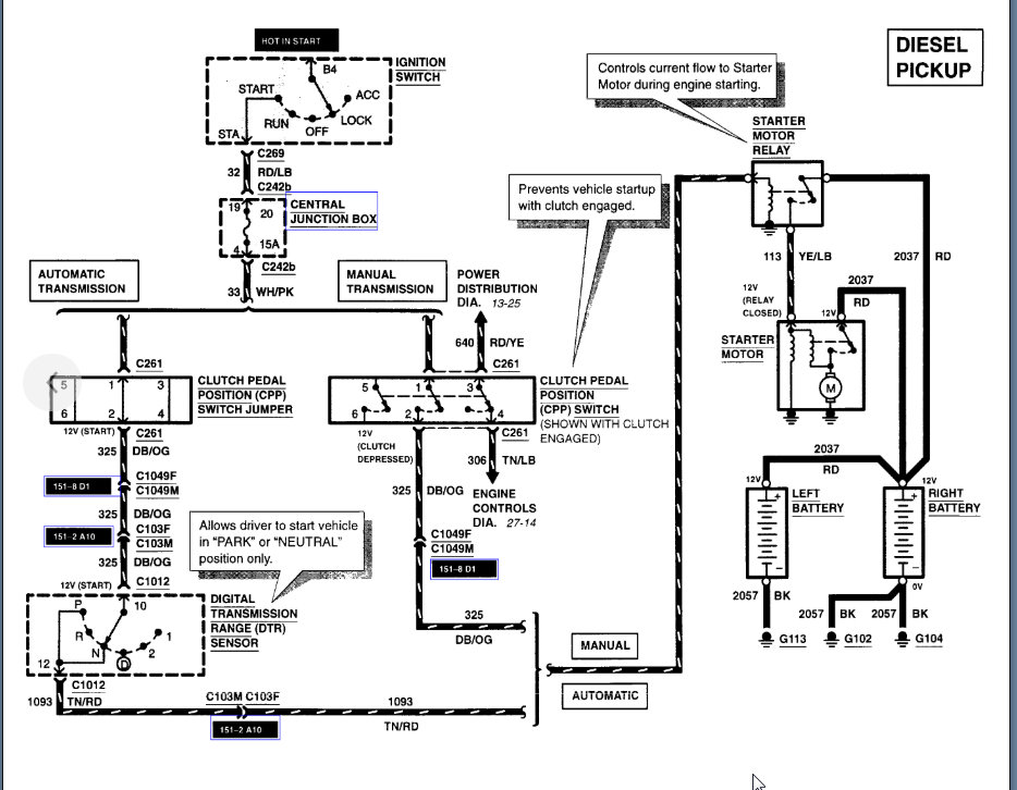
So when you turn the key on you have all the accessories come on but the starter doesn't turn?

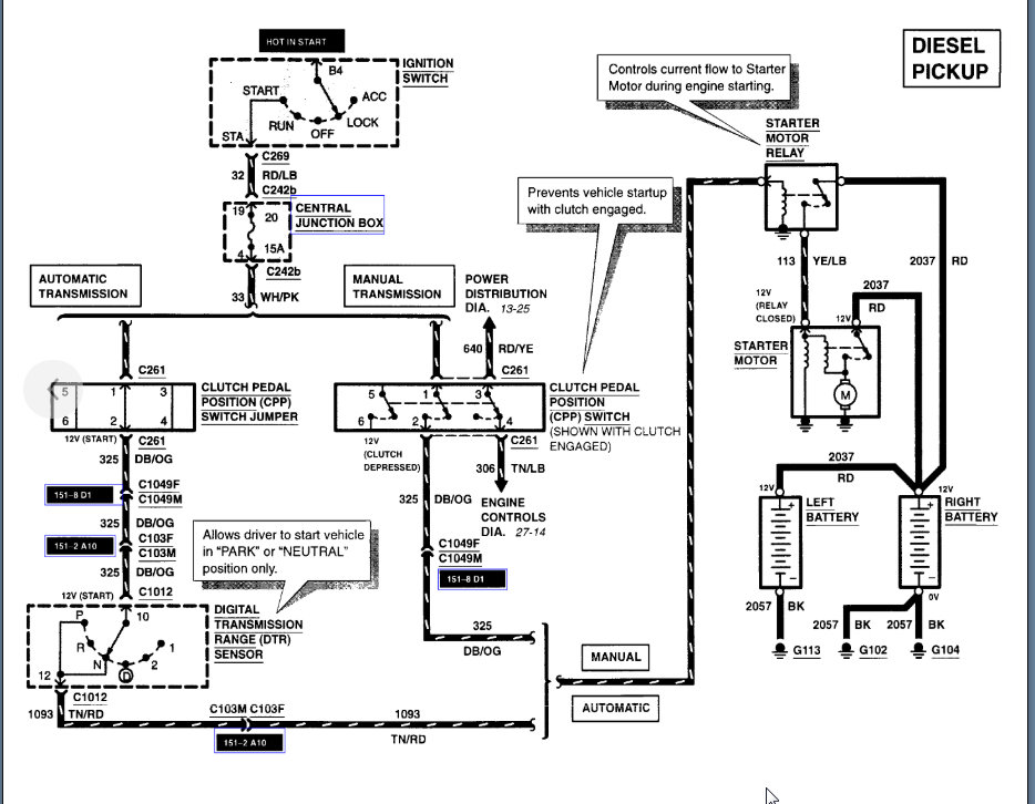
If this is the case, does the red theft light staying on? If not, then we need to go to the starter and see if we are getting power. If there is no theft light and you have power at the starter on the control wire from the relay.

If the theft light is not staying on and you have no power at the starter then we more than likely have an issue with the transmission range sensor or wiring. It is unlikely to be the ignition switch since the other positions are working but we may have to explore this if all else checks out.

If the theft light is on then we need to go down that road. Let me know which path we need based on the light and if you have voltage at the starter while cranking.
Was this
answer
helpful?
Yes
No
Saturday, February 15th, 2020 AT 10:10 AM
Tiny
ASEMASTER6371
  • MECHANIC
  • 52,796 POSTS
Good afternoon,

Just to add to the other post, reach under the truck and tap on the starter and see if it will start. A lot of times the starter gets a dead spot in it and tapping the starter will shock it into working.

Roy
Was this
answer
helpful?
Yes
No
Saturday, February 15th, 2020 AT 10:20 AM
Tiny
HENRY,JR. JOHN
  • MEMBER
  • 5 POSTS
Okay, thank you.
Was this
answer
helpful?
Yes
No
Sunday, February 16th, 2020 AT 2:17 PM
Tiny
ASEMASTER6371
  • MECHANIC
  • 52,796 POSTS
You are welcome.

Roy
Was this
answer
helpful?
Yes
No
Sunday, February 16th, 2020 AT 2:21 PM
Tiny
HENRY,JR. JOHN
  • MEMBER
  • 5 POSTS
The wires on the starter solenoid were loose along with a few busted fuses. Thank you for the help. My truck is old and the guy I bought it off didn't take care of it. Or do any preventive maintenance on it so I'm trying to do a lot of it myself. This site is a life saver. This is my only vehicle. Thank you so much.
Was this
answer
helpful?
Yes
No
Sunday, February 16th, 2020 AT 2:24 PM
Tiny
ASEMASTER6371
  • MECHANIC
  • 52,796 POSTS
You are welcome again.

Roy
Was this
answer
helpful?
Yes
No
Sunday, February 16th, 2020 AT 2:33 PM

Please login or register to post a reply.