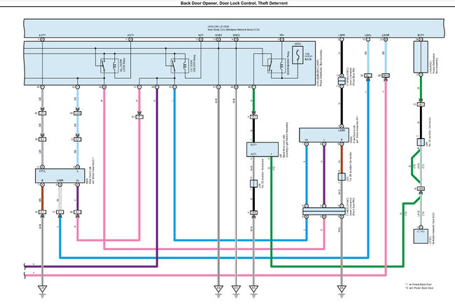
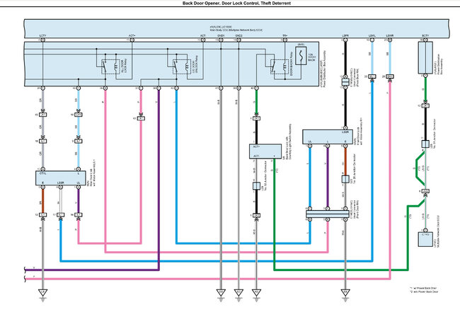
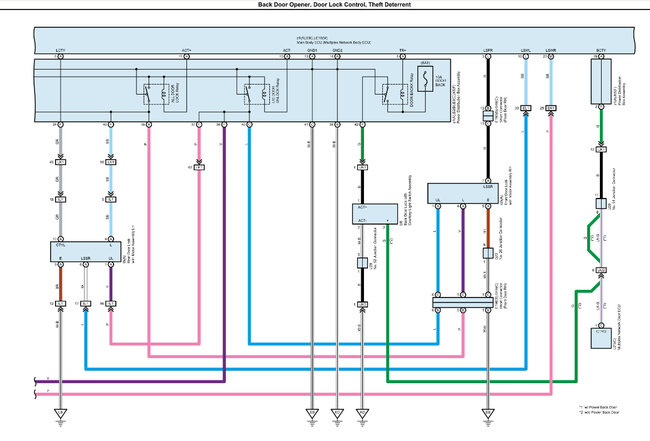
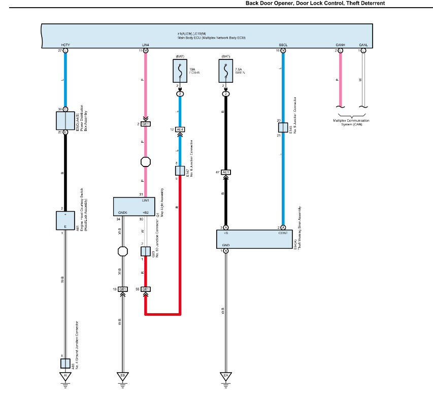
DTC- U015587
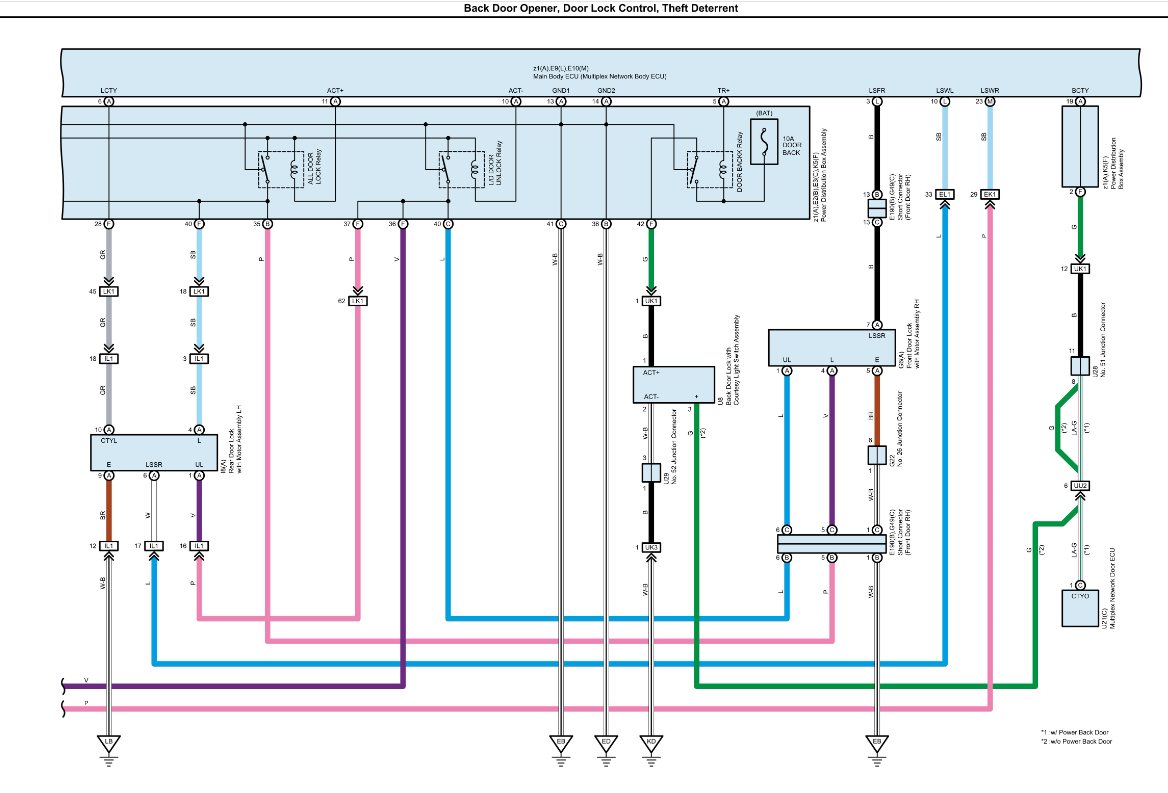
power back door is not open by pressing the switch on the liftgate. PBD switch (left of dashboard) and remote key switch are able to open the liftgate. This is an armored vehicle and additional fittings like sirens and lights are installed. Pls let me know your suggestions. Pls let me know the wiring diagram and location of the control unit, fuses and relay.
Thank you.
Wednesday, October 9th, 2024 AT 2:07 AM





