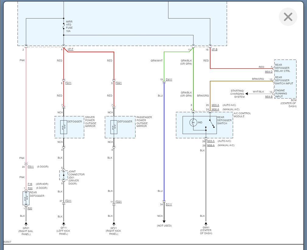
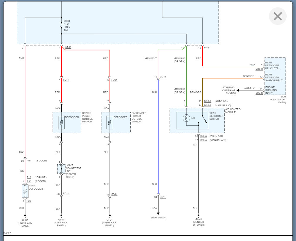
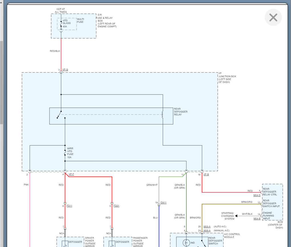
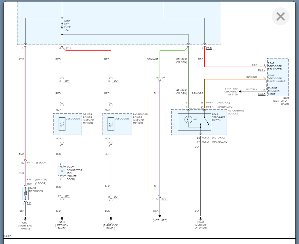
When I turn my side lights on, I lose use of the rear window heater and A/C button and the radio display is dimmer than it should be.
I have been using a test light between the negative battery terminal and the battery lead (disconnected) and it lights up. I've been pulling fuses one by one, and the light goes out when I pull the audio fuse. Also, if I pull the room fuse the test light is dim and flickers - room and audio fuses come out together in a cradle so I've been testing by putting fuses back in individually.
Not sure where the best place to check next is. Would appreciate suggestions.
Thanks, Jason
Wednesday, February 9th, 2022 AT 8:11 AM




