Possible fuse issue

Tiny
CCHARLIES1
  • MEMBER
  • 2002 DODGE STRATUS
  • AUTOMATIC
  • 46,000 MILES
I just bought this car and the interior lights, auto door locks and radio do not work. I was told they had the fuses checked. If it is not a fuse issue any idea what it could be? The car battery was dead prior to me buying it. They jumped it to start it. If it is a fuse issue, which fuse? I did pull the small individual fuses and they were fine.

Chastity
Monday, October 15th, 2018 AT 9:43 PM

1 Reply

Tiny
ASEMASTER6371
  • MECHANIC
  • 52,796 POSTS
Good morning.

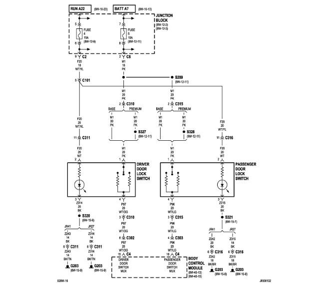
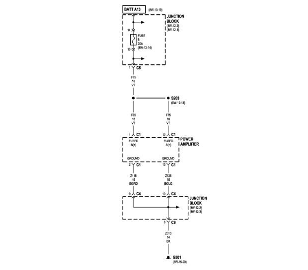
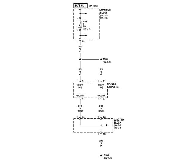
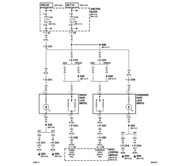
You need to check for power on both sides of the fuse with a test light to verify power to the fuses.

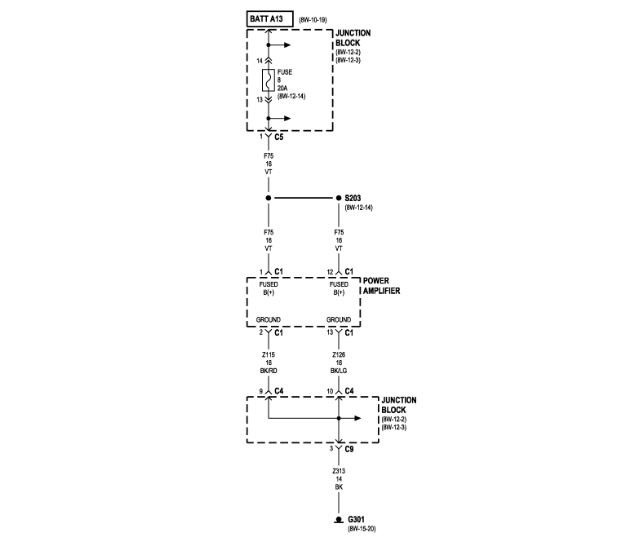
I will attach wiring diagrams of the system for you to check for power to both the radio and the door locks.

Roy

https://www.2carpros.com/articles/how-a-car-fuse-works
Was this
answer
helpful?
Yes
No
Tuesday, October 16th, 2018 AT 2:54 AM

Please login or register to post a reply.