Thursday, July 21st, 2022 AT 8:09 PM
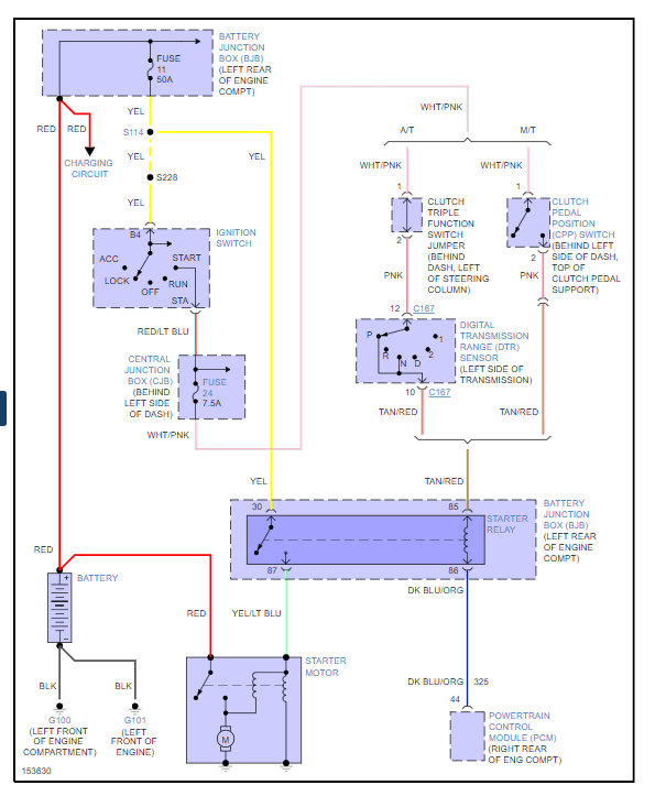
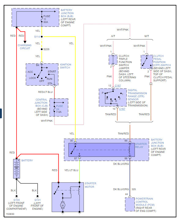
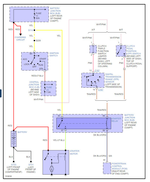
Truck has an intermittent starting problem. It will start fine for a month or so then it will just click, I have replaced the starter, etc. Had battery tested it was within normal limits. I was told it is a bad ground by somebody who knows his ford's. So, I was looking around trying to see if I could find it. What could it be the problem?






