Where is the crankshaft position sensor located?

Tiny
DAVID TOBY WILKERSON
  • MEMBER
  • 2007 CADILLAC SRX
  • 3.6L
  • V6
  • 2WD
  • AUTOMATIC
  • 97,000 MILES
I'm trying to locate the location for a crankshaft position sensor on the car listed above.
Sunday, December 22nd, 2024 AT 2:01 PM

1 Reply

Tiny
STEVE W.
  • MECHANIC
  • 15,694 POSTS
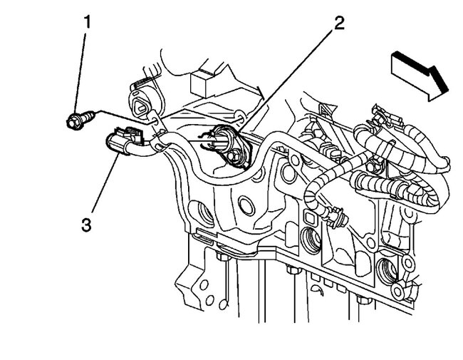
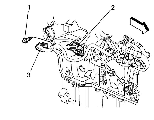
It is in the side of the block in line with the crankshaft about 2 inches from the bellhousing. They are held in with a single bolt, but 99% of the time the O-ring that seals them also traps rust between it and the exterior and then they don't come out easily. I suggest removing the bolt, then spray PBlaster right at the seam between the sensor and block. Then slip a screwdriver in between the tab and the block, don't pry up as that will snap the sensor, just spray into the gap. Now try to rotate the sensor while gently pulling it out. Spray again, as that can help flush out any crud. Once out, plug the hole and clean around it and use a rag to clean inside the hole. Now apply some silicone grease around the new sensor and install it. Then use the scan tool to do a relearn with the new sensor. The bolt gets tightened to 7 lb ft or just hand tight.
Was this
answer
helpful?
Yes
No
Sunday, December 22nd, 2024 AT 3:57 PM

Please login or register to post a reply.