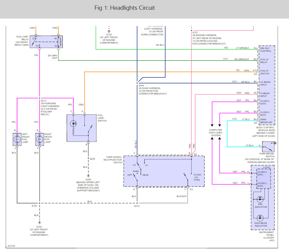
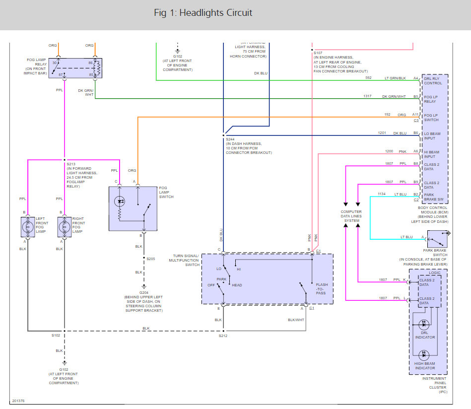
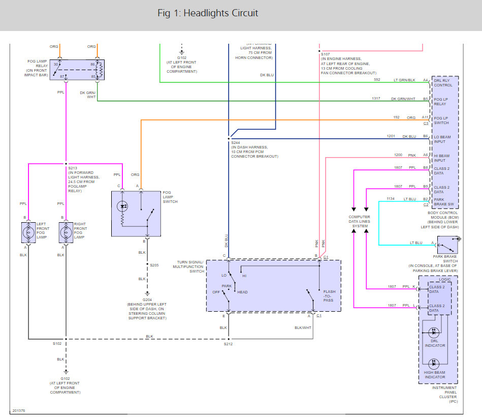
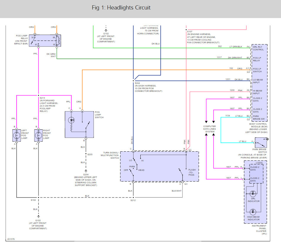
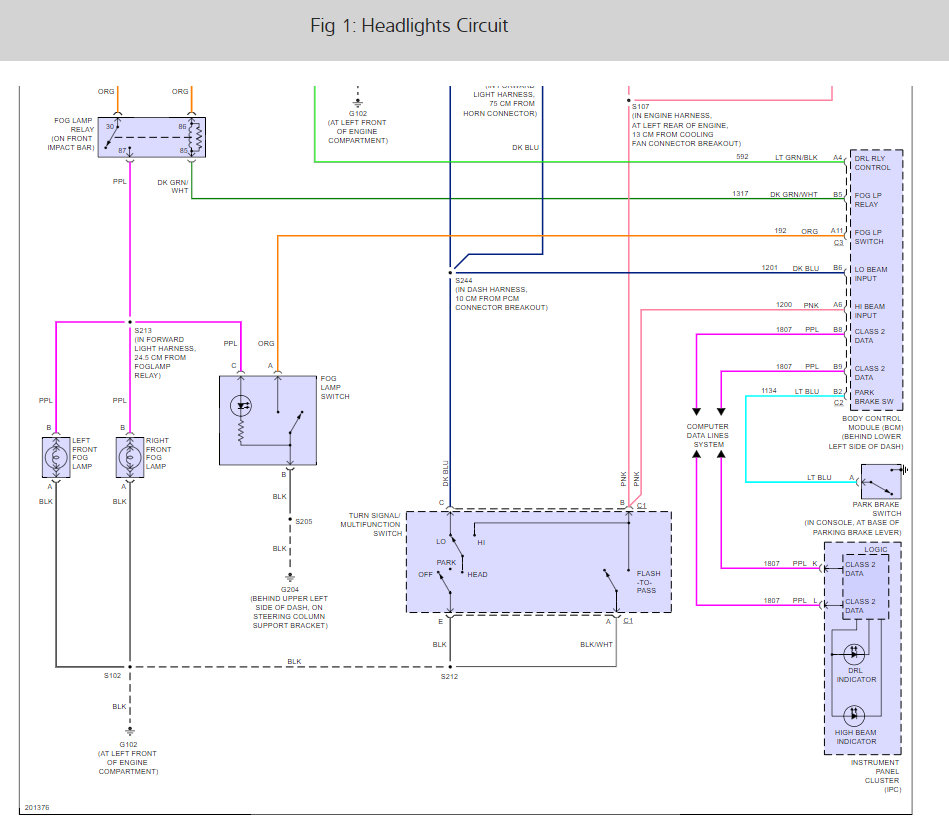
The fog lamps on my 2005 Sunfire suddenly stopped working. I have checked both bulbs and they are fine. I have tested the switch, and checked the fuse, both are working. The problem is that when I go to turn on the fog lights, the indicator light on the switch does not turn on, nor do the fog lamps. I know power is getting to the switch, (checked it with a volt meter), is there another relay or fuse that may be the problem? If so where would it be located at?
Thank you for any help.
Monday, November 9th, 2009 AT 2:14 PM




