Power side door not working

Tiny
JGLADIEUX
  • MEMBER
  • 2003 PONTIAC MONTANA
Hey all,

I have a 2003 Pontiac Montana which I bought used 3 months, my power side door decided to stop working all together last saturday but previous to that it would work when you activated the door handle but not with the buttons on the inside or on the key other than to close the door. Other than the obvious fuse in the fuse box in side by the passenger door, what else can I check for before having to take it to a dealer and get screwed.

Jay
Saturday, September 2nd, 2006 AT 4:08 PM

2 Replies

Tiny
KB42
  • MEMBER
  • 13 POSTS
On my 97 Transport, it was 1 of 3 things that I fixed all to make it work.

1 was the contact block, with the problem in the door, pins inside the door corrosion ate away where the wires contact the sliding pins. I fixed it, but typically it may have to be replaced if bad.
2 which sounds mainly your problem, is the actuator that opens the latch, snapped the plastic arm causing it to work as your saying, only when you manually open the door. I got a factory replacement from Ebay and cured that problem.
3 On mine the contact safety switch which is part of the rear latch of the door, had literally lost the contacts, requiring replacement. This switch tells the sliding door computer, that the door is in fact fully closed or open.

You can tell if the actuator is bad when you press either the console switch, pillar switch or the remote FOB switch, you hear a noise similar to unlocking the door, but then it fails and does not cause the outside handle to move at all. You can more easily tell once you get the door trim removed, and are able to visually inspect it. Removing the door trim is however not an easy task, so you likely will want a mechanic to fix it. If you order the actuator from Ebay, you will find it comes with a set of replacement plastic clips/pins as they will break off sometimes when you remove the panel.
Was this
answer
helpful?
Yes
No
Monday, September 17th, 2007 AT 12:42 AM
Tiny
KEN L
  • MASTER CERTIFIED MECHANIC
  • 55,315 POSTS
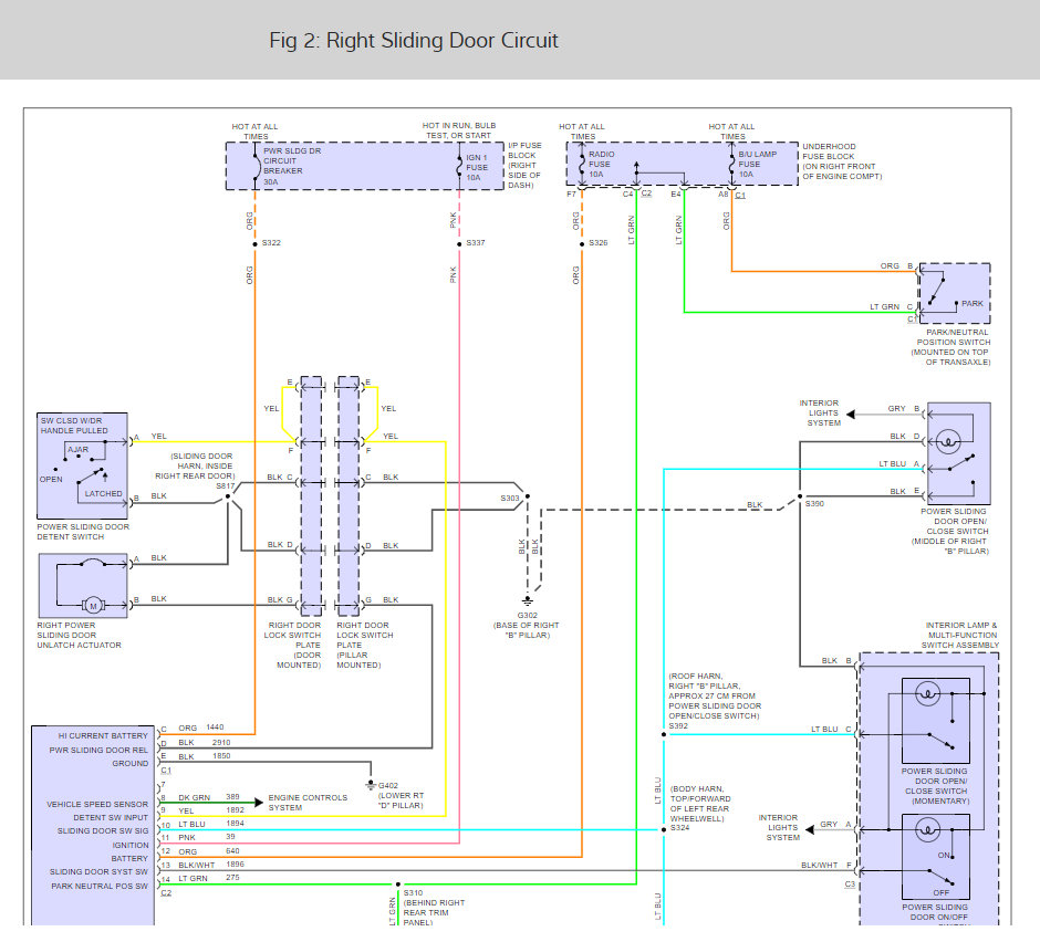
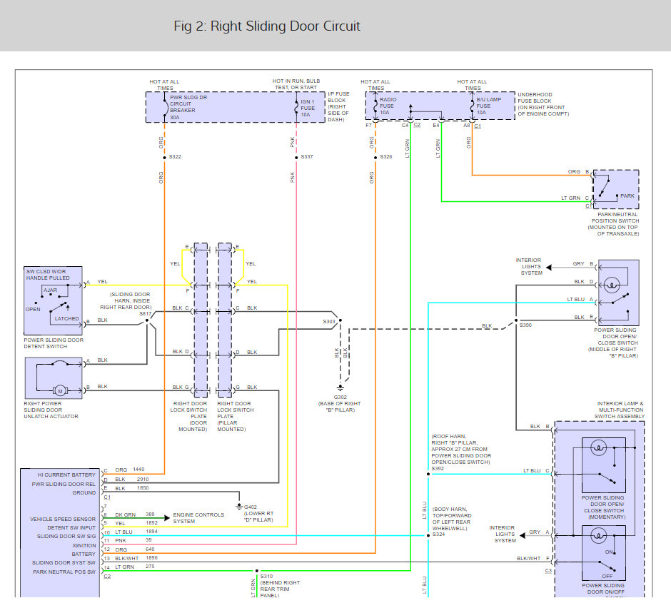
It sounds like it could be the motor that has gone out. Here is a wiring diagram for the sliding door and a guide to help you do a simple test to see if the motor is getting power which will confirm the failure.

There is a circuit breaker and 3 fuses that run the system.

https://www.2carpros.com/articles/how-to-check-a-car-fuse

and

https://www.2carpros.com/articles/how-to-use-a-test-light-circuit-tester

See where you lose power or confirm the motor failure.

Please run some tests and get back to us.

Cheers, Ken
Was this
answer
helpful?
Yes
No
+4
Friday, November 24th, 2017 AT 7:14 PM

Please login or register to post a reply.