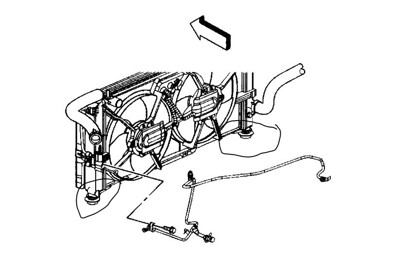
Lower radiator mounts replacement

Tiny
XJSHEN
  • MEMBER
  • 2003 PONTIAC MONTANA
  • 82,800 MILES
I need to replace two lower radiator mounts. Is it possible to replace the two lower mounts without disconnect A/C lines on the condenser or coolant lines by myself? Thanks for your instruction and help!

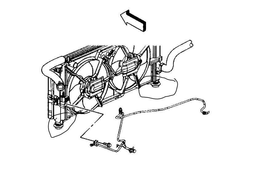
Genuine W0133-1820842 or Lower Mount - GM (10341994)
Thursday, September 5th, 2019 AT 4:38 PM

5 Replies

Tiny
ASEMASTER6371
  • MECHANIC
  • 52,796 POSTS
Good evening.

No, you do not.

You need to release the radiator and lift it up enough to remove the mounts. I would do one at a time. Lift up one side at a time and replace them.

Roy
Was this
answer
helpful?
Yes
No
+2
Thursday, September 5th, 2019 AT 5:32 PM
Tiny
XJSHEN
  • MEMBER
  • 246 POSTS
Thanks a lot for your instruction and kind help!
More in detail, if l without disconnecting A/C line on the condenser and transmission fluid line on the radiator, just release radiator fixing nuts can lift one side and replace mount? Or l have to follow radiator replacement whole procedure to replace it?
Was this
answer
helpful?
Yes
No
Thursday, September 5th, 2019 AT 8:58 PM
Tiny
ASEMASTER6371
  • MECHANIC
  • 52,796 POSTS
I leave them all connected. You should be able to lift it enough to free the mounts.

Roy
Was this
answer
helpful?
Yes
No
+1
Friday, September 6th, 2019 AT 4:15 AM
Tiny
XJSHEN
  • MEMBER
  • 246 POSTS
Hi Roy!
Your instruction is really good. One more thing is not clear for the best way to safely list the radiator? How did you lift your radiator? From bottom or pull up after releasing coolant?
Thanks!
Was this
answer
helpful?
Yes
No
Monday, September 9th, 2019 AT 12:50 AM
Tiny
ASEMASTER6371
  • MECHANIC
  • 52,796 POSTS
Pull it up from the top.

Roy
Was this
answer
helpful?
Yes
No
+1
Monday, September 9th, 2019 AT 4:32 AM

Please login or register to post a reply.