Sunday, October 17th, 2010 AT 5:07 PM
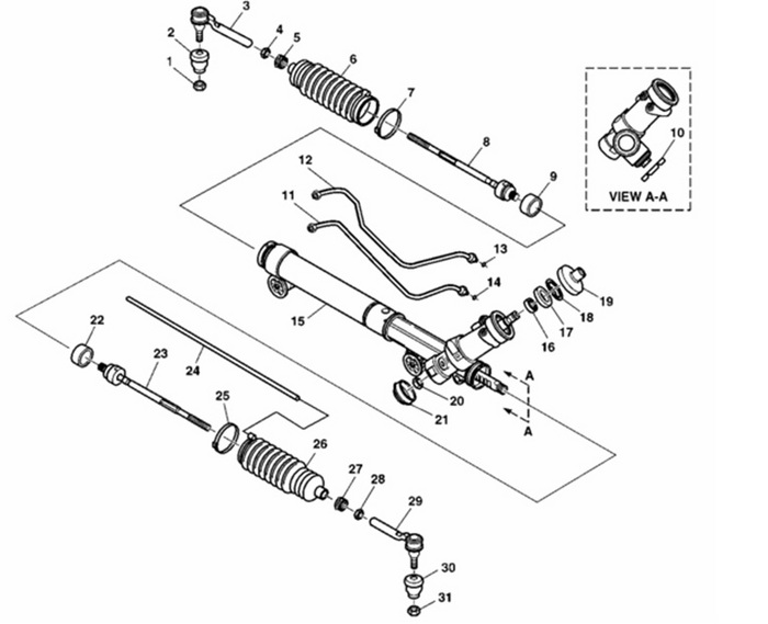
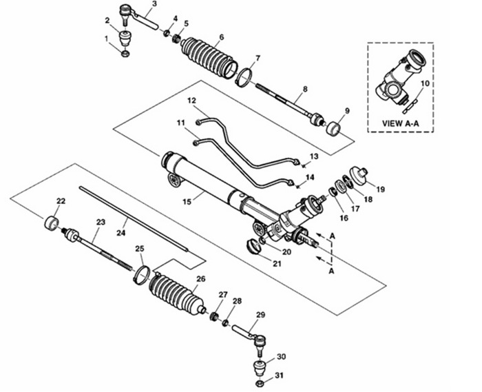
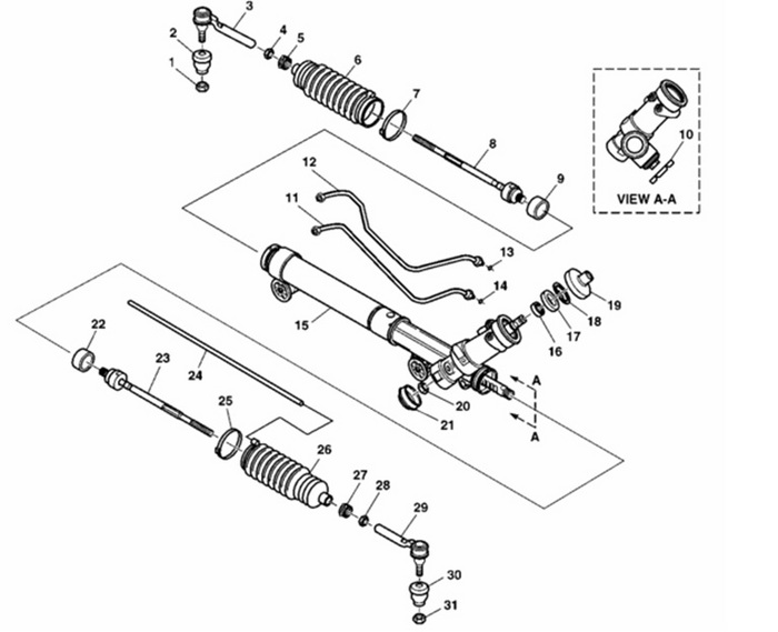
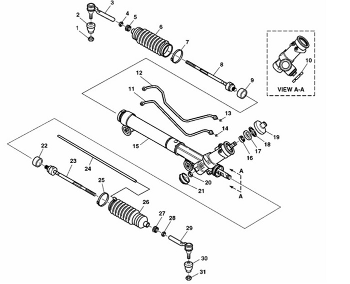
We've had this car since Feb. 2007 and have had 6 rack & pinion systems installed to date. 3 genuine GM (including the one that came on it) and 3 after market provided. Is there a possibility that the installer, a GM dealership mechanic service could be doing something wrong with their installation? Do you have any other tips for a solution?





