1994 Pontiac Grand Prix engine wont turn over

Tiny
AMB11
  • MEMBER
  • 1994 PONTIAC GRAND PRIX
Engine Mechanical problem
1994 Pontiac Grand Prix 6 cyl Two Wheel Drive Automatic

i replaced the stater and the battery and it still start
Friday, March 19th, 2010 AT 10:08 AM

1 Reply

Tiny
JDL
  • MECHANIC
  • 16,098 POSTS
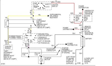
I'd check all applicable fuse circuits for voltage. Did you try cranking in neutral? What about your theft/security system, do you have the pellet in the key, try a different key.


https://www.2carpros.com/forum/automotive_pictures/170934_grand_prix_starter_circuit_1.jpg

Was this
answer
helpful?
Yes
No
Friday, March 19th, 2010 AT 10:22 AM

Please login or register to post a reply.