1.Disconnect the negative battery cable.
2.Remove the right closeout/panel insulator.
3.Move the Body Control Module (BCM) aside.
4.Disconnect the electrical connections at the blower motor.
5.Remove the blower motor retaining screws.
6.Remove the blower motor and fan assembly.
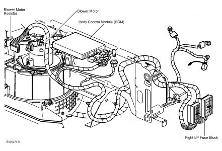
Fig. Blower motor mounting

To install:
1.Install the blower motor and fan assembly.
2.Install the retaining screws and tighten the screws to 45 inch lbs.
3.Connect the electrical connections.
4.Install the BCM into position.
5.Install the right closeout/insulator panel.
6.Connect the negative battery cable. Tighten the negative battery cable bolt to 12 ft. lbs.
Let me know if this helps.
Joe
Tuesday, September 8th, 2009 AT 9:08 PM