Locating low side service port!

Tiny
JULES1068
  • MEMBER
  • 2001 PONTIAC GRAND AM
  • 4 CYL
  • 2WD
  • AUTOMATIC
  • 150,000 MILES
I am trying to locate the a/c low side service port so I can install Freon.
Thursday, June 5th, 2008 AT 3:20 PM

2 Replies

Tiny
RASMATAZ
  • MECHANIC
  • 75,992 POSTS
Hello,

Here is a guide to help you see what you are in for when recharging the system

https://www.2carpros.com/articles/air-conditioner-how-to-add-freon

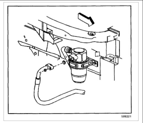
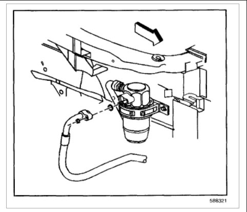
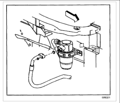
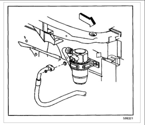
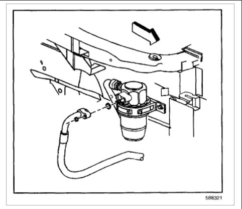
The low side service port will be on the return line from the firewall to the compressor.

Check out the diagrams (Below). Please let us know if you need anything else to get the problem fixed.

Cheers
Was this
answer
helpful?
Yes
No
Thursday, June 5th, 2008 AT 3:37 PM
Tiny
JULES1068
  • MEMBER
  • 2 POSTS
Thank you I found the fitting down low. The high side fitting is easy to get to on top.
Was this
answer
helpful?
Yes
No
+1
Thursday, June 5th, 2008 AT 3:46 PM

Please login or register to post a reply.