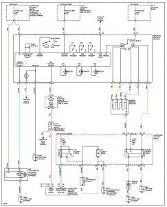
When it gets cold out usually below 30 degrees the blower doesn't work, I've replaced the Heater/AC control panel and the resister pack. Every fan speed and heater control works because the air works all summer. When it gets cold out the blower stops.
Sunday, December 9th, 2007 AT 4:19 PM



