HOME
ASK A QUESTION
REPAIR GUIDES
BECOME A MEMBER
LOG IN
Login with Facebook
OR
Remember me
NOT A MEMBER?
FORGOT PASSWORD?
CONTACT US
PRIVACY POLICY
TERMS AND CONDITIONS
☰
Home
Pontiac
Grand Am
Engine
Oil Pan
Replace/Remove
Oil pan removal
SPINNERWILEY
MEMBER
1994 PONTIAC GRAND AM
Engine Mechanical problem 4 cyl Front Wheel Drive Automatic
how do I get the oil pan off? I can't reach all the bolts. The front motor support bracket is in the way and I can't get it to come off.
Wednesday, December 24th, 2008 AT 11:39 AM
3 Replies
MMPRINCE4000
MECHANIC
8,548 POSTS
You will have to loosen or remove all the motor mount bolts and raise engine (just a few inches) with a cherry picker to get to the pan bolts.
Was this
answer
helpful?
Yes
No
Thursday, December 25th, 2008 AT 7:26 AM
RANDY T BRADFORD
MEMBER
1 POST
Mine is a v6. Same year 94. Do I have to raise motor too?
Was this
answer
helpful?
Yes
No
Friday, July 14th, 2017 AT 6:54 AM
KEN L
MASTER CERTIFIED MECHANIC
55,535 POSTS
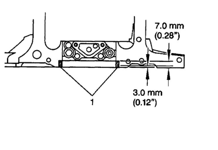
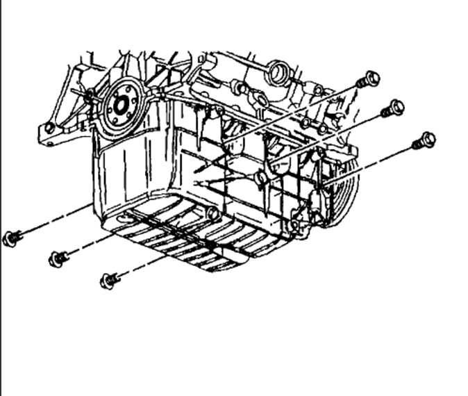
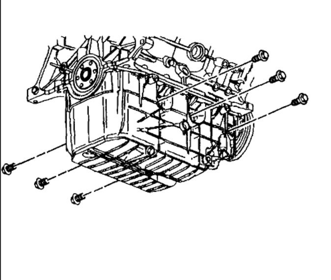
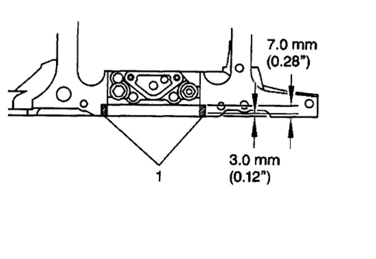
You will need to jack the car up first and then drain the oil.
https://www.2carpros.com/articles/jack-up-and-lift-your-car-safely
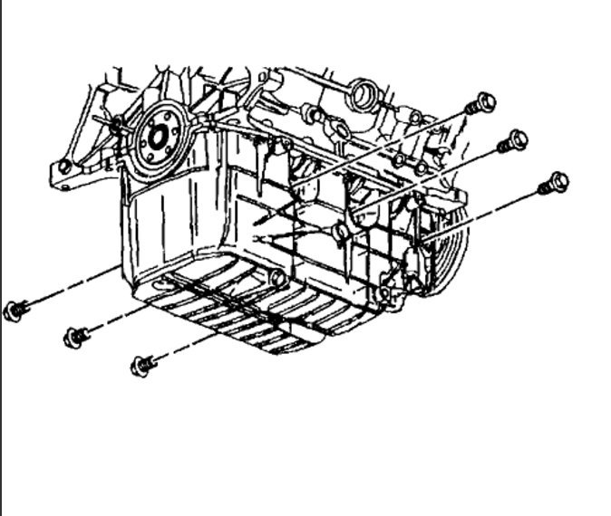
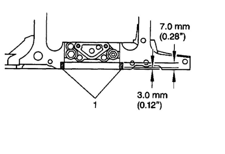
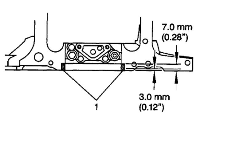
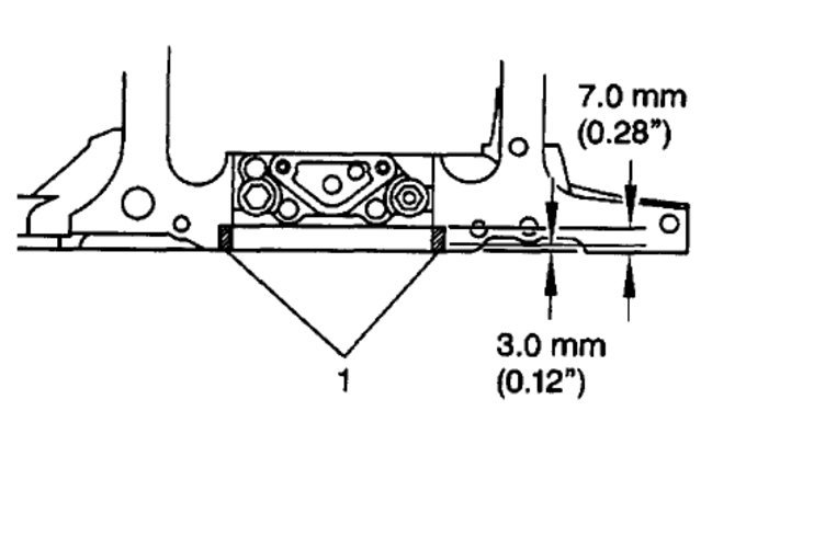
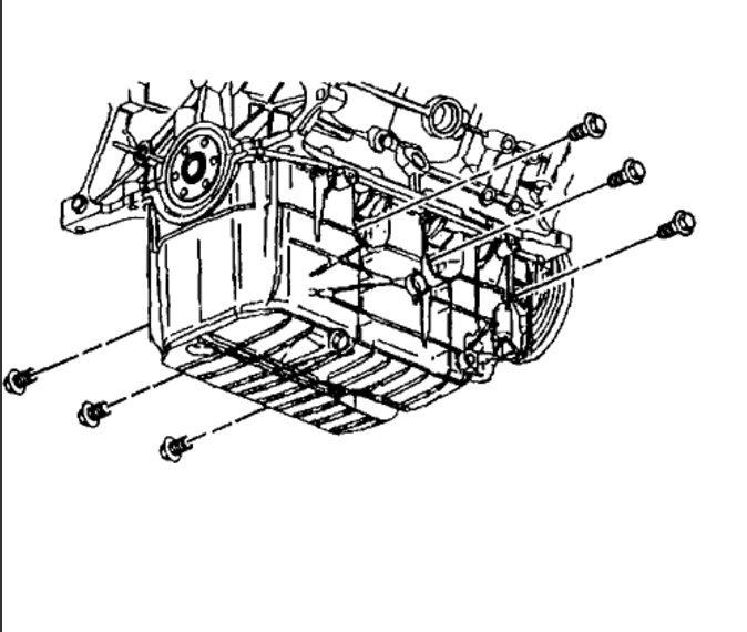
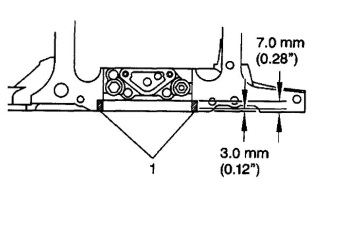
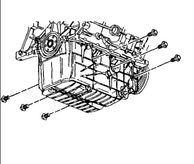
Here are some diagrams to help you get the job done.
Please let us know what happens.
Cheers, Ken
Images (Click to make bigger)
Was this
answer
helpful?
Yes
No
+1
Monday, July 17th, 2017 AT 10:25 AM
Please
login
or
register
to post a reply.
Related Oil Pan Replace/Remove Content
Step By Step Procedure To Remove Oil Pan From 97 Grand...
What Has To Be Taken Off
Asked by
Geno500
·
1 ANSWER
1997
PONTIAC GRAND AM
Oil Pan Change
Changing Oil Pan On 1995 Pontiac Grand Am. I Screwed All The Bolts Off Around Top Of Oil Pan, Removes Engine Bracket, Removed Compressor...
Asked by
hankman
·
1 ANSWER
1995
PONTIAC GRAND AM
If Your Car Is Leaking Aintfreez
Leaking Aintfreez Underneat Above Oil Pan At Rubber 90% Hose For Heater
Asked by
bigboot123
·
4 ANSWERS
1 IMAGE
1992
PONTIAC GRAND AM
1994 Pontiac Grand Am Noise And Oil Pressure Flux
Recently Bought Car For Grandson, Engine Had Been Taken Apart Not Rerpaired. Tinming Chain Tensionener Had Come Apart And Dropped Valves...
Asked by
oldrail
·
7 ANSWERS
1994
PONTIAC GRAND AM
1994 Pontiac Grand Am Engine Problem
Hello, I Have A 1994 Pontiac Grand Am With A 2.3 L Sohc 4 Cylinder. Up Until A Few Days Ago, The Car Ran Fine. Now, It Won't Idle...
Asked by
David Satterley
·
7 ANSWERS
1994
PONTIAC GRAND AM
VIEW MORE
Ask a Car Question. It's Free!
Crankshaft Seal Replacement - Rear
Crankshaft Main Seal Replacement - Front
Engine Oil Leak