Reverse lights do not work

Tiny
FOTO937
  • MEMBER
  • 2015 FORD EXPLORER
  • 3.7L
  • 6 CYL
  • 4WD
  • AUTOMATIC
  • 131,000 MILES
The vehicle listed above is a Police Interceptor. All of a sudden my reverse lights stopped working. Tried new bulbs. Check all fuses inside/outside the vehicle. Tested the socket while in reverse and no power to connector.
Please help!
Friday, February 11th, 2022 AT 9:09 AM

1 Reply

Tiny
KASEKENNY
  • MECHANIC
  • 18,907 POSTS
There are a couple of things that can cause this, but I would suggest we do two things.

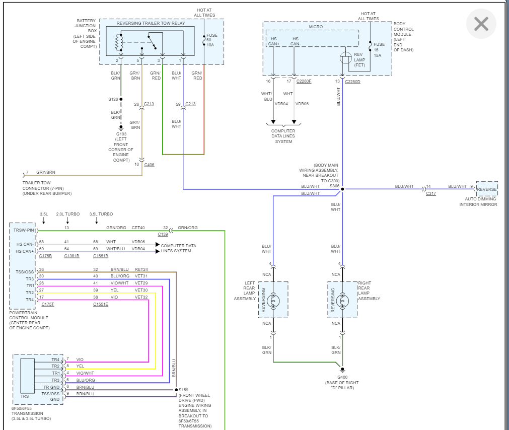
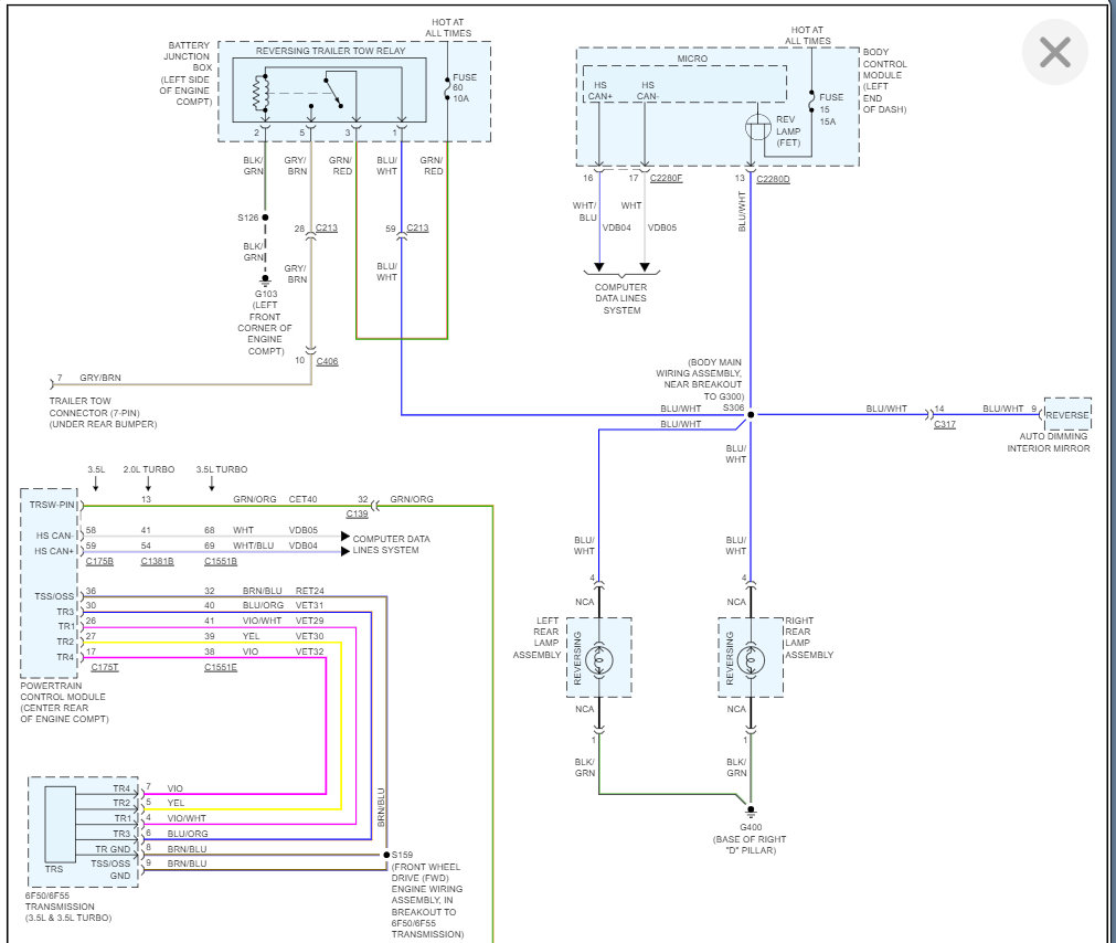
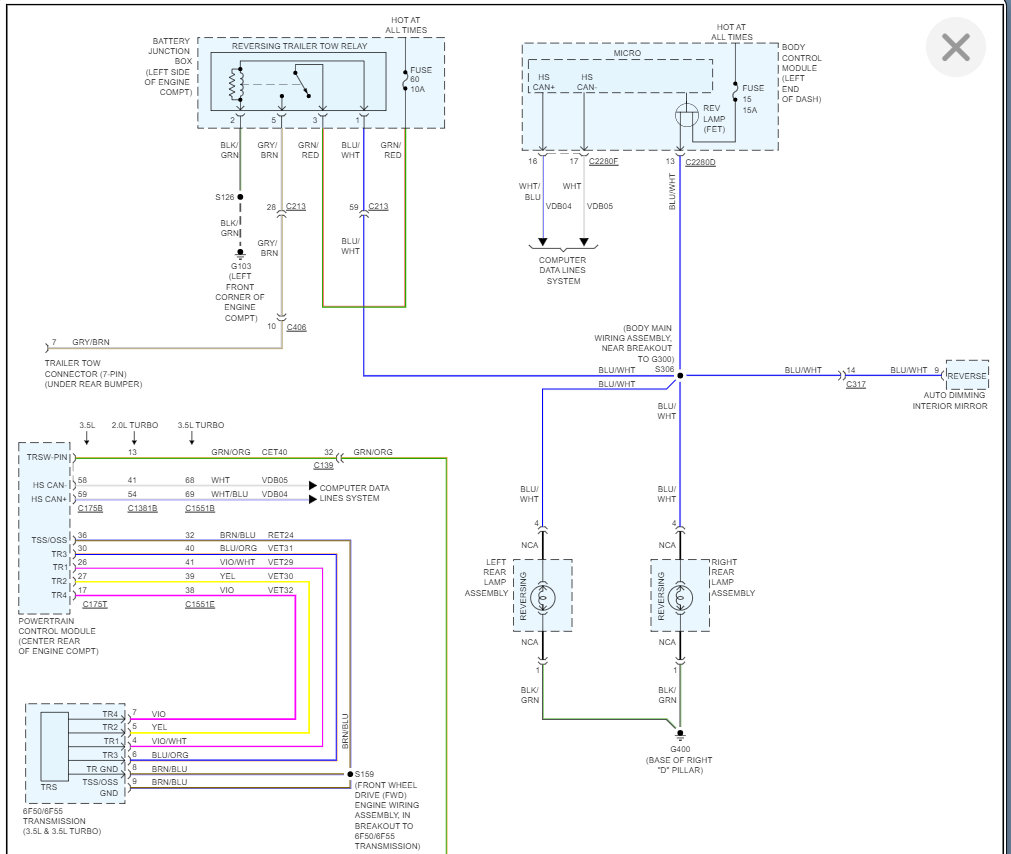
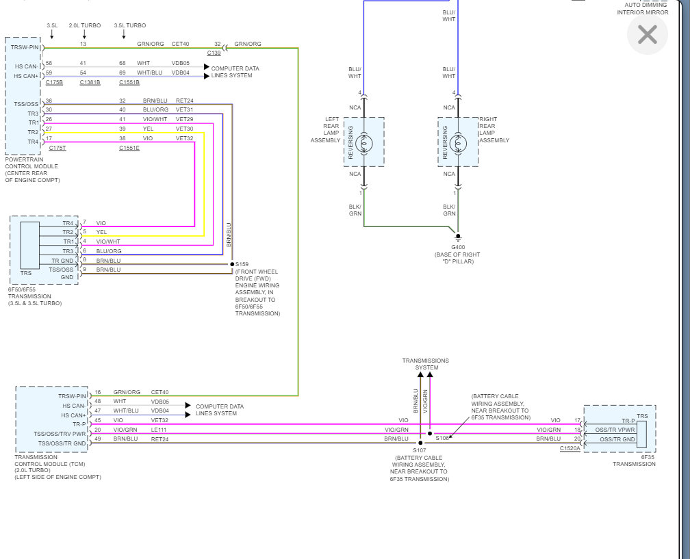
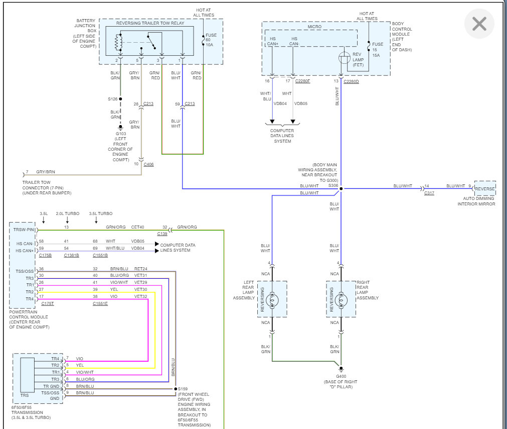
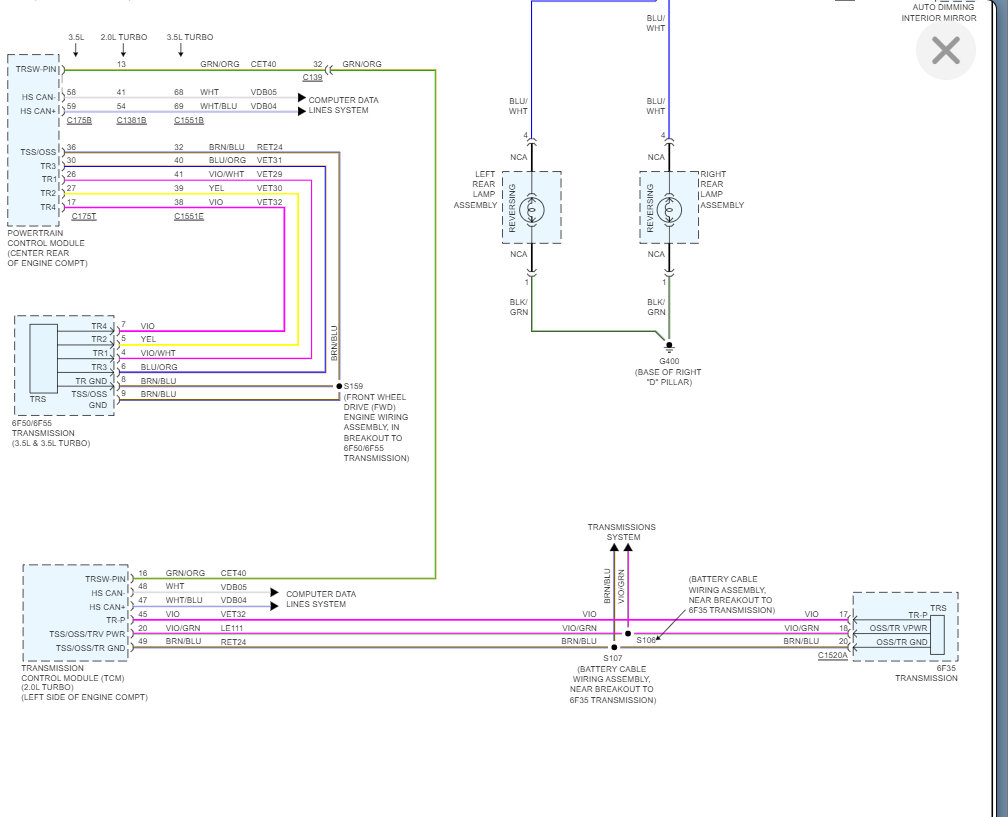
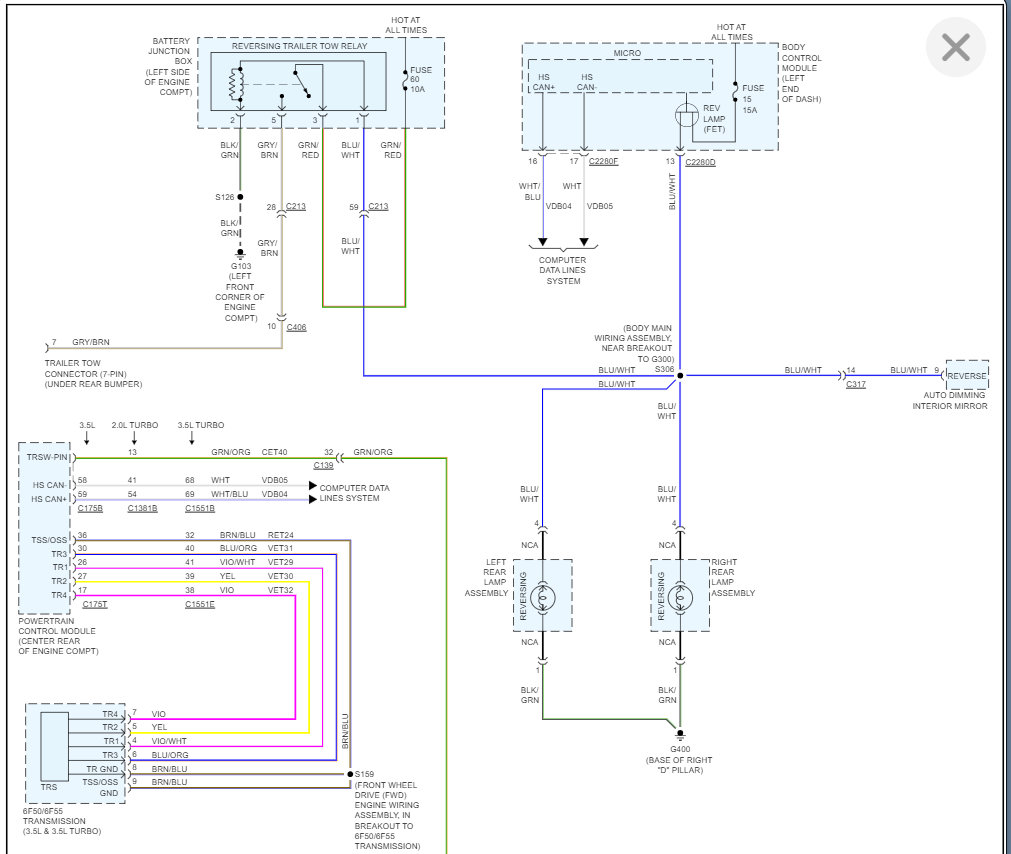
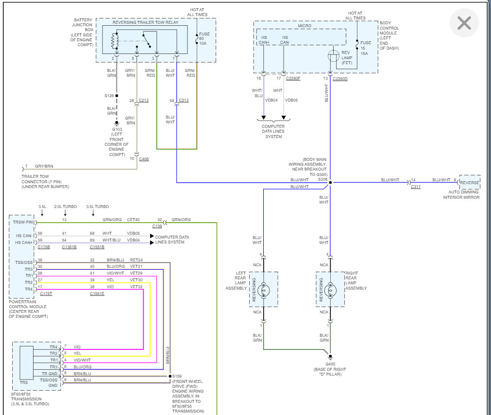
Just check the voltage on the blue, white wire when in reverse and let us know what is there. It should be 12 volts so let's start with this and we can go from there.

Here is a guide that will help with this:

https://www.2carpros.com/articles/how-to-check-wiring

I think that the BCM is the issue, but we need to start with this. Then we need to use a scan tool and make sure the PCM is seeing the vehicle go into reverse. If it is then the TRS and PCM are operating and that would point to the BCM.

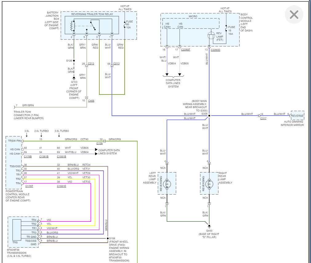
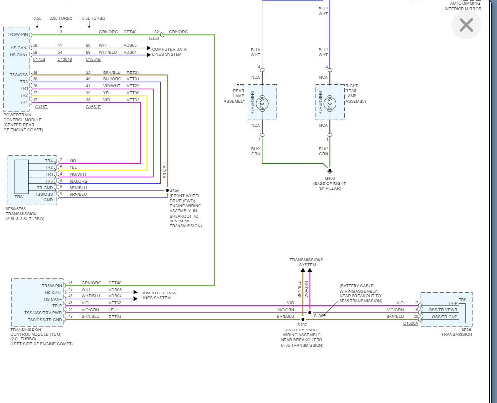
Please take a look at this wiring diagram and let me know what questions you have.

Thanks
Was this
answer
helpful?
Yes
No
Saturday, February 12th, 2022 AT 6:31 PM

Please login or register to post a reply.