Code P0300?

Tiny
RHIGGI
  • MEMBER
  • 2005 CADILLAC DEVILLE
  • 4.6L
  • V8
  • 2WD
  • AUTOMATIC
  • 73,000 MILES
Miss fire at idle only after warmup, over 800 rpm does not miss fire. Has full power, visually checked plugs and coils, replaced intake manifold gaskets and inspected for cracks scanner says no vacuum leaks.
Tuesday, June 13th, 2023 AT 10:55 AM

32 Replies

Tiny
KEN L
  • MASTER CERTIFIED MECHANIC
  • 55,281 POSTS
It sounds like the MAF sensor is not working correctly or there is a leak after the MAF sensor so please check the air intake tube/boot.

This guide can help:

https://www.2carpros.com/articles/engine-misfires-or-runs-rough

Here is the location of the MAF sensor so you can change it out. Check out the images (below). Please let us know what happens.
Was this
answer
helpful?
Yes
No
+1
Tuesday, June 13th, 2023 AT 7:26 PM
Tiny
RHIGGI
  • MEMBER
  • 18 POSTS
Thanks for the reply, no vaccum leaks, leaning toward a malfuncting IAT Ibelive that is incorporated in MAF is that right?
Was this
answer
helpful?
Yes
No
Wednesday, June 14th, 2023 AT 8:18 AM
Tiny
AL514
  • MECHANIC
  • 5,584 POSTS
Hello, do you have any live data on your scanner for the engine computer? If so, there should be a data PID for the MAF that will read grams per second (g/s). That number should roughly match the engine size in liters, so 4.6liter, should be around 4.7 g/s for a MAF reading at idle. And yes, if you have a 5 wire MAF the intake air temp sensor is part of the MAF. You can try cleaning the MAF too. Auto parts stores sell MAF cleaner in a spray can.

https://www.2carpros.com/articles/mass-air-flow-service
Was this
answer
helpful?
Yes
No
+1
Wednesday, June 14th, 2023 AT 9:19 AM
Tiny
RHIGGI
  • MEMBER
  • 18 POSTS
Yes I have libe data on scanner I will check that out, thanks for response, could not find any info on IAT, does has 5 wire MAF.
Was this
answer
helpful?
Yes
No
Wednesday, June 14th, 2023 AT 9:36 AM
Tiny
RHIGGI
  • MEMBER
  • 18 POSTS
I have cleaned MAF couple times.
Was this
answer
helpful?
Yes
No
Wednesday, June 14th, 2023 AT 9:37 AM
Tiny
AL514
  • MECHANIC
  • 5,584 POSTS
Then the IAT sensor is part of the MAF, if the MAF is under reporting air flow to the engine computer (ECM), the ECM will not be providing enough fuel and on cold start up the engine requires a lot more fuel until its warmed up. Some ECMs will go to a default strategy if the MAF fails, so you can try unplugging it and see if the idle improves, it will either get better or stall out.
Was this
answer
helpful?
Yes
No
+1
Wednesday, June 14th, 2023 AT 10:20 AM
Tiny
RHIGGI
  • MEMBER
  • 18 POSTS
The MAF is 18 years old I think I will replace again. Thank you
Was this
answer
helpful?
Yes
No
Wednesday, June 14th, 2023 AT 11:24 AM
Tiny
AL514
  • MECHANIC
  • 5,584 POSTS
Okay, let us know if that clears up the random misfire code. There are some issues with carbon build up on intake valves for these engines as well, there is a Technical Service Bulletin on it. If its still setting the code you can try some of the ACDelco Top Engine Cleaner (3rd diagram). That GM recommends for carbon issues. Adding some fuel system cleaner can help as well.
Was this
answer
helpful?
Yes
No
Wednesday, June 14th, 2023 AT 12:53 PM
Tiny
RHIGGI
  • MEMBER
  • 18 POSTS
According to your info on MAF reading of 4.6 my problem is likely that. I took reading this morning and my MAF is saying.02 steady even when I advance throttle, stft on both banks are at -2.3.
Was this
answer
helpful?
Yes
No
Thursday, June 15th, 2023 AT 7:06 AM
Tiny
AL514
  • MECHANIC
  • 5,584 POSTS
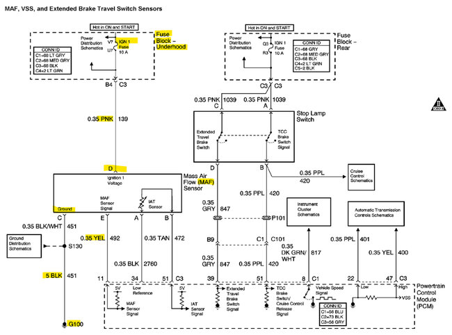
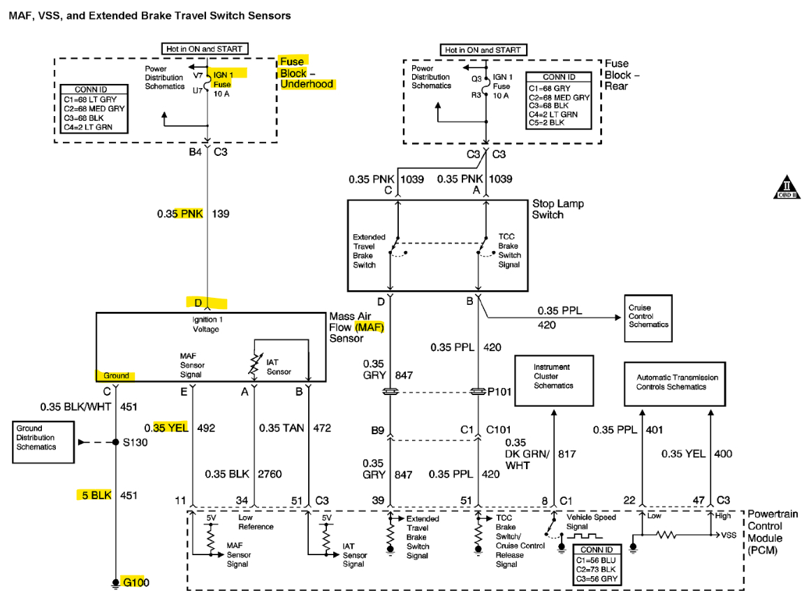
Is that the MAF voltage reading? Or the g/s (grams per second)? If that's the voltage reading, you should check for possible bad ground to the sensor, or lack of power feed.
Here's the MAF wiring diagrams if you want to check the voltage feed and Ground. There should be 12v on the pink wire with the Key On.
Was this
answer
helpful?
Yes
No
Thursday, June 15th, 2023 AT 12:58 PM
Tiny
RHIGGI
  • MEMBER
  • 18 POSTS
My scanner read MAF performance in lbs/s.02 at idle replace MAF ran good for a little while. Both banks stft read the same 31.3, is this a sign of fuel restriction? Possible fuel filter or pump?
Was this
answer
helpful?
Yes
No
Friday, June 16th, 2023 AT 10:20 AM
Tiny
AL514
  • MECHANIC
  • 5,584 POSTS
Did the MAF reading really give you a number of lbs per second? I've never seen a scan tool do that. It's usually always grams per second (g/s) or pounds per minute (lb/m). Because
0.02lbs/s comes out to be 0.15 grams per second. That is almost nothing at all. I think you need to check the powers and grounds to that sensor, and possibly the signal wire going to the ECM. If the voltage is too low, or there's a bad ground to the sensor, both will limit the sensors' ability to work properly. If there's 12-volts and a good Ground to the sensor, then I would check that the signal wire is not going through a corroded connector on its way to the ECM. With a positive Short Term fuel trim like that the ECM is definitely adding almost its maximum amount of fuel it can. It can be a lack of fuel, but on the other side of things, with a MAF reading that low and high fuel trims it looks like a huge vacuum leak. If those numbers are correct from the MAF.
Here's what to do first: verify good power and ground to sensor, with key on engine off. I will look up what kind of signal the ECM is looking for really quick, some MAFs signal with frequency. The frequency will increase as air flow increases. It's better to do some testing, even with a multimeter before replacing any more parts. You can do a fuel pressure test if you want to, but the MAF reading is definitely off. You can do the power and ground check with the sensor unplugged at just Key On. And check it using the sensors ground and then battery negative. A bad ECM ground can affect a sensor as well. I'll look up the testing for the MAF signal for you

Is it not setting any codes at all?
And does your scan tool have any options to look at the I/M readiness monitors?
I also see that this vehicle has a secondary air injection system. Sometimes when the air diverter valve doesn't switch over (or off) and air is continually pumped into the exhaust when it shouldn't be, the oxygen sensors will see that as a seriously lean condition and fuel trims will rise. But the vehicle should be able to sit and idle for a few minutes and then be driven at part throttle up to 45mph for at least 3 minutes to run its active tests and then the IM readiness monitor for the AIR system should read yes/ or ok.

Okay, the operation of the MAF goes as follows. The Pink wire should be 12volts, the Black/White wire is Ground. And the Signal wire is the yellow wire, the yellow wire should read 5 volts and will output a 0v to 5volt square wave signal, that signal will increase in Frequency when air flow increases and should read about 2000Hz at idle. This is the type of sensor I would check with an oscilloscope, but if your scan tool reads live engine data PIDs there will be a reading for the MAF signal.
Was this
answer
helpful?
Yes
No
Friday, June 16th, 2023 AT 12:31 PM
Tiny
RHIGGI
  • MEMBER
  • 18 POSTS
Yes, the MAF reading on my Foxwell scanner read lbs/s.O2 at idle and.05 at 2k rpm. With new MAF misfire at idle has quit but my stft are still way up there 31to 33%, o2 sensors all read from.1 to.8 in wave form. Now getting dtc p071 and p074 lean both banks, what I dont understand is my scanner has 2 sections for stft when I select the stft next to my o2 sensor PID they read lower around 23% and fluctuate with o2 sensor voltage, except bank1 sensor 2 read steady 99%. Whole thing is very frustrating but I'm making progress. Checked fuel pressure, 35at idle and 39 at higher RPM. I really appreciate your help.
Was this
answer
helpful?
Yes
No
Saturday, June 17th, 2023 AT 9:47 AM
Tiny
AL514
  • MECHANIC
  • 5,584 POSTS
Do you have 2 rear Oxygen sensors? Sometimes if there is really only 1 rear Oxygen sensor a scan tool will put it a substituted value like 99%, I have never used one of the Foxwell scanners, so I don't know how accurate they are. And I have never seen a reading for a MAF like that on any scan tool ever, so we'll just go with it for now. What's happens to your Fuel trims at 2500rpm? Do they drop down to under 10%?
On the waveform do you notice the front 02s hanging in the upper range at all at idle?
The PCM needs to relearn the new MAF as well, so that's something to take into account, but the lean codes are pointing to a large intake vacuum leak.
Was this
answer
helpful?
Yes
No
Saturday, June 17th, 2023 AT 10:29 AM
Tiny
RHIGGI
  • MEMBER
  • 18 POSTS
I forgot to say I did check MAF current and I have ground and correct current on 12v and 5v. The stft does get close to ten but not under. The 02 voltage seem to wave up and down at all rpm but within range.1to.9. When I but 2 graph up o2and stft when o2 is up, ft is down, the graph point at each other and away.
Was this
answer
helpful?
Yes
No
Saturday, June 17th, 2023 AT 10:39 AM
Tiny
AL514
  • MECHANIC
  • 5,584 POSTS
The MAF signal is read by its Frequency, If the fuel trims come down at higher RPM that is going to be some false air getting into the Intake, Im not sure what your last statement there means. Functioning oxygen sensors will fluctuate up and down, but at idle if theres false air(some kind of vacuum leak) the Oxygen sensor voltage will hang low but still fluctuate. The Short Term fuel trim is the active fuel strategy, the Long Term fuel trim is more of a longer learned fuel strategy. I would do a smoke test on the intake manifold and see if theres any gasket issues or cracked vacuum hoses. Theres a TSB on vacuum leaks and fuel trim or oxygen sensor codes, and since you just replaced the MAF the fuel strategy will be relearned after a few drive cycles, but you should do a smoke test on the intake manifold. Also check that the Purge valve is not stuck open, although that would set a code.
Was this
answer
helpful?
Yes
No
Saturday, June 17th, 2023 AT 11:45 AM
Tiny
RHIGGI
  • MEMBER
  • 18 POSTS
I do believe I found my air leak, the rubber boot that connects the intake manifold to throttle body. Put stft on scanner placed so I could see it in engine bay and sprayed carb cleaner on boot and got ft to drop down to 20. Let you know after I replace. Thanks for having so much patience with me.
Was this
answer
helpful?
Yes
No
Saturday, June 17th, 2023 AT 5:07 PM
Tiny
AL514
  • MECHANIC
  • 5,584 POSTS
No worries, I like to see the vehicle get fixed, and find out what the actual issue was, I think after you get any leaks fixed, and drive it for a couple days the fuel trims will come down more. The PCM has to relearn the new MAF, so hopefully that leak is all there is.
Was this
answer
helpful?
Yes
No
Saturday, June 17th, 2023 AT 9:26 PM
Tiny
RHIGGI
  • MEMBER
  • 18 POSTS
Replaced intake manifold gasket and throttle body gasket, the old gaskets were hard and brittle not cracked or damaged. After warming up soft were below10 went for drive and after couple miles started misfiring again 0171,0174 came up again, started searching again found that brake booster check valve grommet must be leaking when I pushed in and twisted ft dropped can't get locally so I ordered online. The brake booster should be fine. I have had one go out before and misfire only when brake applied that is not happening now.
Was this
answer
helpful?
Yes
No
Monday, June 19th, 2023 AT 1:14 PM
Tiny
AL514
  • MECHANIC
  • 5,584 POSTS
Okay, yes, you can clamp off the booster hose temporarily for testing, but I have the same exact issue on my truck, the booster has a vacuum leak on the inside seal when I press the pedal. That can be a difficult one to find sometimes, but once you've dealt with it before, you know what to check in the future. Glad you found the issue though, good work.
Was this
answer
helpful?
Yes
No
+1
Monday, June 19th, 2023 AT 1:48 PM

Please login or register to post a reply.