The car doesn't want to start. It makes a strange noise?

Tiny
DANAG1
  • MEMBER
  • 91 POSTS
I try to cycle the key.I saw that every time I turn it off, the light check engine lit very very little, ( lit 3 times, no blink, just lit a bit then off) also, when I try to start. This time doesn't even want to crank the engine. Try to jump it but, no work. Lights are on. Also cannot see anything if open the oil cap because looks like have a metal there to cover it
Was this
answer
helpful?
Yes
No
Thursday, October 25th, 2007 AT 6:44 AM
Tiny
DANAG1
  • MEMBER
  • 91 POSTS
Hello! Well. Here to give some updates: I had someone manually crank the engine and said it work. Now, if I turn the ignition on, but not having the engine start, stop just before that, a noise like repeatedly knocking is heard and if try to turn the ignition like in starting the car, the car won't start. So we came up with the idea that is either a relay which is bad and stop the starter for doing its job, is the starter that is not working anymore, or both. So should I change the starter, the relay or both? What do you think or. What do you suggest! Tks!
Was this
answer
helpful?
Yes
No
Thursday, October 25th, 2007 AT 2:28 PM
Tiny
BMRFIXIT
  • MECHANIC
  • 19,053 POSTS
Are you sure the battery is fully charged
beside the battery u have a black box and all relays are in it
does the clicking start when you open the door
i m thinking may be an old alarm system
Was this
answer
helpful?
Yes
No
Thursday, October 25th, 2007 AT 5:52 PM
Tiny
DANAG1
  • MEMBER
  • 91 POSTS
The battery is brand new, just bought it yesterday, manufactured in july. And no, the knocking start when the ignition key is turned on, just about to start the car ( if turned to start the car, the car doesn't want to start)
Was this
answer
helpful?
Yes
No
Thursday, October 25th, 2007 AT 6:31 PM
Tiny
SERVICE WRITER
  • MECHANIC
  • 9,123 POSTS
Unplug the instrument cluster and It very well may start, pretty common with these clusters. They have a couple solder joints that have a problem. Battery replacement seems to create/ expose a problem.

Gadzooks, stop quoting each other already


http://www.2carpros.com/forum/automotive_pictures/30961_doublevision_2.jpg

Was this
answer
helpful?
Yes
No
Thursday, October 25th, 2007 AT 7:10 PM
Tiny
DANAG1
  • MEMBER
  • 91 POSTS
What is the instrument cluster and where is located?
Was this
answer
helpful?
Yes
No
Thursday, October 25th, 2007 AT 7:37 PM
Tiny
SERVICE WRITER
  • MECHANIC
  • 9,123 POSTS
There you go with that quoting thing again :lol:


http://www.2carpros.com/forum/automotive_pictures/30961_skeptical1_5.jpg



IT is the gauges you look at. Speedo, fuel tank, oil light etc. You know Instrument panel.

A quick test is also to bang on the dash over it and sometimes that joustles it temporarily.
Was this
answer
helpful?
Yes
No
Thursday, October 25th, 2007 AT 7:58 PM
Tiny
BMRFIXIT
  • MECHANIC
  • 19,053 POSTS
Ok let’s start over
You had no problem before the battery replaced
Know van don’t start and you re hearing a clicking from under the hood
You try to start the engine will not turn over
you have lights horn and radio all working
Let me know
Was this
answer
helpful?
Yes
No
Thursday, October 25th, 2007 AT 8:16 PM
Tiny
DANAG1
  • MEMBER
  • 91 POSTS
Exactly. And the noise is like a knocking repeatedly and figured like starter don't want to work or some relay doesn't want to work
Was this
answer
helpful?
Yes
No
Thursday, October 25th, 2007 AT 8:26 PM
Tiny
BMRFIXIT
  • MECHANIC
  • 19,053 POSTS
Exactly. And the noise is like a knocking repeatedly and figured like starter don't want to work or some relay doesn't want to work[/quote:6fef46dfdb]
ok lets start with the noise where is it
Can u identify where the noise coming from is it
Under the hood
Driver side or pass side
With that noise is the engine trying to turn
Was this
answer
helpful?
Yes
No
Thursday, October 25th, 2007 AT 8:35 PM
Tiny
DANAG1
  • MEMBER
  • 91 POSTS
Exactly. And the noise is like a knocking repeatedly and figured like starter don't want to work or some relay doesn't want to work[/quote:be9ad75596]
ok lets start with the noise where is it
Can u identify where the noise coming from is it
Under the hood
Driver side or pass side
With that noise is the engine trying to turn[/quote:be9ad75596]
yea, even with that noise, the engine try to turn.
Was this
answer
helpful?
Yes
No
Thursday, October 25th, 2007 AT 8:46 PM
Tiny
BMRFIXIT
  • MECHANIC
  • 19,053 POSTS
Exactly. And the noise is like a knocking repeatedly and figured like starter don't want to work or some relay doesn't want to work[/quote:82014f6573]
ok lets start with the noise where is it
Can u identify where the noise coming from is it
Under the hood
Driver side or pass side
With that noise is the engine trying to turn[/quote:82014f6573]
yea, even with that noise, the engine try to turn.[/Quote:82014f6573]

Please try to answer the questions
Where is the clicking
I know under the hood
Is it driver side pass side in the mid?

Also key on you re not starting the engine you hear the noise
Is the engine trying to turn (with key on only)
Was this
answer
helpful?
Yes
No
Thursday, October 25th, 2007 AT 8:55 PM
Tiny
DANAG1
  • MEMBER
  • 91 POSTS
I don't know where under the hood, I hear it from inside, didn't have someone else trying to start and me, to be outside and look. When the key is on and about ready to start the car, I hear the noise, if I turn the key completely, the car didn't start, but still hear the noise. If I try to do that few times, at one point the engine try to start but. Don't.
Was this
answer
helpful?
Yes
No
Thursday, October 25th, 2007 AT 9:00 PM
Tiny
BMRFIXIT
  • MECHANIC
  • 19,053 POSTS
I know u said it a new battery just for what ever try to get a jump or get the battery exchanged good luck
Was this
answer
helpful?
Yes
No
Thursday, October 25th, 2007 AT 9:03 PM
Tiny
DANAG1
  • MEMBER
  • 91 POSTS
I tried to jump it but it still wouldn't start.I will see what I will do tomorrow, thanks!
Was this
answer
helpful?
Yes
No
Thursday, October 25th, 2007 AT 9:14 PM
Tiny
SERVICE WRITER
  • MECHANIC
  • 9,123 POSTS
I just wanted to get in on the quote action

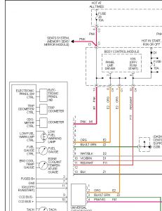
Not tryin to step on any toes, but I ran into this once before after a battery replacement. The cluster ties into the the bcm as the diagram shows....


http://www.2carpros.com/forum/automotive_pictures/30961_01ip_1.jpg



see this post also:
http://www.2carpros.com/forum/electrical-problem-vt44083.html?highlight=
Was this
answer
helpful?
Yes
No
Friday, October 26th, 2007 AT 6:24 AM
Tiny
DANAG1
  • MEMBER
  • 91 POSTS
Found out that the noise is make when the ignition is on, by a relay which have written on it " auto shut down relay" And. How can I get too see that image? Tks!
Was this
answer
helpful?
Yes
No
Friday, October 26th, 2007 AT 12:18 PM
Tiny
DANAG1
  • MEMBER
  • 91 POSTS
Update: The noise came from auto shutdown relay, situated between or around ac clutch relay and fuel pump relay.
Was this
answer
helpful?
Yes
No
Friday, October 26th, 2007 AT 12:41 PM
Tiny
BMRFIXIT
  • MECHANIC
  • 19,053 POSTS
OK
EZ WAY swith the rElay with another SEE IF THAT HElp !
Or and you can chEck the circuit
cavity # 30 is fuSed B+

# 86 is battery +

# 85 relay control
# 87 relay out put
did u get any code s when u cycled the key
Was this
answer
helpful?
Yes
No
Friday, October 26th, 2007 AT 1:00 PM
Tiny
DANAG1
  • MEMBER
  • 91 POSTS
When I cycled the key the check engine light lit so low. Hardly can be seen.I don't think can count that asa a blink.
Was this
answer
helpful?
Yes
No
Friday, October 26th, 2007 AT 1:15 PM

Please login or register to post a reply.