Monday, April 28th, 2008 AT 9:43 AM
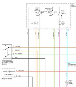
The other day when I left work all my lights worked fine. The next day, I had nothing except for head lights. When I turn on the switch, the "lights on" reminder dings, but nothings light. I replaced all the fuses, tested the switch, checked relays, did every thing I could and still cant figure it out. Is it possible that the fuse/relay box under the drivers side dash went bad? Its got power going from the switch to there, but nothing going to the dash lights or parking lights(no tail or rear lights) I did notice before this, when I opened the door, the interior light came on, shut off, and came back on after a couple seconds. Is that a sign that the unit was going bad, and why nothing is working? All fuses under the hood were checked, and replaced also. Please someone help with this. Thanks.








