HOME
ASK A QUESTION
REPAIR GUIDES
BECOME A MEMBER
LOG IN
Login with Facebook
OR
Remember me
NOT A MEMBER?
FORGOT PASSWORD?
CONTACT US
PRIVACY POLICY
TERMS AND CONDITIONS
☰
Home
Plymouth
Voyager
Interior
Compass
1993 Plymouth Voyager
DON HOLLMANN
MEMBER
1993 PLYMOUTH VOYAGER
1993 Plymouth Voyager
i have a console compass, ice, lights and want to use on another van need to know what the voltages are on the 6 wired plug
Saturday, January 31st, 2009 AT 7:09 PM
1 Reply
KHLOW2008
MECHANIC
41,814 POSTS
Hi Don,
Thank you for the donation.
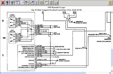
Are you refering to the overhead console 6 wire plug?
I have attached a diagram for you to refer. Hope it is the correct one.
Terminal # 3 requires battery voltage and terminal # 4 is the ground. The others are for operations of the vent motors.
Was this
answer
helpful?
Yes
No
Sunday, February 1st, 2009 AT 10:25 AM
Please
login
or
register
to post a reply.
Related Compass Content
1993 Plymouth Voyager Idle
My Voyager Has Developed An Intermittent Problem With Its Idle. In The Cold Weather It Doesn't Hold An Idle. As Long As You Keep Your Foot...
Asked by
hflashman
·
2 ANSWERS
1993
PLYMOUTH VOYAGER
1996 Plymouth Voyager Cruise Control Indicator Light
When I Turn On The Cruise I Get No Indication That It Has Come On Because The Indicator Light Does Not Show On The Dash Or On The Steering...
Asked by
pepenik99
·
16 ANSWERS
1996
PLYMOUTH VOYAGER
When I Try To Put The Heater On High I Get The Smell...
We Had No Problems Until About A Week Ago Now When I Try To Run Heater I Get Smell Of Antifreeze And There Is A Small Leak On Garage Floor...
Asked by
Lphoenix
·
2 ANSWERS
2 IMAGES
1999
PLYMOUTH VOYAGER
2000 Plymouth Voyager Odor And Wet Carpet
Interior Front Carpet Is Wet And Is Stickey To Touch There Is Nothing On The Windshield As In Film Pertaining To Bad Heater Core But Maybe...
Asked by
Gary trop
·
3 ANSWERS
2000
PLYMOUTH VOYAGER
Leaking Water Onto Passenger Floor
My 96 Grand Voyager Se Has Condensation On The Inside Windshield Every Morning And When I Start It Up It Leaks A Puddle Of Water On To...
Asked by
khaleelgrant
·
4 ANSWERS
1996
PLYMOUTH VOYAGER
VIEW MORE
Ask a Car Question. It's Free!