1989 Plymouth Voyager no start

Tiny
AARNOP
  • MEMBER
  • 1989 PLYMOUTH VOYAGER
  • 4 CYL
  • FWD
  • MANUAL
  • 313,000 MILES
The motor was running, then I pressed a button on the radio, and engine quit. In the lover part of the instrument panel is a green led light, it says "Fuel Purge" This light went out. I can't figure out if the radio button did something - if so what? There is spark !
Saturday, January 24th, 2009 AT 5:56 PM

9 Replies

Tiny
JACOBANDNICKOLAS
  • MECHANIC
  • 110,192 POSTS
Hi:
It's hard to say what causes things anymore. I doubt the radio did it, but there body control modules that run many things and can go bad. If you are getting spark, did you check for fuel pressure? Can you hear the fuel pump run for a second when you first turn the key on?

Let me know.

Joe
Was this
answer
helpful?
Yes
No
Friday, January 30th, 2009 AT 6:37 PM
Tiny
AARNOP
  • MEMBER
  • 4 POSTS
I know there is spark! I removed the incoming fuel line, and got some gas in a can when turning the key.
I am in the process of putting together a pressure gauge to check fuel pressure. What should it be?
Aarno
Was this
answer
helpful?
Yes
No
Saturday, January 31st, 2009 AT 10:53 AM
Tiny
JACOBANDNICKOLAS
  • MECHANIC
  • 110,192 POSTS
Ok:
There are three different options. Here they are

TBI 13.5 to 15.5 PSI

MPFI (non turbo) 46. To 50. PSI

MPFI (turbo) 53. 57. PSI

If you have questions, let me know.

Joe
Was this
answer
helpful?
Yes
No
Saturday, January 31st, 2009 AT 2:29 PM
Tiny
AARNOP
  • MEMBER
  • 4 POSTS
I checked the fuel pressure, it was around 12 to 13 PSI. Pressure was flickering slightly when iI turned engine with the starter. No start. Now I double checked what that green light says. It says " FUEL PACER"
None of my books mention it, Chrysler dealer did not have clue ! What on earth does it refer to?
Anyway, when the engine stopped running, with me sitting behind the wheel, this green light went out, and engine stopped.
Was this
answer
helpful?
Yes
No
Monday, February 2nd, 2009 AT 1:57 PM
Tiny
JACOBANDNICKOLAS
  • MECHANIC
  • 110,192 POSTS
Hi:
In the 70's Chrysler used a vacuum switch to indicate when the person needed to back off the throttle. When the vacuum would drop in the engine, the left signal light mounted on the top of the fender would light up. I guess that was there idea of a way to improve fuel mileage.

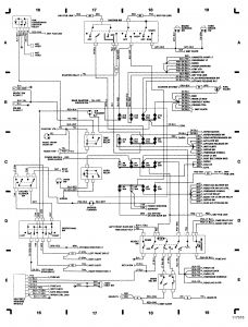
Regardless, in the late 80's the term shows up again, "Fuel Pacer" and it's hooked into the starting system. The only thing I could find is an electrical schematic of how it's wired, nothing on it's purpose. I have made a copy for you to look at while I talk to another mechanic to see if he knows its purpose.

Take a look.... like on a map, go to B-5


https://www.2carpros.com/forum/automotive_pictures/249084_fuel_pacer_1.jpg



I don't know if you will be able to read it because of it's size.

Let me know what you think and I'll keep digging.

Joe
Was this
answer
helpful?
Yes
No
Monday, February 2nd, 2009 AT 6:14 PM
Tiny
AARNOP
  • MEMBER
  • 4 POSTS
No I can not read the schematic. I could only blow it up 150%, which was not enough. I have the Haynes repair manual for the model, but there is nothing in the starting diagram referring to this.
Now when you have identified the F/P, a photo of it would hardly make a difference, or would it?
Was this
answer
helpful?
Yes
No
Monday, February 2nd, 2009 AT 7:36 PM
Tiny
JACOBANDNICKOLAS
  • MECHANIC
  • 110,192 POSTS
Sorry. I had a feeling you may not be able to make it big enough. I have emails to two great mechanics here regarding this issue. I feel confident they will get back to me, but it may not be until tomorrow. I will let you know as soon as I can.

Joe
Was this
answer
helpful?
Yes
No
Monday, February 2nd, 2009 AT 9:05 PM
Tiny
JACOBANDNICKOLAS
  • MECHANIC
  • 110,192 POSTS
I just wanted to let you know I didn't forget about you. I have been through three mechanics and no one has heard of one. I assure you I am still looking.

Joe
Was this
answer
helpful?
Yes
No
Wednesday, February 4th, 2009 AT 4:09 PM
Tiny
IMPALASS
  • MECHANIC
  • 3,112 POSTS
Hello Aarno

Please tell us the size of your engine in liter.

Jacobandnickolas and I have been discussing this..... If you don't mind if you would check a couple of things.

Fuse 13 and when you check it please use an ohm meter as sometimes it may look good but not.

Next - I know you said you have a spark. So we are all on the same page... Please do this again - pull a plug wire off of the spark plug and insert something into the end of it and have someone try to start the car and have the metal object really close to a piece of metal on the engine and see if you are getting a good strong popping blue spark. Should last for about 7 seconds.

If you are getting good spark then spray some starting fluid in the throttle body and try to start it and see if it tries to start then.

Also, lets try to check the codes on the car.....I know it won't start but still go through the procedures and see if it blinks codes and let us know.

ON-BOARD DIAGNOSIS
ENTERING ON-BOARD DIAGNOSTICS
1. Start engine (if possible). Move transmission shift lever through all positions, ending in Park. Turn A/C switch on, then off (if equipped).
2. Turn engine off. Without starting engine again, turn ignition on, off, on, off and on. Record 2-digit fault codes as displayed by flashing check engine light.
3. For example, Code 23 is displayed as flash, flash, 4 second pause, flash, flash, flash. After a slightly longer pause, any other codes stored are displayed in numerical order.
4. Once check engine light begins to flash fault codes, it cannot be stopped. If you loose count, it will be necessary to start over. Code 55 indicates end of fault code display. See FAULT CODES in this article

Please let us know what you find.
Was this
answer
helpful?
Yes
No
Thursday, February 5th, 2009 AT 8:45 PM

Please login or register to post a reply.