Pinout on PCM needed

Tiny
RUDYV8
  • MEMBER
  • 2012 FORD F-150
  • 3.5L
  • 6 CYL
  • TURBO
  • 4WD
  • AUTOMATIC
  • 260,000 MILES
I have coil 5 and 6 that are grounded at all times. I would like to know the PCM diagram to check if it is bad for I have bad wiring.
Thursday, December 17th, 2020 AT 8:44 AM

5 Replies

Tiny
STEVE W.
  • MECHANIC
  • 15,679 POSTS
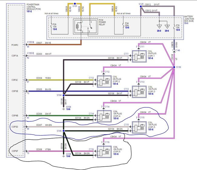
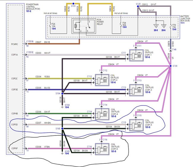
This is the ignition coil wiring. You should have battery voltage on the violet wire, the black with green stripe is a ground and the white with brown stripe is the number 5 coil control wire and the violet with brown wire is the control for number 6. On the PCM it is connector C1551E and the control pins are pins 58 (5) and 73 (6) With the connector off and looking at it the pins are as shown in the second image. An easy way to tell if the issue is the PCM or the wiring would be to connect a meter or test light to the control wires at the coils, then unplug the connector from the PCM, if the ground goes away then the wires are not the problem.
Was this
answer
helpful?
Yes
No
+1
Thursday, December 17th, 2020 AT 12:20 PM
Tiny
RUDYV8
  • MEMBER
  • 3 POSTS
Thank you I appreciate it.
Was this
answer
helpful?
Yes
No
Thursday, December 17th, 2020 AT 12:44 PM
Tiny
STEVE W.
  • MECHANIC
  • 15,679 POSTS
You're welcome. I've not heard of many issues of the driver transistors for the coils failing but it can happen. Hopefully it's in the wiring as PCMs are not low cost items.
Was this
answer
helpful?
Yes
No
+1
Thursday, December 17th, 2020 AT 7:05 PM
Tiny
RUDYV8
  • MEMBER
  • 3 POSTS
Yeah, PCM coil 5 and 6 grounded will need a replacement and programming.
Was this
answer
helpful?
Yes
No
+1
Thursday, December 17th, 2020 AT 8:37 PM
Tiny
STEVE W.
  • MECHANIC
  • 15,679 POSTS
Sorry to hear that, there are places that repair them without disturbing the programming and it can be cheaper than replacement but it depends on where they are from you. Especially with the way the shipping companies are at the moment.
Was this
answer
helpful?
Yes
No
Friday, December 18th, 2020 AT 11:55 AM

Please login or register to post a reply.