Pin diagram for speedometer/cluster needed?

Tiny
ROB_NYC
  • MEMBER
  • 2017 INFINITI QX70
  • 3.7L
  • 6 CYL
  • 4WD
  • AUTOMATIC
  • 20,000 MILES
I need a diagram that explains what wire runs the speedometer and odometer.
Monday, November 21st, 2022 AT 8:40 PM

15 Replies

Tiny
STEVE W.
  • MECHANIC
  • 15,676 POSTS
There isn't an individual feed for that it uses a combination of data from the sensors in the transmission and the wheel speed sensors that is then run through the data buss and into the ECM and Body control module which then use the data to send a speed signal from the instrument cluster to the other systems that use the data. What is the issue you are having with the speedometer and odometer? If they are not working it is likely the cluster itself that is the problem but replacement of that isn't a simple process because of how they use the cluster as a data hub and processing so that replacing the cluster requires a security tag and dealer access to reset things like the odometer and security items.
Was this
answer
helpful?
Yes
No
Tuesday, November 22nd, 2022 AT 10:25 PM
Tiny
ROB_NYC
  • MEMBER
  • 9 POSTS
So, I'm trying to locate the pinout diagram to each wire. Example RPM signal, gas signal etc.
Was this
answer
helpful?
Yes
No
Monday, December 5th, 2022 AT 8:13 AM
Tiny
STEVE W.
  • MECHANIC
  • 15,676 POSTS
Those don't exist as individual signals in that vehicle, they are all fed into the dash as a data stream through the network. You would need to go to the sensors themselves and tap into a signal there and come up with some adapter hardware to interpret those signals into something usable. These are the connections to the instruments. If you notice there is a "signal" feed for the alternator, except it actually isn't that is in reality the sense line that tells the alternator how much power it needs to produce.
For the fuel level the variable resistor in the tank comes out to the meter amplifier where it gets converted to a digital signal to feed the dash.
The old methods of having the dash do anything but act as a computer stopped many years ago.
Was this
answer
helpful?
Yes
No
+2
Monday, December 5th, 2022 AT 11:46 AM
Tiny
ROB_NYC
  • MEMBER
  • 9 POSTS
That photo was helpful, do you happen to have the same diagram for a 2017 Q70 and QX80?
Was this
answer
helpful?
Yes
No
Monday, December 5th, 2022 AT 12:19 PM
Tiny
STEVE W.
  • MECHANIC
  • 15,676 POSTS
Here those are but they use a different protocol and data feed in the 80 than the 70 so they are not interchangeable. You would need to change over the entire harness, PCM, BCM and about half of the sensors to make the 80 dash operate in a different vehicle. The Q 70 is also different than the other 2 and uses CAN bus but with a signal from the PCM instead of the amplifier like the QX70. Be very careful if you try to mix them up as the antitheft module will likely shut the vehicle down as well as the possibility of module damage if things connect up wrong.
Was this
answer
helpful?
Yes
No
Monday, December 5th, 2022 AT 2:02 PM
Tiny
ROB_NYC
  • MEMBER
  • 9 POSTS
So, would a Q70 or QX80 match best with the QX70? If I were to match each pin to what its function does. Will most of it work?
Was this
answer
helpful?
Yes
No
Monday, December 5th, 2022 AT 5:47 PM
Tiny
STEVE W.
  • MECHANIC
  • 15,676 POSTS
Even matching the wire functions likely won't help because the signals are different between them. Nissan is one of the worst for using different systems across the various models. The QX70 is sort of an orphan. It was built to give Nissan a competitor in the crossover segment but was only sold as an Infinity and had no Nissan version.
Was this
answer
helpful?
Yes
No
Monday, December 5th, 2022 AT 8:51 PM
Tiny
ROB_NYC
  • MEMBER
  • 9 POSTS
This case it’ll be an Infiniti to an Infiniti.
Was this
answer
helpful?
Yes
No
Monday, December 5th, 2022 AT 8:57 PM
Tiny
STEVE W.
  • MECHANIC
  • 15,676 POSTS
Except they are not the same. The Q70 and QX80 are really Nissans with fancy trim. The QX70, however, is on its own as an Infinity. They share the Infinity name but that's it. Engine and transmission programming are different as are most other pieces. For instance, the other vehicles run the signals from the BCM to the dash, the QX70 uses an amplifier box that acts as a translator and converter, then the signals go onto the data bus and move the stepper motors. If you don't like the stock dash you might want to see if you can get one of the ones that use the OBD port to transfer the data to something like a dedicated tablet sort of like the newer cars like the Tesla. It would take a bunch of work.
Was this
answer
helpful?
Yes
No
Monday, December 5th, 2022 AT 9:21 PM
Tiny
ROB_NYC
  • MEMBER
  • 9 POSTS
Would you be able to provide me the entire diagram for the 2017 qx70?
Was this
answer
helpful?
Yes
No
Monday, December 12th, 2022 AT 7:45 AM
Tiny
STEVE W.
  • MECHANIC
  • 15,676 POSTS
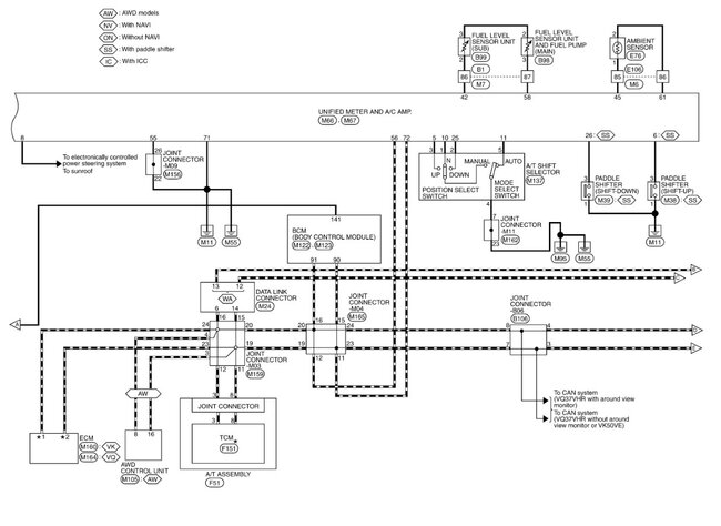
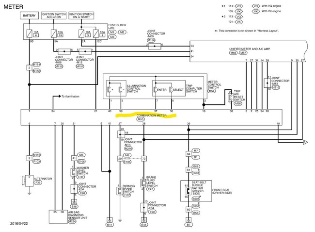
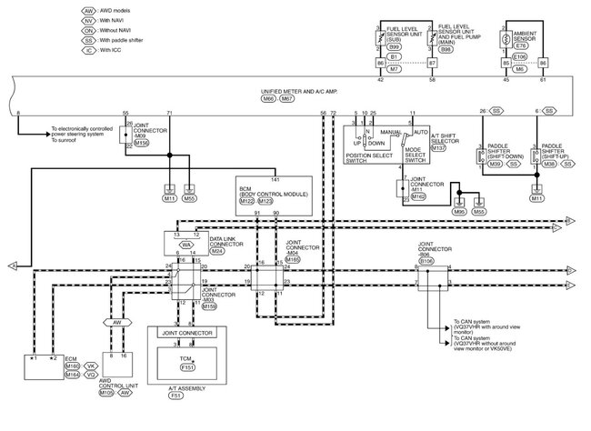
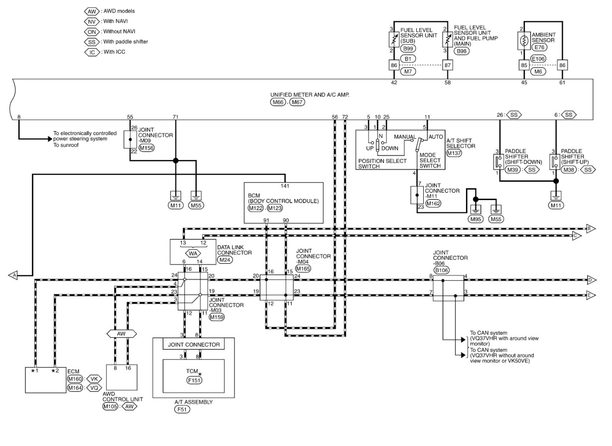
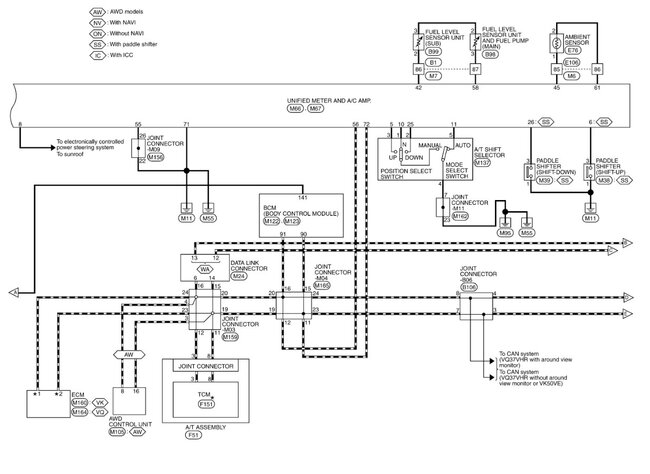
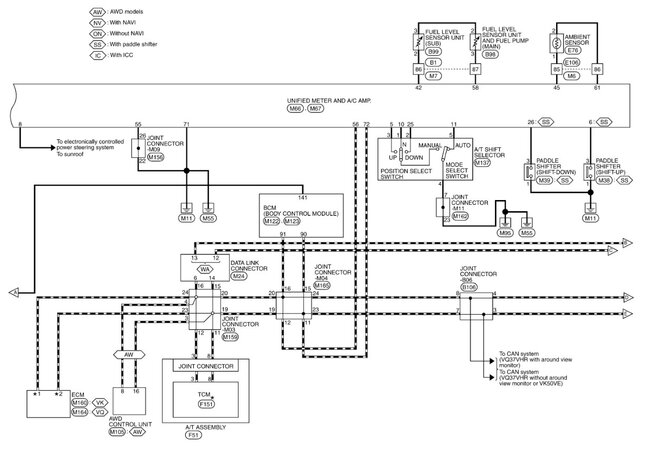
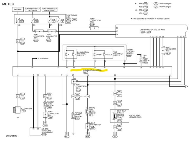
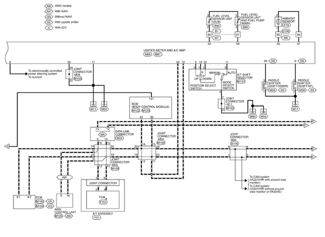
Which diagram? For the instrument panel? Here are the OE diagrams for the dash. The display you see as the instrument panel is the piece with the yellow highlight called the combination meter. All of the rest is the unified amp, body module, ECM, AWD and all the rest that generate the signals sent through the data lines to make the various items operate. So, say you wanted the fuel level. That comes from the sender in the tank as a voltage signal. From there it goes into the unified amp where it gets converted to a digital signal that is then sent to the cluster. There it goes to a processor which takes the digital signal and converts it into a driving signal for the stepper motor that moves the needle. So, say it starts out as a 4-volt signal for a half tank. That gets converted to say 00110110001X in the unified amp. That is then sent to the processor in the cluster which says okay that signal means I need to mover that stepper motor 62 steps to indicate half on the gauge.
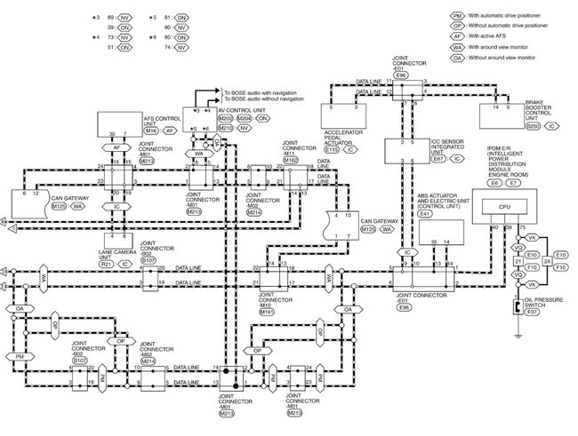
This same thing happens with all the other items as well from engine speed, oil pressure, transmission gear selector, vehicle speed, and much more. If you look at the second and third diagram all of the items connected with the dashed lines are CAN bus signals that are translated digital signals. Avoid anything to do with those data lines, the best outcome if you connect anything to them is the system shuts down and the car won't start. The worst is that you could fry the entire network and every module connected to it and the end result of that is a large expensive lawn ornament.
The connector pinouts are the various connections used to transfer the signals that end up being used by the unified amp to create the display data.
Was this
answer
helpful?
Yes
No
Monday, December 12th, 2022 AT 10:55 AM
Tiny
ROB_NYC
  • MEMBER
  • 9 POSTS
So, my plan initially was to grab one of those android tablet speedometers that look to be only manufactured for the Q70 and rewire the harness to match the qx70 pin layout. The only pins I see that don't match up are the COMM (LCD-AMP)/COMM (AMP-LCD0) and COMM (METER-AMP)/COMM (AMP-METER). What will be my complications with those pins not available on the Q70 pin diagram?
Was this
answer
helpful?
Yes
No
Monday, December 12th, 2022 AT 11:09 AM
Tiny
STEVE W.
  • MECHANIC
  • 15,676 POSTS
Won't work as the QX70 has the unified amp that translates the signals from the inputs while the Q70 doesn't use that. You would be feeding in two entirely different signal types. Real good way to damage the android tablet. There is a reason why they don't say it will work with the QX.
Was this
answer
helpful?
Yes
No
Monday, December 12th, 2022 AT 1:01 PM
Tiny
ROB_NYC
  • MEMBER
  • 9 POSTS
Would you be able to provide me the full view of the cluster diagram of the '17 QX70 and Q70. I know you sent it before but the right side of it was cut off. Want to see where everything leads to as well. Thanks
Was this
answer
helpful?
Yes
No
Wednesday, December 21st, 2022 AT 6:30 AM
Tiny
STEVE W.
  • MECHANIC
  • 15,676 POSTS
The QX 70 is in the post with the 16 images above. The Q70 uses a completely different system and comm network and nothing interchanges. For instance you wrote "The only pins I see that don't match up are the COMM (LCD-AMP)/COMM (AMP-LCD0) and COMM (METER-AMP)/COMM (AMP-METER). What will be my complications with those pins not available on the Q70 pin diagram?"
Those pins are the data lines that don't exist in the Q70 but they are the only source for the signals that feed the dash and without them nothing will work. Just the way things are set up in those vehicles. Take a single input for instance. Let's say you want the speed sensor signal. On the QX that starts as a square wave digital signal from the transmission and another square wave from the wheel speed sensor. That signal goes to the ABS module that reads it and puts it onto the data network to the amp which converts it again to a PWM signal that then goes to the processor in the actual dash.
On the Q70 the speed sensor starts as an AC waveform that goes to the ABS module and it reads the speed from the modulation and voltage level of that signal, and sends the raw data through the network to the processor in the dash which uses it to drive the stepper motor. Entirely different signal types and methods used which are not interchangeable.
In basic terms what you are trying to do cannot be done unless you were to gut all the wiring and modules out of the QX and replace it all with the systems from the Q70, then you need to reprogram all of the new modules to work with the hard parts in the QX70.
The Q70 dash that you want to use won't work simply because the signals are wrong and the ones it needs are not available.
Sorry but those are the facts.
If you want all of the wiring you can get that by going to www. Eautorepair. Net and entering the information for each vehicle and they will have all of the wiring diagrams there.
But before you do that realize that just because a wire says "speed signal" it doesn't define what the signal actually is, whether it's a digital or analog signal makes a big difference as they are in no way interchangeable. Not trying to be a pain just explaining that what you are trying isn't possible as the only thing those vehicles actually share is the "infinity" label.
Was this
answer
helpful?
Yes
No
Wednesday, December 21st, 2022 AT 7:47 AM

Please login or register to post a reply.