Does the tail/brake/turn signal lights need to be employed for the system to operate correctly

Tiny
TERRI CLINT FLANDERMEYER
  • MEMBER
  • 1997 DODGE RAM
  • 5.9L
  • 6 CYL
  • TURBO
  • 4WD
  • MANUAL
  • 250,000 MILES
Recently took bed off of the truck listed above 3500 extended cab. The front turn signal, hazards, park lights not working. Haven't replaced with flat bed as of yet and don't want to cut factory tail/brake/turn signal light connectors to rig lights to pass inspection, as this is my daily driver.

Tuesday, April 23rd, 2019 AT 5:59 AM

5 Replies

Tiny
STEVE W.
  • MECHANIC
  • 15,682 POSTS
Hello and welcome to 2CarPros. Yes. The lights need to be connected in order for them all to work. They are all part of a monitored system. For the turn and hazard signals to operate they need the correct loading of all lights associated with them or they will not flash. For the marker lights it is mostly the same, If you look close I would bet you also do not have the dash lights as well, that used to be one of the ways you could tell something was wrong with the rear running lights, not sure if they carried it over to the 3500. A thing I have seen done in this type of situation is to remove the wiring and lights from the old box, then zip tie them onto a board attached to the rear of the frame. That lets you use the factory plug as well.
Was this
answer
helpful?
Yes
No
+1
Tuesday, April 23rd, 2019 AT 6:51 AM
Tiny
TERRI CLINT FLANDERMEYER
  • MEMBER
  • 2 POSTS
Much thanks! Finally, some real information.
Was this
answer
helpful?
Yes
No
Thursday, April 25th, 2019 AT 11:56 AM
Tiny
KEN L
  • MASTER CERTIFIED MECHANIC
  • 55,322 POSTS
You are welcome, STEVE W is one of our best!
Was this
answer
helpful?
Yes
No
Thursday, April 25th, 2019 AT 11:57 AM
Tiny
TERRI CLINT FLANDERMEYER
  • MEMBER
  • 2 POSTS
I have re-installed the factory rear tail, brake, park, turn signal light harness to the bed harness and everything checks correctly. I still have no park or turn signal lights on the front (either side) and they are both new. (Installed after a deer incident) only two months before an incident in an intersection that resulted in some new paint and a little frame pulling. My front replacement bumper took most of the impact and didn't even bust either headlight or park/turn signal, which were working perfectly.
The headlights work correctly. The hazards, turn, and park lights don't (front end only).
I've pulled the DS battery box to make sure there's no damage to the harness under and all seems in good order. Checked the harness across the front end and all seems in good order.

Are the circuits separate for front and back?
Are the circuits for hazard, turn and park directed through the headlight switch in the dash?
I've had to replace the light switch in the dash before and it needs replacing again (DC amp load issue, heat warp).
Was this
answer
helpful?
Yes
No
Thursday, April 25th, 2019 AT 1:54 PM
Tiny
STEVE W.
  • MECHANIC
  • 15,682 POSTS
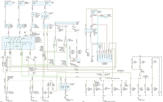
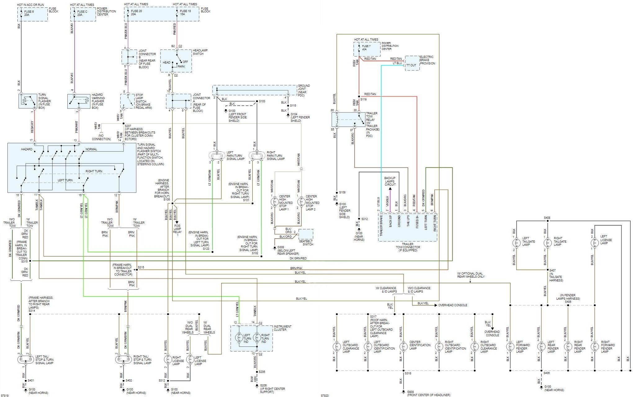
Okay, in that case check that the grounds for the lights are correct. They are in the front behind the headlights and on the inner fender and could have been damaged or disconnected during the crash or after the repairs. Also be sure that the body ground from the battery is connected, have seen that cause issues when it was left off. Easy way to test that is to just run a jumper from battery negative to the body and see if you get lights. Then check at the ground points indicated on the diagram.
Was this
answer
helpful?
Yes
No
Thursday, April 25th, 2019 AT 6:07 PM

Please login or register to post a reply.