PCM replacement

Tiny
JC-842
  • MEMBER
  • 2007 DODGE CALIBER
  • 2.0L
  • 4 CYL
  • 2WD
  • AUTOMATIC
  • 143,000 MILES
When I replace my PCM/ECM will my OBD 11 diagnostics tool connect the new PCM to my VIN?
If I plug it in and turn on the key?
Thanks in advance. JC
Sunday, August 15th, 2021 AT 7:50 AM

41 Replies

Tiny
JACOBANDNICKOLAS
  • MECHANIC
  • 110,192 POSTS
Hi,

A basic OBD 2 scanner won't be able to do this. You need one that communicates with the PCM to add the VIN number and the mileage that was on the vehicle.

I attached the directions below for replacing it.

I hope this helps. Let me know if you have other questions.

Take care,

Joe

See pics below.
Was this
answer
helpful?
Yes
No
+1
Sunday, August 15th, 2021 AT 10:07 PM
Tiny
JC-842
  • MEMBER
  • 181 POSTS
Does it have to be the exact mileage?
The company I bought it from is programing it. I think I was off a few thousand miles. No way of knowing without being able to start it up so it will display. I know it has 140,000 maybe 143,000.
Was this
answer
helpful?
Yes
No
Sunday, August 15th, 2021 AT 10:12 PM
Tiny
JACOBANDNICKOLAS
  • MECHANIC
  • 110,192 POSTS
Hi,

I would error on the side of higher mileage. The only concern is if the mileage is off and you try selling it as a lower mileage vehicle.

I'm glad to hear you found a place to program it for you. There are a few sites that offer plug and play units. I've used them in the past and have been very happy with the results. It makes things a lot faster and easier.

Let me know if there is anything I can do to help.

Take care,

Joe
Was this
answer
helpful?
Yes
No
+1
Sunday, August 15th, 2021 AT 10:33 PM
Tiny
JC-842
  • MEMBER
  • 181 POSTS
Thank you Joe I'm not 100 percent about the mileage but I can contact them and change it to 145000 to be safe. Actually I found 4 different sites that do this plug and play and eBay is one of them. They stress it's very important to match the part number and vehicle specs. To perfection. Discountautoparts, Flashmaster are two that sell plug and play. Guarantee or money back. From $75.00 to $120.00 price range. Remanufactured I'm sure. Thanks for the pictures/video. These are very helpful. JC
Was this
answer
helpful?
Yes
No
Sunday, August 15th, 2021 AT 10:49 PM
Tiny
JACOBANDNICKOLAS
  • MECHANIC
  • 110,192 POSTS
Hi,

You are very welcome. Yes, there are several places. Here is the site I used:

https://www.carcomputerexchange.com/

They were very professional and helpful. They just asked for my vin number.
Please understand, 2CarPros and I have nothing to do with the site, so I'm not trying to sell them. LOL I just replaced my own about 5 months ago and had a good experience with them. And, yes, they remanufacturer them, so you have to send the old one back.

Let me know if there is anything I can do to help.

Take care,

Joe
Was this
answer
helpful?
Yes
No
+1
Monday, August 16th, 2021 AT 7:25 PM
Tiny
JC-842
  • MEMBER
  • 181 POSTS
Thanks Joe, I'll let you know the outcome. I'm really hoping this replacement fixes my problem. I've replaced a lot of new parts and nothing worked. So we finally discovered the two wires going to each coil pack. One brown/power wire. Works. But the blue striped wire which should pulsate when a test light is attached and the engine is turning over did nothing. No current at all. So my understanding is possibly a driver in the PCM is faulty (Hopefully). The car requires a specific battery family 86 I believe 550 CC. That's not what's in the car it's a lesser battery. I'm wondering if it's possible not having the right battery could have caused this PCM issue. What's your opinion? JC
Was this
answer
helpful?
Yes
No
Monday, August 16th, 2021 AT 7:42 PM
Tiny
JACOBANDNICKOLAS
  • MECHANIC
  • 110,192 POSTS
I don't feel that would have damaged the PCM. I remember years ago, we were taught that the CCA was to be equal to or greater than the cubic inch of the engine. That has gone by and things have changed, but lower CCA shouldn't affect the PCM.

As far as the wiring you mentioned, the brown wire with the gray tracer should provide power. If comes from fuse 23 in the power distribution box under the hood. The other wires on each of the 4 coils go to the PCM (all should be a different color). Provides a ground path to complete the circuit. If you weren't getting that ground to any of the coils, there is a good chance the PCM has failed internally.

Let me know what you find.

Joe
Was this
answer
helpful?
Yes
No
+1
Monday, August 16th, 2021 AT 8:21 PM
Tiny
JC-842
  • MEMBER
  • 181 POSTS
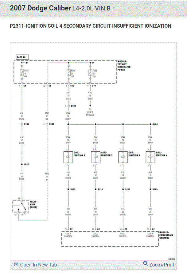
That is exactly right the brown will light up my light but the ground path is
Failing. I never could figure out why I kept getting that same code on cylinder 4 and after replacing the coil
It still came up. Couple weeks ago upon starting the engine it made a loud popping noise and immediately starting running really rough. Throwing the code 2311 for first time. Maybe that's when the PCM finally failed to the point it's not firing any of the plugs properly. I tested all the coils/plugs and got very weak orange spark instead of nice blue spark. That's after replacing the plugs with new ones.
I was actually worried it may have jumped timing but that's a whole different deal if the PCM doesn't fix it.
Thanks for the expert input Joe. JC
Was this
answer
helpful?
Yes
No
Monday, August 16th, 2021 AT 9:37 PM
Tiny
JACOBANDNICKOLAS
  • MECHANIC
  • 110,192 POSTS
Hi,

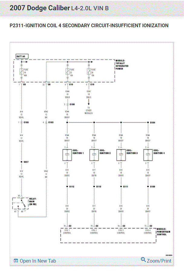
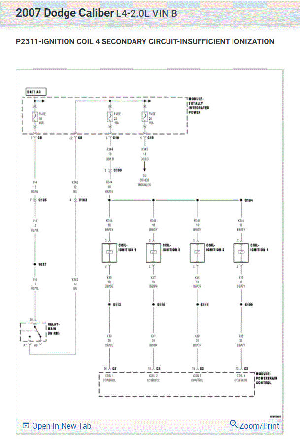
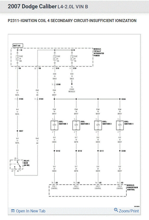
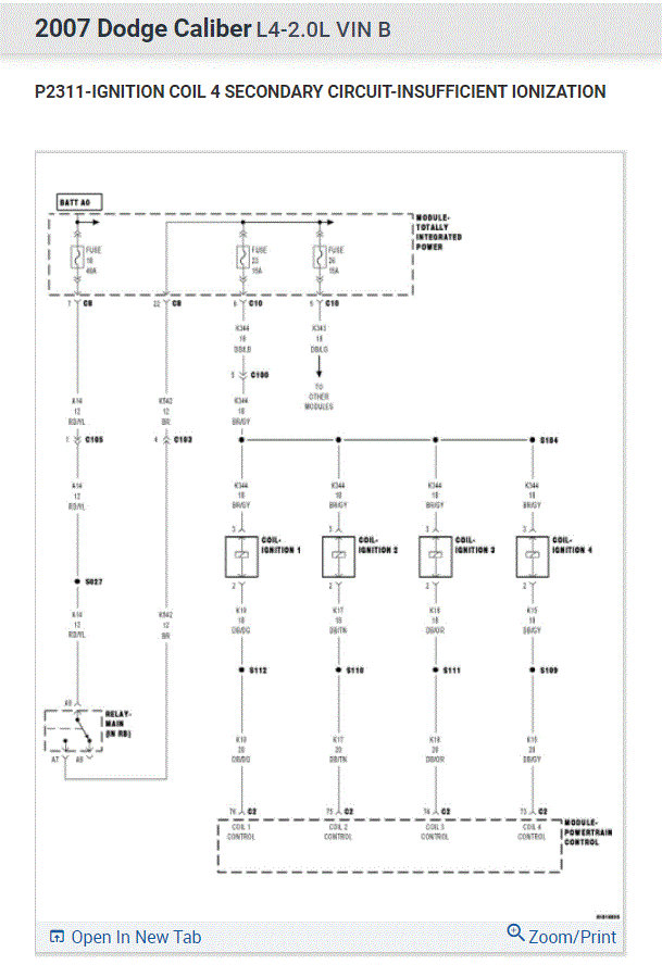
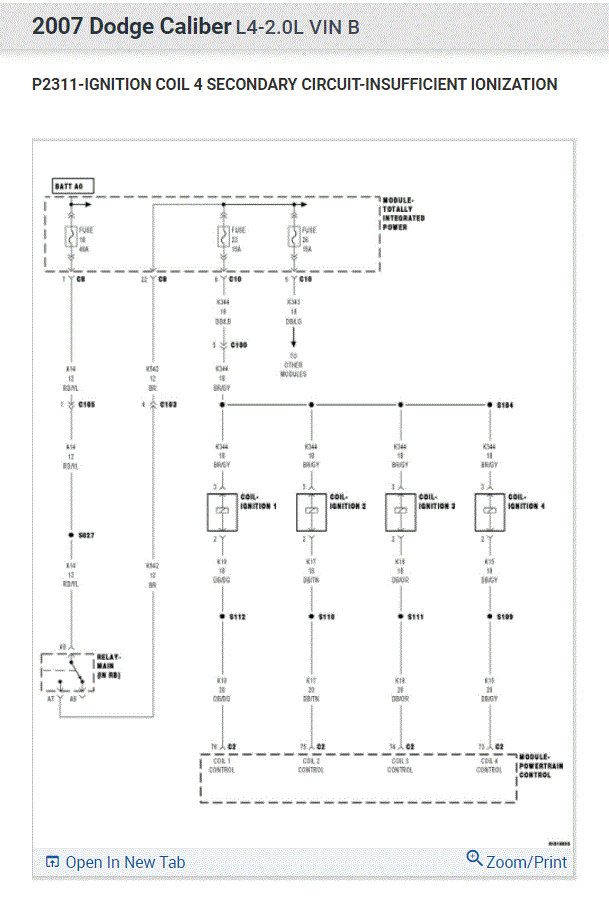
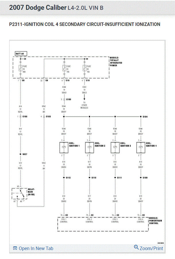
You are very welcome. I also added the diagnostics for the code you indicated. Note that one of the possible problems is the PCM.

Take care of yourself and if you have a chance, let me know how things turn out for you.

Take care,

Joe

See pics below.
Was this
answer
helpful?
Yes
No
Monday, August 16th, 2021 AT 10:52 PM
Tiny
JC-842
  • MEMBER
  • 181 POSTS
Thank you, I Will. JC
Was this
answer
helpful?
Yes
No
Monday, August 16th, 2021 AT 11:19 PM
Tiny
JACOBANDNICKOLAS
  • MECHANIC
  • 110,192 POSTS
Hi, JC.

I haven't heard from you for a couple of days. Have you been able to make any progress? I'm interested in knowing.

Let me know.

Joe
Was this
answer
helpful?
Yes
No
Thursday, August 19th, 2021 AT 10:19 PM
Tiny
JC-842
  • MEMBER
  • 181 POSTS
Good morning Joe, here's the new codes after clearing and restarting the engine. Don't see the the EVAP code though. P2004, P2017, PO113, and P0108. I hope you get this message I left this on an old message received from you a few days ago. Thanks Joe. JC
Was this
answer
helpful?
Yes
No
Friday, August 20th, 2021 AT 7:06 AM
Tiny
JC-842
  • MEMBER
  • 181 POSTS
Joe here's the OB11/CAN reader. This thing does a lot of things. It has a book that gives you the numbers and code explains what code is. I got everything we discussed tool wise. Bought a new manifold absolute pressure switch also. I'm ready to start
The process in of finding out why this thing backfired like it did. And think that will explain everything. Gas and Air mixture not being right I think is problem. Got a wire detection open circuits locator. Got all new coil connectors for harness. Soldering tool and heat shrink if connector have to be replaced. I sent you the codes this morning. Haven't heard anything from you yet. I'm not sure you got the message so I'm waiting for your response. JC
Was this
answer
helpful?
Yes
No
Friday, August 20th, 2021 AT 5:36 PM
Tiny
JACOBANDNICKOLAS
  • MECHANIC
  • 110,192 POSTS
Hi, JC.

I'm glad to hear you got a scanner that has CAN capabilities. You will be happy you got it.

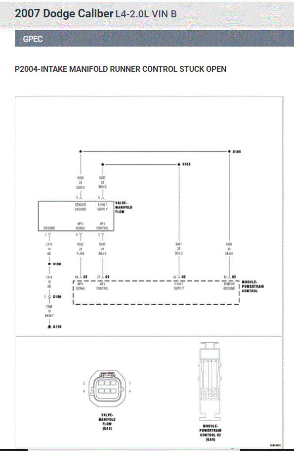
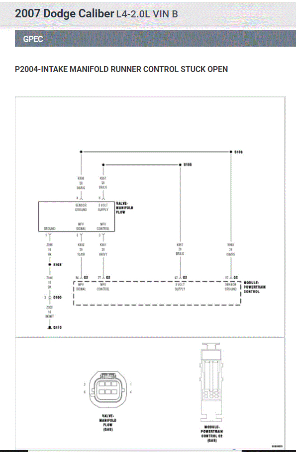
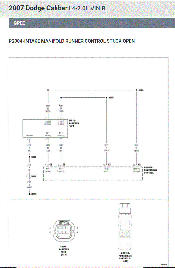
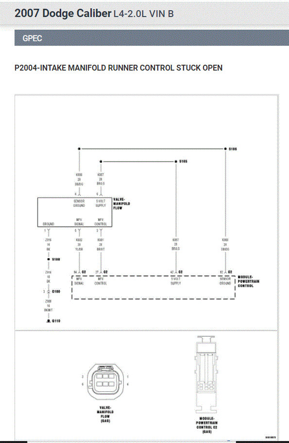
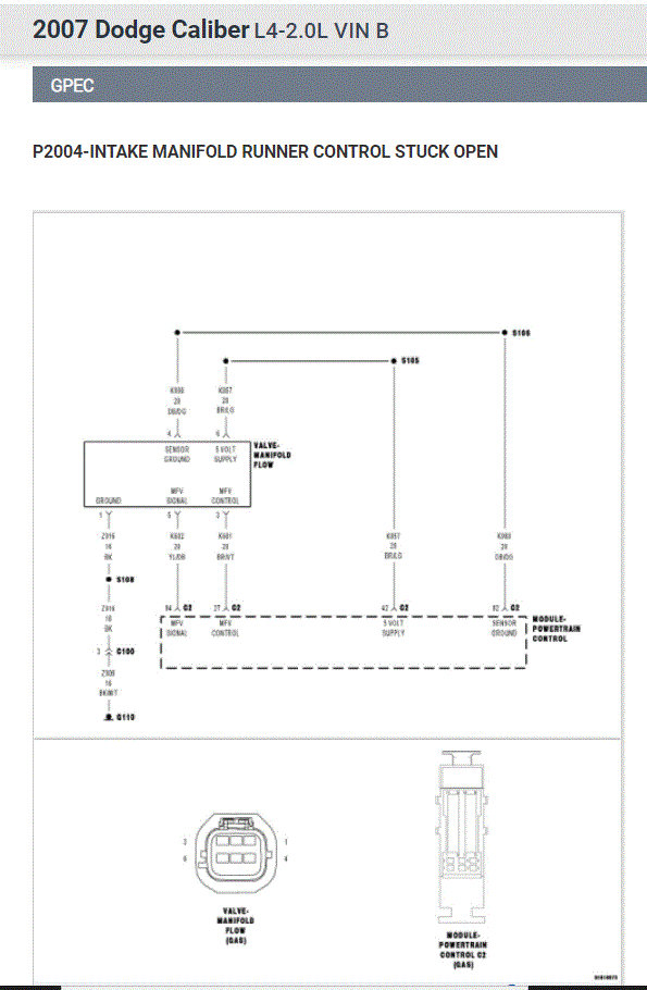
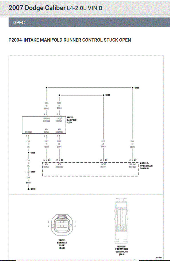
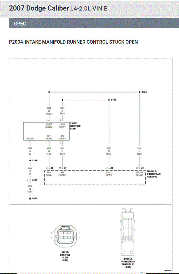
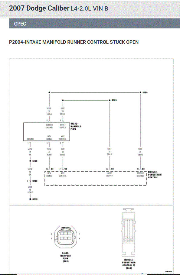
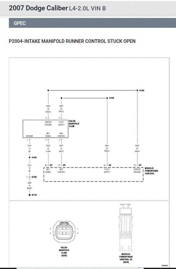
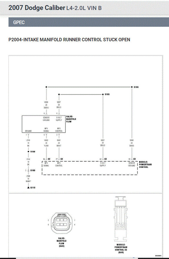
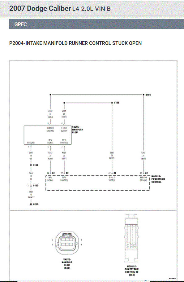
As far as the codes, we have an intake runner problem. P2004 indicates it's stuck open. That could be the result of the backfire. The P2017 is a voltage issue for the runner which is likely being caused by a stuck runner.

Now, if the runner is stuck or damaged, you will need to replace the intake manifold.

I don't think that is what caused the backfire, but we need to check what is going on with it.

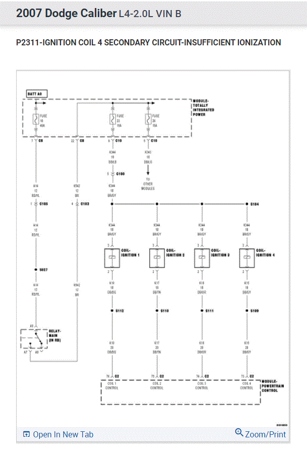
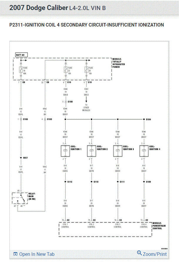
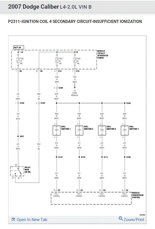
Here is what I'm suggesting. The diagnostics are somewhat extensive, so I am going to start with the P2004 issue. If I send everything to you, chances are you'll throw your computer at me. LOL Let me know if that sounds like a good plan to you.

I attached the diagnostics below. Let me know what you find. Let's look at one thing at a time.

Let me know what you find.

Take care,

Joe

See pics below.
Was this
answer
helpful?
Yes
No
Friday, August 20th, 2021 AT 8:54 PM
Tiny
JC-842
  • MEMBER
  • 181 POSTS
I think one problem at a time is a much better idea. No I've already bought a new intake manifold and gasket and
The runner valve came with it. I will have to take the little piece that attaches the butterfly rod to the runner control valve it has a notch in the end.
And connects the two. It was missing.
The little piece so I'll have to use the one in my old intake. I'll send you a picture.
So you'll know what I'm talking about.
It also did not come with a MAP sensor.
I bought one today I was gonna change the manifold tomorrow anyway. When I get that done we'll see if that fixes that particular code if so we'll move on to number two. It's the notched piece on the end in the photo. It's about two inches long. Goes in the end of butterfly rod assembly.
Was this
answer
helpful?
Yes
No
Friday, August 20th, 2021 AT 9:16 PM
Tiny
JACOBANDNICKOLAS
  • MECHANIC
  • 110,192 POSTS
Yep, I see it. Let me know what happens when you do the work. I'll keep my fingers crossed for you.

Take care,

Joe
Was this
answer
helpful?
Yes
No
+1
Friday, August 20th, 2021 AT 10:37 PM
Tiny
JC-842
  • MEMBER
  • 181 POSTS
Morning Joe I'm installing the new manifold can you tell me are the the butterfly flaps supposed to be open or closed when you install the runner flow valve? They seem to be open and when I pull them closed manually and release them they spring back to open position. I tried to see if there was a way to install the runner valve with them closed and it doesn't seem to work that way. Thanks. JC
Was this
answer
helpful?
Yes
No
Saturday, August 21st, 2021 AT 7:00 AM
Tiny
JC-842
  • MEMBER
  • 181 POSTS
Good new Joe. I swapped manifold and the flow valve and MAP sensor. Started right up lightning bolt went out. Got 4 codes with my new scanner. But what a difference in engine performance. It's not running perfect but a big improvement. So here's the codes: P2004, p2027, po113, PO108.
Was this
answer
helpful?
Yes
No
Saturday, August 21st, 2021 AT 10:30 AM
Tiny
JACOBANDNICKOLAS
  • MECHANIC
  • 110,192 POSTS
JC,

The codes 2004 and 2017 are related to the runner, which is in the manifold. Try clearing the codes to see if the codes return.

If you already did that, let me know.

Joe
Was this
answer
helpful?
Yes
No
+1
Saturday, August 21st, 2021 AT 7:05 PM
Tiny
JC-842
  • MEMBER
  • 181 POSTS
Good morning Joe.

I cleared the codes and rescanned.
I was a little disappointed because the car was missing again. It ran really well yesterday after replacing the intake. But anyway the codes from yesterday disappeared. And two new
Codes this morning. Actually one. One was pending. P2308. Pending is P0303So now I have a new misfire I guess lightning bolt is not returning but the engine light is flashing so cars not drivable. Okay Joe. Thanks, JC.
Was this
answer
helpful?
Yes
No
Sunday, August 22nd, 2021 AT 5:01 AM

Please login or register to post a reply.