Monday, September 26th, 2022 AT 6:45 PM
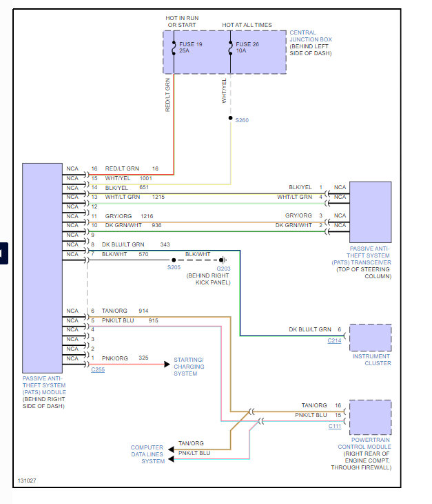
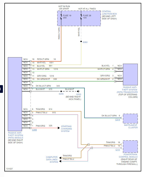
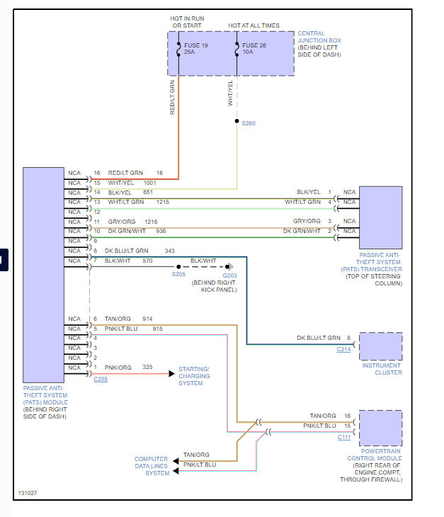
Alright maybe I can get some help here. I changed out my shift tube on my steering column due to it breaking on my truck during a delivery. Well, shortly after returning to the store a customer decided to reach behind the counter and steal the keys. Well, we had the OEM Ford key that the pickup came with off the lot with that was really worn down so we used that to unlock the steering column (no transmitter so we didn't try and start it). Well, we get it home I did as I said above but it sat for a week before I took it to a local Ford dealer and 2 times now (they charged me for both attempts so 4 keys total) that there was an open circuit somewhere and pats code 12 everybody shows a fix with the original key or say take it to a dealer. Keep in mind I did nothing to the key area just to the shift tube. Also, they called and said either come up here and unlock the column or they're going to drill it out so I'm not sure where to start on this issue so I have 3 keys 2 transponders and a pats system that refuses to code the new keys.







