Passenger windows and door locks not working

Tiny
88MUXOWNER
  • MEMBER
  • 2006 HONDA PILOT
  • 3.5L
  • V6
  • 4WD
  • AUTOMATIC
  • 150,000 MILES
The driver side windows work and both up and down but both passenger side windows don't move. Fuses #8 and #16 the window fuse blow instantly, 8 before 16. Somehow when I first replaced the fuses the rear passenger window lowered on its own and the only way I could get it to go back up was to switch the passenger front switch with the rear switch and replace the fuses the window moved up on its own. So, the motor spins in both directions. I could duplicate the sequence, replace fuse and the window moves down with the original switch and back up when I replace the fuses and swap the front and back switches. It looked like fuse 16 held as long as I didn't replace fuse 8. Really weird. I've read site around the internet and some say it's the driver's switch is the problem others say no. Some sites say it's the window switches, other's say it's the window motors/regulator, others say shorted wires at the door, or door switches. The driver switch is crazy expensive. Where do I start without throwing parts at it? A point I thought weird was when the R rear window switch was plugged in the window rolled down on its own and when I switched it out for the front right window switch the window rolled up on its own. The motor was hot to the touch when I first opened the door without moving switches or disconnecting the motor after replacing fuses #8 and #16.

Next, none of the power locks works and fuse for the power lock in the passenger fuse box immediately pops and I can't open the hatchback. I'm pretty sure fuse #12 power door lock is the one that immediately blows when replaced, I didn't even have a chance to press the unlock/lock button before the fuse blew.

Somewhere I'm thinking the wires shorted out. But how? I don't think the power lock and windows are connected anywhere, aren't they two separate systems?
Tuesday, September 28th, 2021 AT 7:50 PM

11 Replies

Tiny
JACOBANDNICKOLAS
  • MECHANIC
  • 110,192 POSTS
Hi,

They are two different circuits. Also, I agree that it is odd. Fuse 16 powers the right rear window and it didn't blow if the right front window was disconnected. (if I understood correctly).

If the fuse fails as soon as you install it, disconnect one harness at a time (at each switch). See if there is one the stops the fuse issues.

Next, the power window switches have power at all times. When you actuate a switch, you are basically providing a ground path is a specific direction through the motor to make it operate. This is where it even gets more confusing. When you used the front switch on the rear window, it goes the opposite direction.

Here is what I believe may be happening. For the rear window to go down on its own, there has to be a ground path being provided at all times. Do me a favor and try this.

On the right front switch there will be a blue wire with a black tracer. That is the power wire from fuse 8. Disconnect the connector at the switch and see if fuse 8 blows.

On the right rear window switch there will be a white wire with a red tracer. Disconnect the switch and see if fuse 16 blows.

Next, there will be a white wire with a red tracer at both switches. Check to see if it provides 12v.

Let me know what you find.

Here is a link you may find helpful:

https://www.2carpros.com/articles/how-to-check-wiring

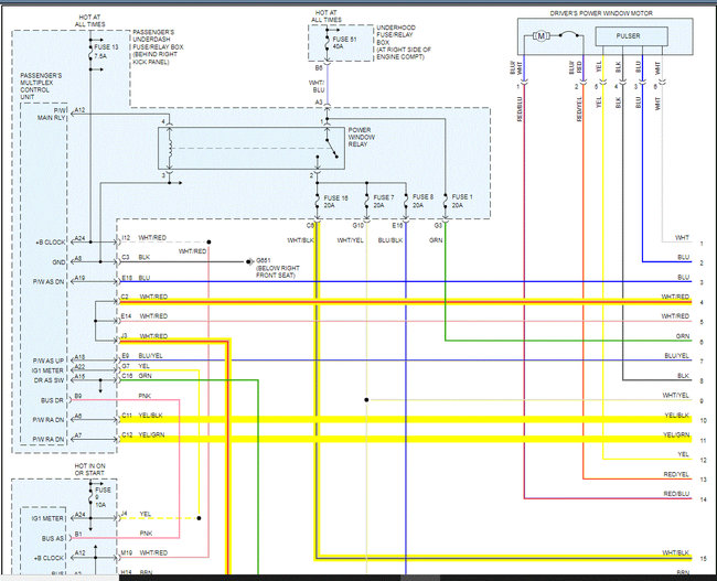
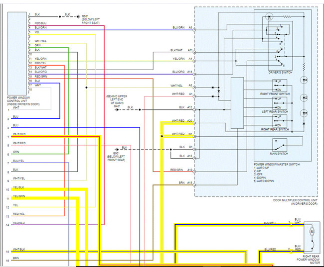
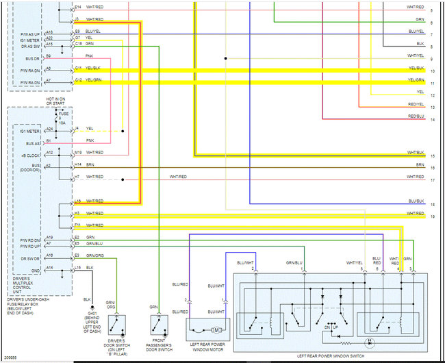
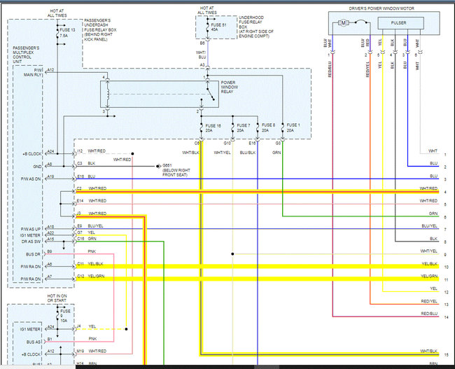
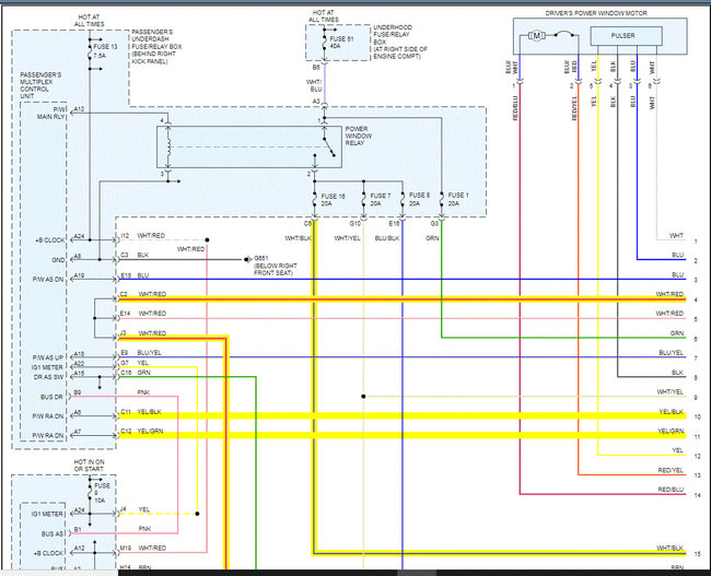
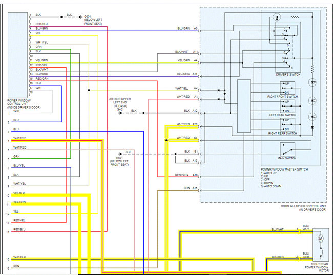
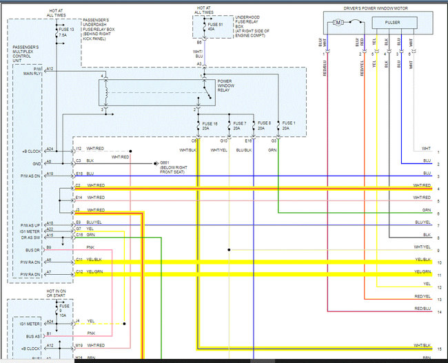
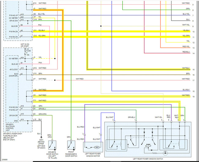
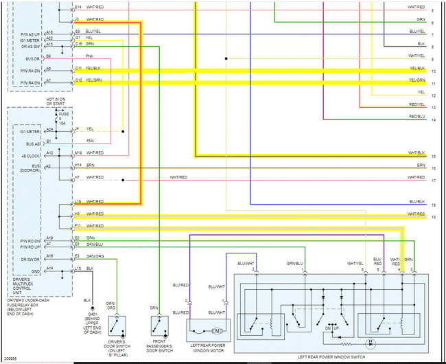
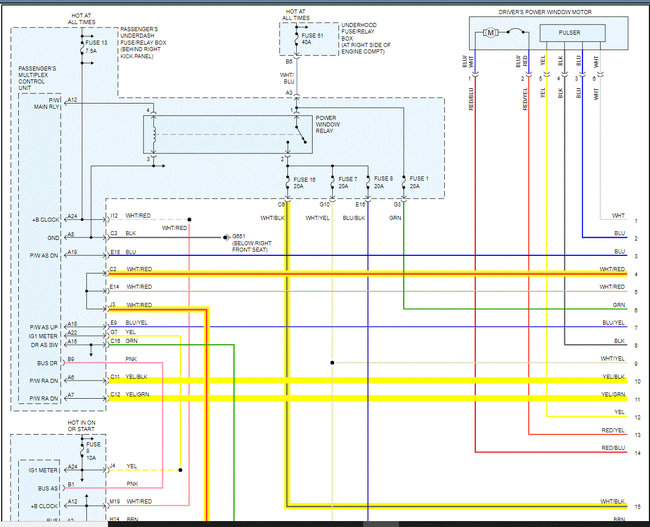
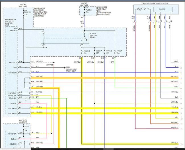
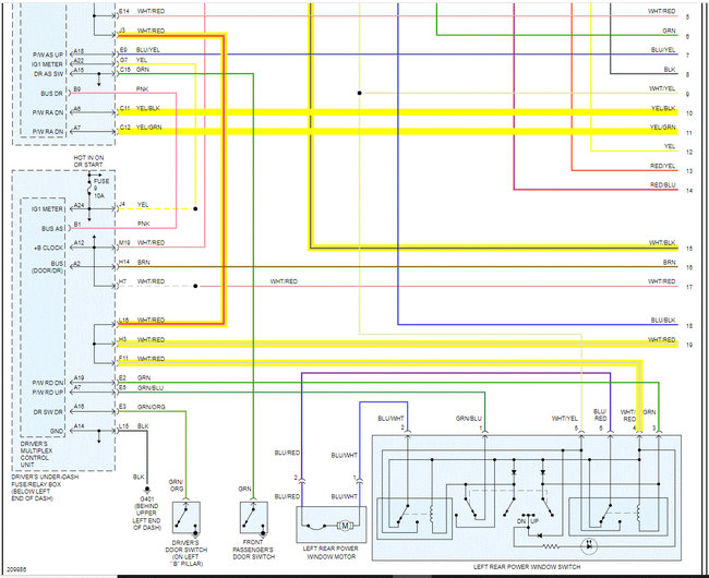
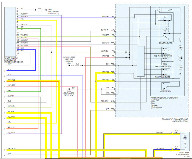
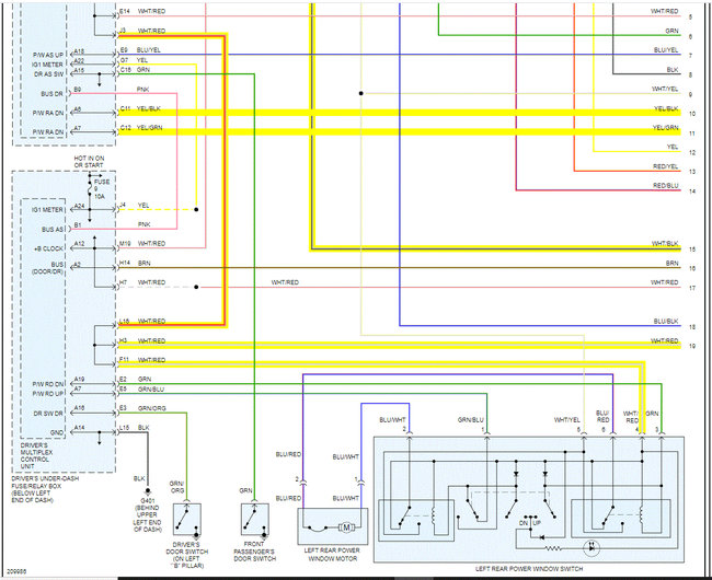
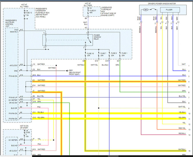
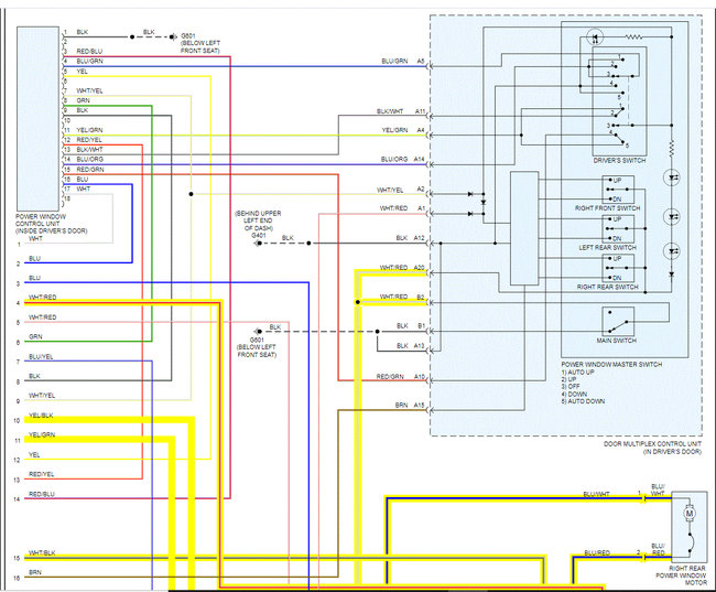
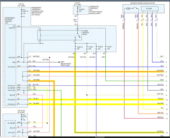
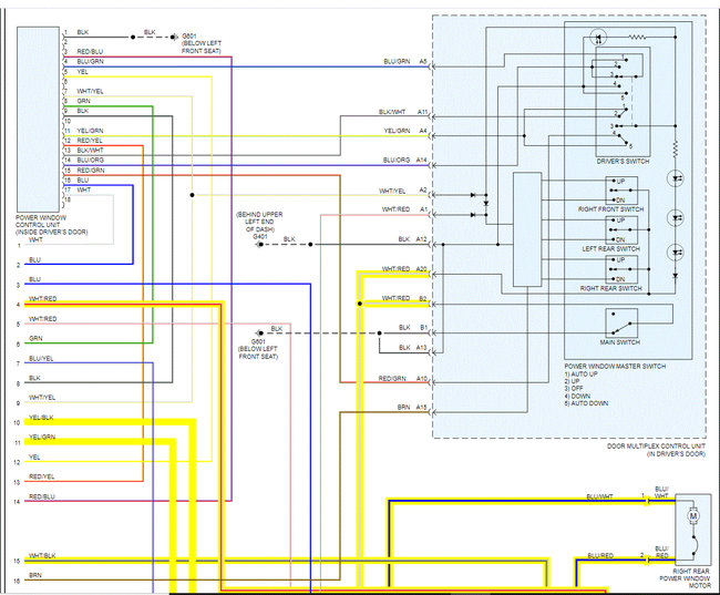
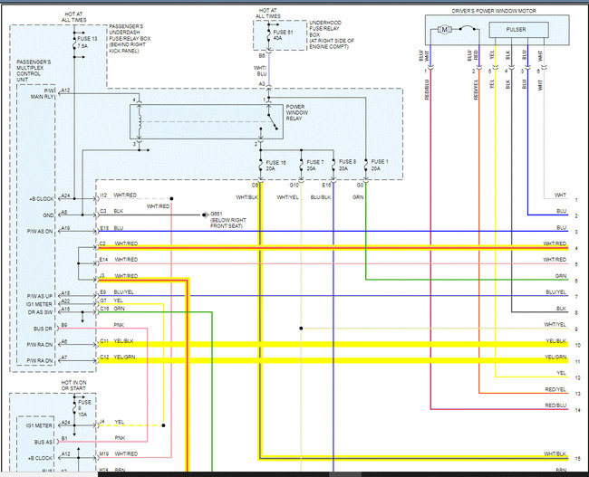
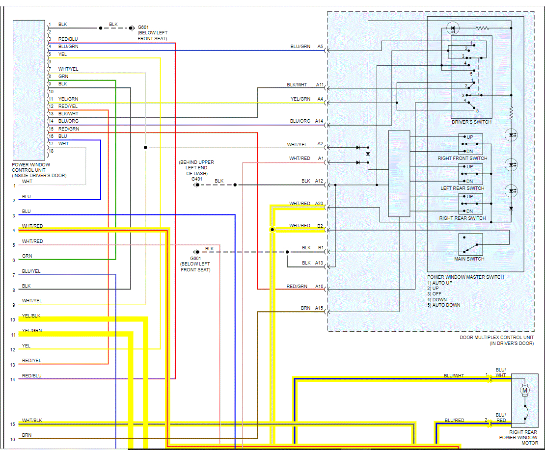
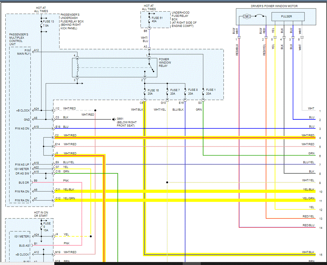
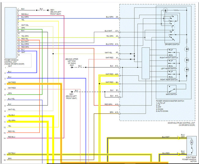
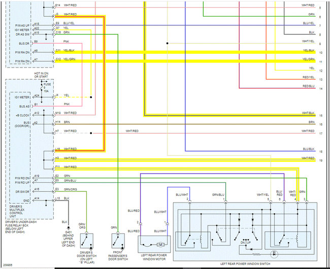
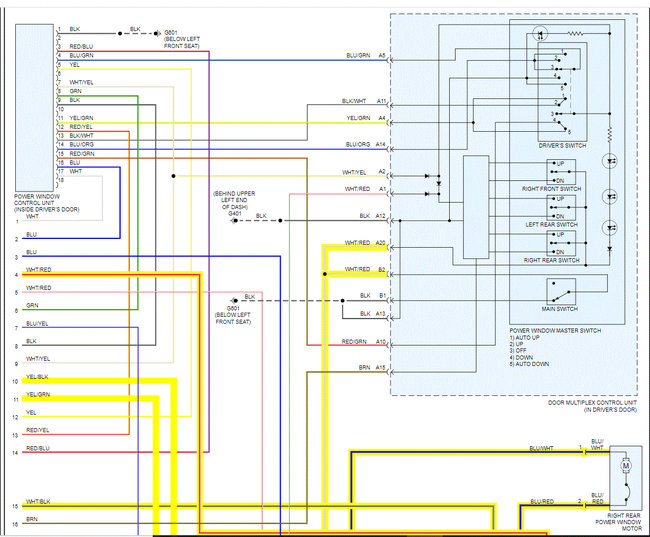
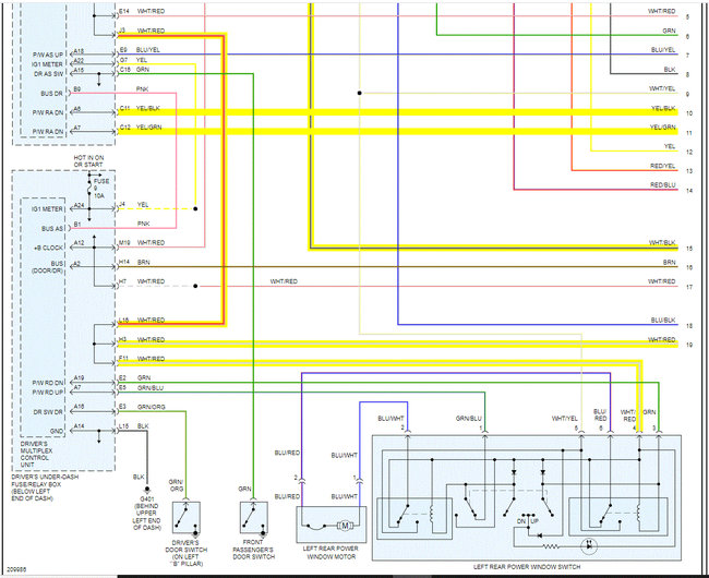
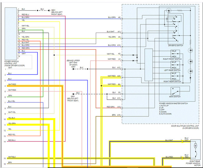
Also, I attached the wiring schematic for the circuit below. It is two pages long, but I had to cut each one in half to make it readable for you. I did overlap them and highlight wiring if interest.
Was this
answer
helpful?
Yes
No
+1
Tuesday, September 28th, 2021 AT 9:34 PM
Tiny
88MUXOWNER
  • MEMBER
  • 9 POSTS
We'll do when I'll keep posting schedule is packed. Am I correct that the Window Control Unit in the driver's door can be eliminated as the cause? Could a shorted window motor be the cause giving the rear right window moved on its own? What about the door locks and the rear hatch, the door lock fuse blows as soon as that's replaced. I believe fuse #7 is the door lock fuse and I'm not sure about the tailgate release fuse. BTW, I forgot to mention supposedly this all happened after the alternator was replaced but the event timeline may not be reliable as I get different event timelines. Thanks.
Was this
answer
helpful?
Yes
No
Tuesday, September 28th, 2021 AT 9:46 PM
Tiny
JACOBANDNICKOLAS
  • MECHANIC
  • 110,192 POSTS
Hi,

It still could be a few different things. It could even be related to the can-bus. If you haven't, you may want to scan the can to see if there are codes stored.

CAN stands for controller area network. Basically, all the different modules are tied together via a few wires. If you scan the CAN, it will retrieve codes regardless of the module they are stored in.

Here is a quick video showing it being done:

https://youtu.be/u-4syLc-ifQ

As far as the tail gate and the door locks, I need to know if this is an EX, EXL, or LX. The schematics are different. One thing they do have in common is they all seem to be powered via the driver's multiplex control unit.

Let me know.

Joe
Was this
answer
helpful?
Yes
No
+2
Wednesday, September 29th, 2021 AT 7:34 PM
Tiny
88MUXOWNER
  • MEMBER
  • 9 POSTS
It's a 2006 Pilot EX with 3.5L engine auto trans. Can a OBDII scan tool that's CAN capable get the body codes from this Pilot. I saw that Honda uses a service connector, part 07WAZ-001010A that connects to the MCIC plug under the steering wheel to retrieve the DTC. I should have one next week. I hope I didn't order one for nothing, didn't think to try the scan tool.
Was this
answer
helpful?
Yes
No
Wednesday, September 29th, 2021 AT 7:50 PM
Tiny
JACOBANDNICKOLAS
  • MECHANIC
  • 110,192 POSTS
Hi,

To the best of my knowledge, that is the only way to do it. The part you indicated above is basically a jumper wire with a plug on it. See pic below.

I feel scanning the system will point us in the right direction. I actually have specific tests related to each of the codes. Hopefully, this will point us in the right direction.

Let me know what you find.

Joe
Was this
answer
helpful?
Yes
No
+1
Wednesday, September 29th, 2021 AT 8:50 PM
Tiny
88MUXOWNER
  • MEMBER
  • 9 POSTS
I won't have the jumper until next week to get any body codes. I hoped that my CAN capable scan tool would work but the Honda Factory Service Manual says to use the jumper. Is there any thing special about the jumper (like a ballast type wire) or can I just use a regular wire with two mini female spade terminals? If I can then I don't have to wait for the jumper.
Was this
answer
helpful?
Yes
No
Wednesday, September 29th, 2021 AT 9:13 PM
Tiny
JACOBANDNICKOLAS
  • MECHANIC
  • 110,192 POSTS
Hi,

It should just be a jumper wire with the plug, no ballast.

Let me know what you find.

Joe
Was this
answer
helpful?
Yes
No
Thursday, September 30th, 2021 AT 7:07 PM
Tiny
88MUXOWNER
  • MEMBER
  • 9 POSTS
I should have the jump tomorrow then I'll pull the knee bolster under the steering wheel and see what codes are there.
Was this
answer
helpful?
Yes
No
Thursday, September 30th, 2021 AT 9:40 PM
Tiny
JACOBANDNICKOLAS
  • MECHANIC
  • 110,192 POSTS
Hi,

That sounds like a plan. Let me know if there is something I can help with.

Take care,

Joe
Was this
answer
helpful?
Yes
No
+1
Friday, October 1st, 2021 AT 7:01 PM
Tiny
88MUXOWNER
  • MEMBER
  • 9 POSTS
I forgot I have a power probe short circuit finder not sure how well they work, guess going to find out, it's supposed to even tell if a switch is bad as well as wiring. Bought it long ago I guess it's going to get its first use and not be a dust collecting paperweight. I hope quickly and accurately works well, would be great to make a quick accurate diagnosis. Ever use one yourself?
Was this
answer
helpful?
Yes
No
Friday, October 1st, 2021 AT 9:14 PM
Tiny
JACOBANDNICKOLAS
  • MECHANIC
  • 110,192 POSTS
Hi,

I haven't used one. I know people that have, and they like them. Hopefully, it will work well for you.

Let me know.

Joe
Was this
answer
helpful?
Yes
No
Friday, October 1st, 2021 AT 9:30 PM

Please login or register to post a reply.