Monday, August 21st, 2023 AT 2:41 PM
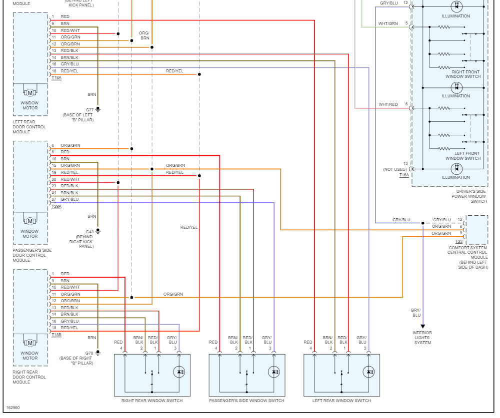
I have the vehicle listed above Polo 9n and the passenger side window works for a small amount of time and then completely stops no clicking/sound from motor when button is pressed. The only way I can get it to work again is to remove the door card and unplug the motor for 30 seconds and then it works again for a short period. I have checked the wiring in the door and in between all seems fine. I have also changed the motor and switch but having no success in a normal working window. Please help


