Wednesday, October 21st, 2020 AT 7:36 AM
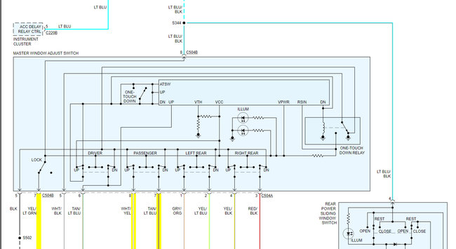
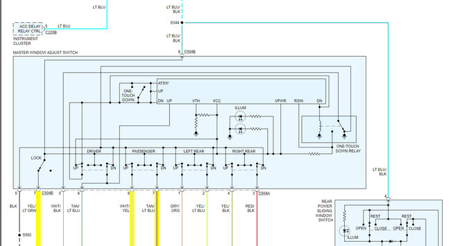
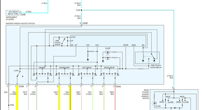
My passenger side window is not going up but with go down. I’m just going to get the motor replaced I want to buy the part. But don’t really know what part is right my truck is the 4 door 2 front full 2 back half.




