Passenger side headlight low beam is not working

Tiny
ZUHAIRMOHAMMED
  • MEMBER
  • 2008 TOYOTA SIENNA
  • 3.5L
  • V6
  • 4WD
  • AUTOMATIC
  • 103,000 MILES
Van listed above is the LE model. I have tested the bulbs and the fusses and the relay, they are fine, the power +12V goes to the relay and from the relay. It goes to the left and right fusses(15A) and it goes out from the fusses, but, it doesn't reach the headlight low beam bulb connector. Any suggestions my friend?



Note: the driver side low beam headlight is working normally and also the high beam headlights are working normally too.
I didn't found the hot on the plug, I found only the ground.
Friday, December 13th, 2019 AT 2:52 PM

15 Replies

Tiny
KASEKENNY
  • MECHANIC
  • 18,907 POSTS
Excellent job so far and giving us the facts. This is almost surely a wiring issue coming out of the fuse to the lamp. If it were me, I would just cut the wiring coming out of the fuse about 5 inches and the same at the bulb. Then run a new wire from each end to end. You can start with just running this crudely outside the vehicle or the most direct path just to make sure the lamp works. I have a 10 foot reel or test wire with alligator clips that I would just hook up and if the light works the solder in the permanent wire and secure it in place.
Was this
answer
helpful?
Yes
No
+1
Saturday, December 14th, 2019 AT 4:25 PM
Tiny
ZUHAIRMOHAMMED
  • MEMBER
  • 5 POSTS
Thank you so much for the replay, I doubted that because nothing left to test, the problem is where can I find the right wire, it can take the 15A and the heat and the cold like the original and how much feet would I need?
Was this
answer
helpful?
Yes
No
+1
Saturday, December 14th, 2019 AT 9:34 PM
Tiny
KASEKENNY
  • MECHANIC
  • 18,907 POSTS
You will need to cut and solder the new wiring in. Then protect it with heat shrink. Here is a video on how to do that:

https://youtu.be/6EiIDNEiB_U

Also, any parts store will sell the proper wiring. Normally they come in 50 foot rolls which should be more than enough. I would get 12 or 14 gauge but you can compare the thickness of the wire that is currently used with the replacement. It is okay if it is slightly larger but it should not be smaller.
Was this
answer
helpful?
Yes
No
+1
Sunday, December 15th, 2019 AT 3:37 PM
Tiny
ZUHAIRMOHAMMED
  • MEMBER
  • 5 POSTS
Do you know any video for the opening of the fuses unit for sienna 2008?
Was this
answer
helpful?
Yes
No
-1
Monday, December 16th, 2019 AT 1:22 PM
Tiny
KASEKENNY
  • MECHANIC
  • 18,907 POSTS
Unfortunately I do not. I looked online and didn't find any. Sorry I can't be of more help with that one.
Was this
answer
helpful?
Yes
No
+1
Wednesday, December 18th, 2019 AT 2:22 PM
Tiny
ZUHAIRMOHAMMED
  • MEMBER
  • 5 POSTS
Thank you so much, I found the wires like four wires 25 feet as ribbon, at Auto-advance and I bought it, I need to open the fuse unit and be sure that nothing wrong with the connection of the low beam wire from there before doing anything if it was connected normally then I will change the wire, I need a worm day to do that, thank for the replay and sorry to take to long for replaying, because I found the massage in the social, not inbox, Happy holidays.
Was this
answer
helpful?
Yes
No
Sunday, December 22nd, 2019 AT 11:34 PM
Tiny
KASEKENNY
  • MECHANIC
  • 18,907 POSTS
Understood. You can just test the voltage on the wire coming out of the panel and if you have voltage there then you know the connection is okay.

I am not sure what happened but I have been getting them in Social as well. It didn't use to do that. I am thinking the website is being picked up as a social network now. If you are using Gmail, I suspect it is on their end.

Let me know what you find and we can go from there. Thanks. Happy Holidays to you as well
Was this
answer
helpful?
Yes
No
Monday, December 23rd, 2019 AT 7:22 PM
Tiny
ZUHAIRMOHAMMED
  • MEMBER
  • 5 POSTS
Happy Holidays, before the bulb connector with 2cm, I made a very small cut and used the AVOmeter to test the contact between the wire and the connector hole (that the bulb (+12) pin that goes in it), it was working the problem starts from the fuse unit to the bulb connector, I tried to open the fuse unit, I need to see is the wire soldered with the unit or it's a connector, if it was soldered, I need to be sure it still contacts or not and test the wire from the solder point to the bulb connector, to be sure if the wire had a cut on the way and if it wasn't solder, it was connector I will test from the fuse to the out of the connector and from the fuse unit connector to bulb connector.
I tried to open the fuse unit, but, I didn't know how, I'm waiting to find a way to.
Was this
answer
helpful?
Yes
No
Wednesday, December 25th, 2019 AT 4:33 PM
Tiny
KASEKENNY
  • MECHANIC
  • 18,907 POSTS
I am sure there is a way to take it apart but I am not finding a process or have ever done it so unfortunately I will not be of much help on this one. I will ask around and see if anyone has taken apart this fuse panel.
Was this
answer
helpful?
Yes
No
Friday, December 27th, 2019 AT 5:47 PM
Tiny
MARINE83
  • MEMBER
  • 1 POST
  • 2008 TOYOTA SIENNA
  • 94,256 MILES
Okay, so I have a 08 Toyota sienna and when I turn the head lights on the dash lights go out and when I turn the head lights off the dash lights come back on what do I do cause I cant drive at night
Was this
answer
helpful?
Yes
No
Monday, December 14th, 2020 AT 7:25 PM (Merged)
Tiny
KEN L
  • MASTER CERTIFIED MECHANIC
  • 55,322 POSTS
Check the dimmer control. Ensure it is not turned to minimum dimness. If okay I would say the headlight switch is out but we can sure by checking the power of switch.

https://www.2carpros.com/articles/how-to-use-a-test-light-circuit-tester

I would check the fuses to start though.

https://www.2carpros.com/articles/how-to-check-a-car-fuse

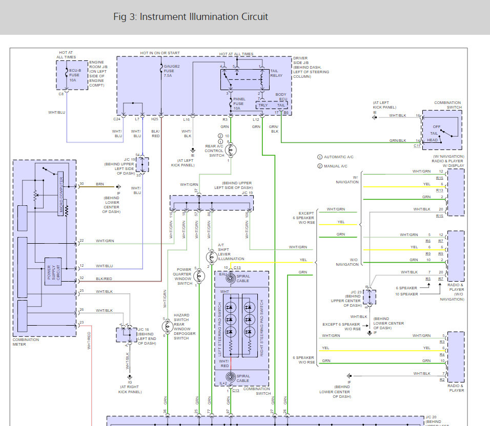
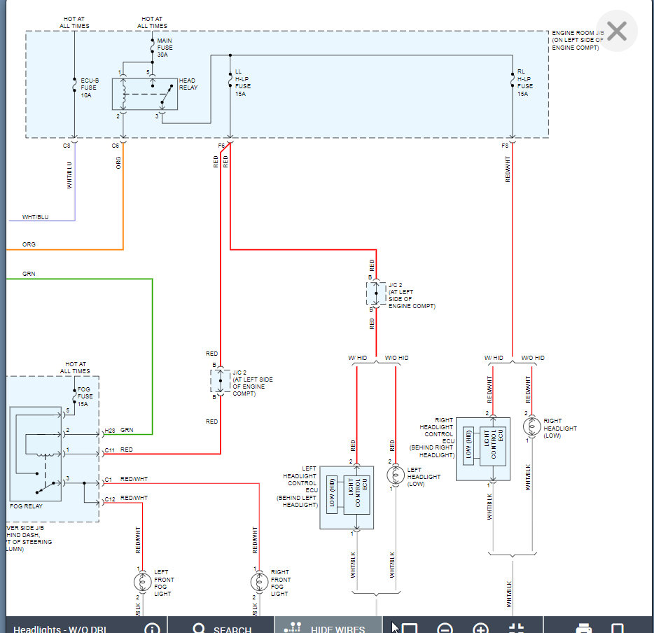
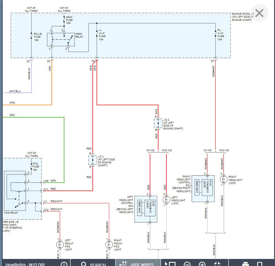
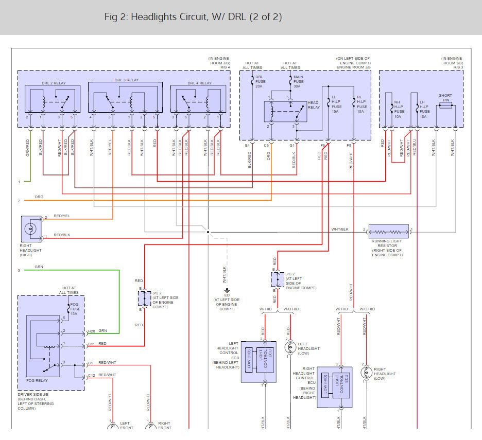
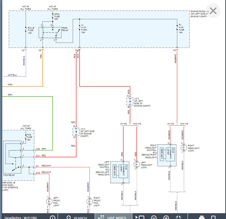
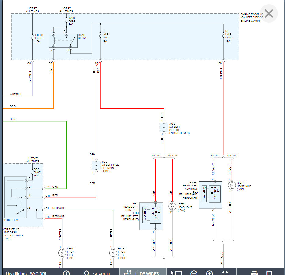
Check out the diagrams (Below)

Please let us know if you need anything else to get the problem fixed.

Cheers, Ken
Was this
answer
helpful?
Yes
No
+1
Monday, December 14th, 2020 AT 7:25 PM (Merged)
Tiny
GARRYBLUE
  • MEMBER
  • 2 POSTS
  • 2004 TOYOTA SIENNA
  • AUTOMATIC
I want to know how to check and repair this please
Was this
answer
helpful?
Yes
No
Monday, December 14th, 2020 AT 7:25 PM (Merged)
Tiny
CARADIODOC
  • MECHANIC
  • 34,468 POSTS
Have you checked for burned out bulbs?
Was this
answer
helpful?
Yes
No
+2
Monday, December 14th, 2020 AT 7:25 PM (Merged)
Tiny
GARRYBLUE
  • MEMBER
  • 2 POSTS
Yes I have. The bulbs work out of the van on a battery charger
Was this
answer
helpful?
Yes
No
+1
Monday, December 14th, 2020 AT 7:25 PM (Merged)
Tiny
CARADIODOC
  • MECHANIC
  • 34,468 POSTS
Dandy. We got the obvious out of the way. I would even have been happy with a visual inspection, but failure of both at the same time would not be common. The next thing is to do some checks at one of the sockets. To make it easier. Leave both bulbs unplugged. With the headlights turned on bright, you should find 12 volts on one terminal. A test light or a digital voltmeter can be used. If you find that, check it again with the other bulb plugged in. If that 12 volts is still there, we have to fix the ground circuit. If it goes away with one bulb plugged in, there's a break in the wire or switch that we have to find. Turn the head light switch off, then recheck for that 12 volts again. If it's still there, the switching is done on the ground side and will be a little more involved.

If you don't find 12 volts, first look if there's a head lamp relay in the fuse box under the hood. If there is, we can use that to do more diagnosis. If there's a low beam and a high beam relay, switch them to see if now the low beams don't work. Relay failure is not common, but that's a quick test.
Was this
answer
helpful?
Yes
No
+1
Monday, December 14th, 2020 AT 7:25 PM (Merged)

Please login or register to post a reply.