Passenger side headlight is dim

Tiny
JAMESP1971
  • MEMBER
  • 1998 CHEVROLET CAVALIER
  • 2.2L
  • 4 CYL
  • 2WD
  • AUTOMATIC
  • 126,446 MILES
Need to find the ground wire.
Monday, March 8th, 2021 AT 6:50 AM

1 Reply

Tiny
JACOBANDNICKOLAS
  • MECHANIC
  • 110,192 POSTS
Hi,

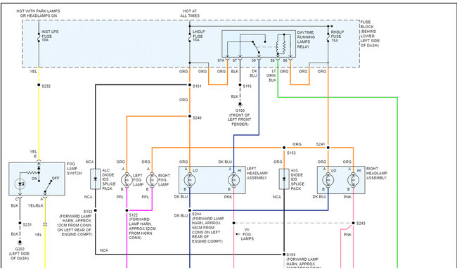
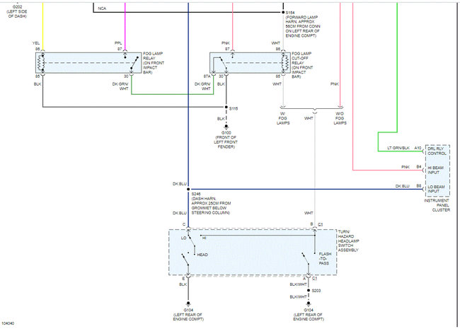
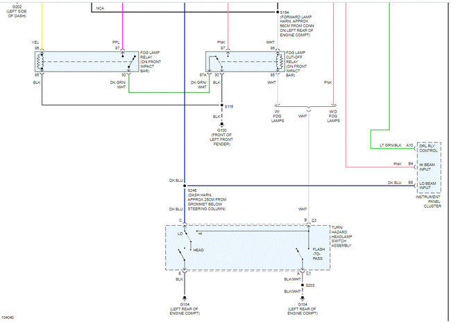
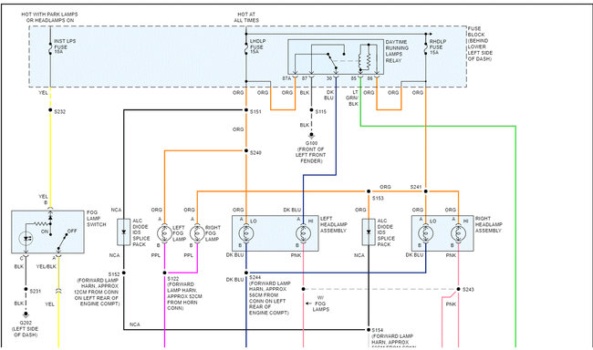
The ground is at the left rear of the engine compartment. Here is the thing. Power is supplied to the light and then grounded via the switch. Both lights use the same ground. So, I suspect you have a bad connection in the light socket. Check that first.

I attached the entire wiring schematic below for the headlamps. I had to cut the one pic in 2 so you could read them, but I did overlap them so you could follow them easier.

Here is a link you may find helpful:

https://www.2carpros.com/articles/how-to-check-wiring

Let me know what you find or if you have other questions.

Take care and God Bless,

Joe
Was this
answer
helpful?
Yes
No
Monday, March 8th, 2021 AT 6:10 PM

Please login or register to post a reply.