Monday, April 10th, 2023 AT 3:25 AM
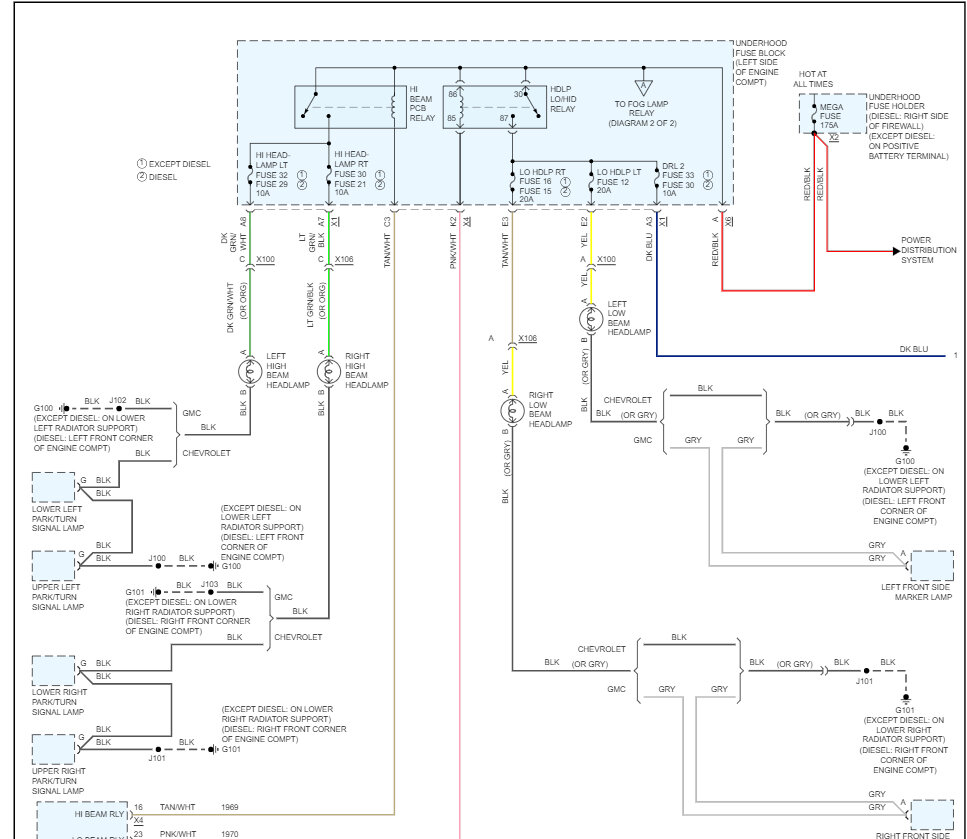
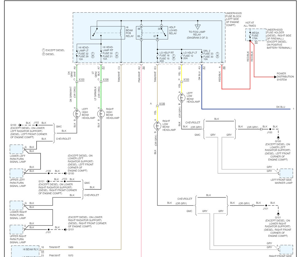
Hello, and thank you for answering my question. My truck listed above the (R) side low beam headlamp isn't working but the bulb is good. I thought the bulb was at fault and replaced it only to find it still not working. Tested the new bulb with a power supply and it worked. I have checked the hdlmp fuses and they are good. I'm looking for the schematic of this circuit to further test it. Thanks for any assistance you can offer.





