Passenger (left side) headlight turns on then almost immediately goes out

Tiny
IMCKEEN
  • MEMBER
  • 2005 VOLVO S60
  • 2.4L
  • 5 CYL
  • 2WD
  • AUTOMATIC
  • 230,000 MILES
However, if I switch the lights on before I start the engine the lights work okay.
Sunday, April 4th, 2021 AT 2:55 PM

1 Reply

Tiny
JACOBANDNICKOLAS
  • MECHANIC
  • 110,194 POSTS
Hi,

That is really odd. The best thing to do with something like this is to start checking connections and grounds. Something could be loose or corroded.

I do have a question. If the engine is warm and you start the engine first, does the same thing happen? Also, here is a link you may find helpful:

https://www.2carpros.com/articles/how-to-check-wiring

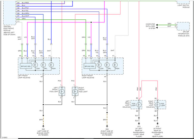
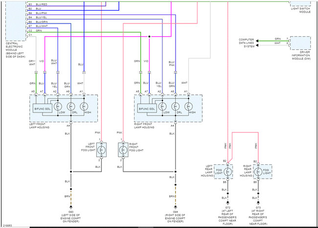
I attached the wiring schematic for the headlamp system. I had to cut the pic in half to make it readable, but I did overlap them so you can easily follow. Check the connectors at the headlamps, the grounds, and make sure fuses are not corroded.

Let me know what you find.

Joe
Was this
answer
helpful?
Yes
No
Monday, April 5th, 2021 AT 6:29 PM

Please login or register to post a reply.