Passenger headlight bulb was out?

Tiny
JIMMY2026
  • MEMBER
  • 2015 BUICK ENCLAVE
  • 3.6L
  • 6 CYL
  • 2WD
  • AUTOMATIC
  • 169,732 MILES
I noticed my headlight bulb was out on the passenger side so I replaced it with a new one and it still didn’t work then got a new ballast for it and replaced it as well and it still didn’t come on
Monday, March 2nd, 2026 AT 6:54 AM

4 Replies

Tiny
KEN L
  • MASTER CERTIFIED MECHANIC
  • 55,488 POSTS
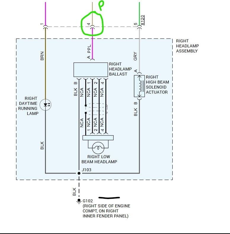
Hello, So you need to check the right side headlight fuse, (RT Lo Beam) for power and to make sure the fuse is good. The fuse is located under the hood on the right side, here is a video to help you check it.

https://www.youtube.com/watch?v=G-xNK79Wa-w

Check out the images (below). Please let me know what you find. Ken
Was this
answer
helpful?
Yes
No
Tuesday, March 3rd, 2026 AT 9:39 AM
Tiny
STEVE W.
  • MECHANIC
  • 15,697 POSTS
As you say it is only the right side that is out then the first place to look would be the fuse for that bulb. That fuse is in the fuse box under the hood labeled as low beam right. That gets power from the low beam relay. The feed from the relay splits to feed both front bulbs. As you still have the left side light and the high beam isn't a bulb but just a shutter that fuse is the starting point. It then feeds power out on the Tan with white stripe wire to the bulb. The lamp assembly has a ground wire to take care of all the pieces. Testing isn't difficult. Go to the fuse box with a test light. Connect to a ground and then test the fuse on both ends, visual may not tell you there is a problem. If the fuse tests good then you need to unplug the lamp assy. Turn the lights on high beam. Then use the test light to probe for power. The Light Green, Tan/white and Purple should all show power. If they do then test the black wire for ground, use a pin to touch the power from one of the wires, then check the Black wire. If it lights the circuits all test good. I suspect that there is either a bad fuse or the tan wire or connectors has a problem where it feeds the bulb.
Was this
answer
helpful?
Yes
No
Tuesday, March 3rd, 2026 AT 9:59 AM
Tiny
KEN L
  • MASTER CERTIFIED MECHANIC
  • 55,488 POSTS
Nice teamwork Steve :)
Was this
answer
helpful?
Yes
No
Tuesday, March 3rd, 2026 AT 10:11 AM
Tiny
STEVE W.
  • MECHANIC
  • 15,697 POSTS
We'll see. Although on those I've seen the bower wire melt if the ballast shorts.
Was this
answer
helpful?
Yes
No
Tuesday, March 3rd, 2026 AT 7:38 PM

Please login or register to post a reply.