The passenger side power window intermittently works no matter which button is used?

Tiny
BURGY
  • MEMBER
  • 2003 DODGE GRAND CARAVAN
  • 200,000 MILES
I can't trust to get the window back up. Once I banged on door and it came up (some time ago). How can I tell if it needs a new window motor or new switch?

Problem2: passenger door lock switch will not lock all doors. It unlocks them, but I have to go to the driver's door to relock all doors. Again, is this the switch or an actuator problem?
Saturday, August 5th, 2023 AT 6:22 PM

1 Reply

Tiny
JACOBANDNICKOLAS
  • MECHANIC
  • 110,194 POSTS
Hi,

There are a few things that could cause this. As far as the lock is concerned, I suspect the switch is the issue since it always works from a different location. The window is likely the switch as well, but to make sure, we need to check if there is power to it at all times.

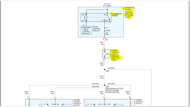
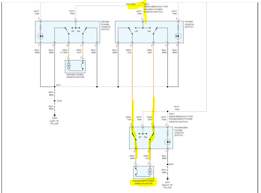
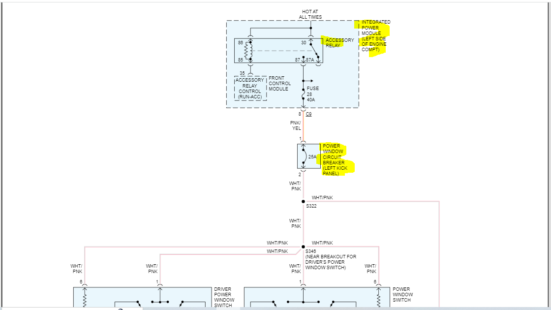
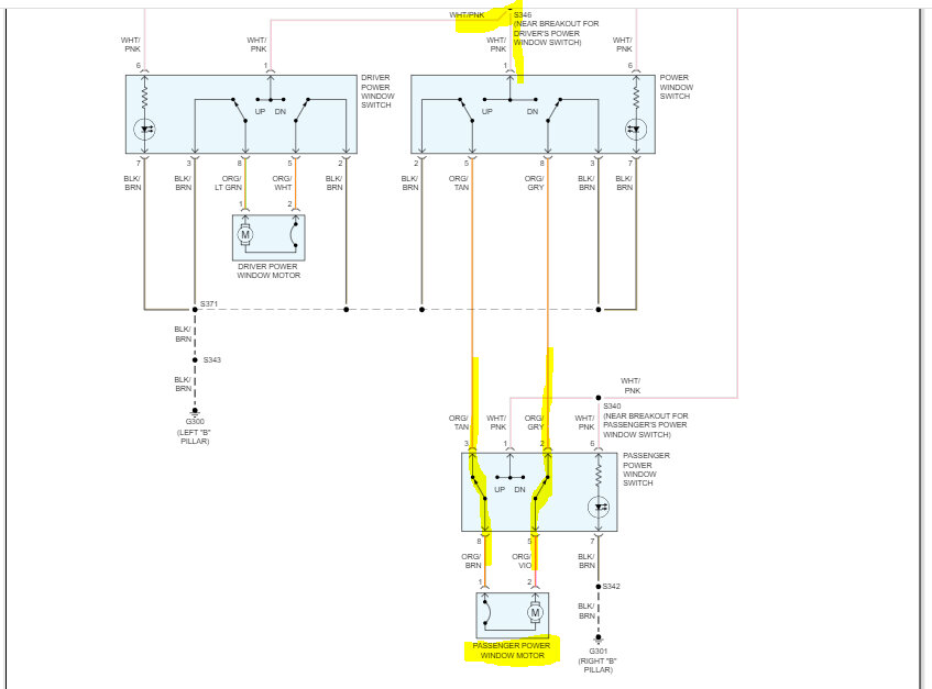
I attached the wiring schematic below for the circuit. At the passenger door switch, you will find a white wire with a pink tracer. That wire should have power when the key is in the run position. I need you to check that for me. If there is constant power at that wire, then we need to check if there is power out at the orange wire with a tan tracer or the orange wire with a gray tracer based on the switch position. If that checks good, go to the motor itself, and check if it is getting power when any of the switches are actuated. If it does, replace the motor. If it doesn't, confirm there is no damage to the connector pins at the motor.

Here is a link you may find helpful:

https://www.2carpros.com/articles/how-to-check-wiring

Let me know what you find or if you have questions.

Take care,

joe

See pics below.
Was this
answer
helpful?
Yes
No
Saturday, August 5th, 2023 AT 10:39 PM

Please login or register to post a reply.