Passenger rear window does not work with Master switch

Tiny
CHAD VALLIERE
  • MEMBER
  • 2001 GMC SIERRA
  • 6.0L
  • V8
  • 4WD
  • AUTOMATIC
  • 218,000 MILES
Master switch rolls down all windows except passenger rear. And all windows roll down with their dedicated switches. Looking for wiring diagrams for if anyone can tell me what wires to test with a test light that would be very helpful.
Saturday, December 31st, 2016 AT 10:46 AM

14 Replies

Tiny
CARADIODOC
  • MECHANIC
  • 34,468 POSTS
If you have some switches from a salvage yard, trying different ones is the fastest test. If you would prefer, I can look at a wiring diagram to get the wire colors, but you still have to pull the switches to get to the test points.

It is important to understand that each switch has four switch contacts built in. Two of them are, in effect, turned on when that switch is released. They are in the circuit when the other switch is pressed. That means either switch can cause a failure of the motor to run only one way, regardless of which switch seems to work properly.

My experience has been it is usually the driver's switch that has the bad contact because it gets used most often.
Was this
answer
helpful?
Yes
No
Saturday, December 31st, 2016 AT 12:05 PM
Tiny
CHAD VALLIERE
  • MEMBER
  • 7 POSTS
I did forget to add I tried swapping the passenger rear switch and that did not work. Also, hooked up the master switch out of a friend's 2002 duramax that works and that did not help either. So, it has to be a wiring issues somewhere.
Was this
answer
helpful?
Yes
No
+1
Saturday, December 31st, 2016 AT 1:57 PM
Tiny
CARADIODOC
  • MECHANIC
  • 34,468 POSTS
I am going to have to plead with my laptop pile to show me a wiring diagram, but keep in mind, both wires that run between the two switches are used in both directions. Unless a computer is involved, the window should not work either way with a broken wire.
Was this
answer
helpful?
Yes
No
Saturday, December 31st, 2016 AT 2:39 PM
Tiny
CHAD VALLIERE
  • MEMBER
  • 7 POSTS
Thank you. Maybe I will just have to take it to the dealership.
Was this
answer
helpful?
Yes
No
Saturday, December 31st, 2016 AT 2:59 PM
Tiny
MHPAUTOS
  • MECHANIC
  • 31,937 POSTS
If you feel it is a wiring problem. Check the loom where it goes through the B pillar into the door, the constant flexing can cause wires to break. This is a problem seen on many makes and models, start here.
Was this
answer
helpful?
Yes
No
+1
Saturday, December 31st, 2016 AT 3:09 PM
Tiny
STEVE W.
  • MECHANIC
  • 15,682 POSTS
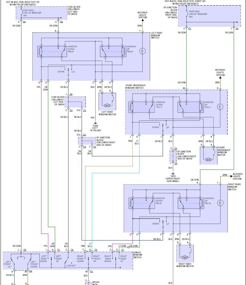
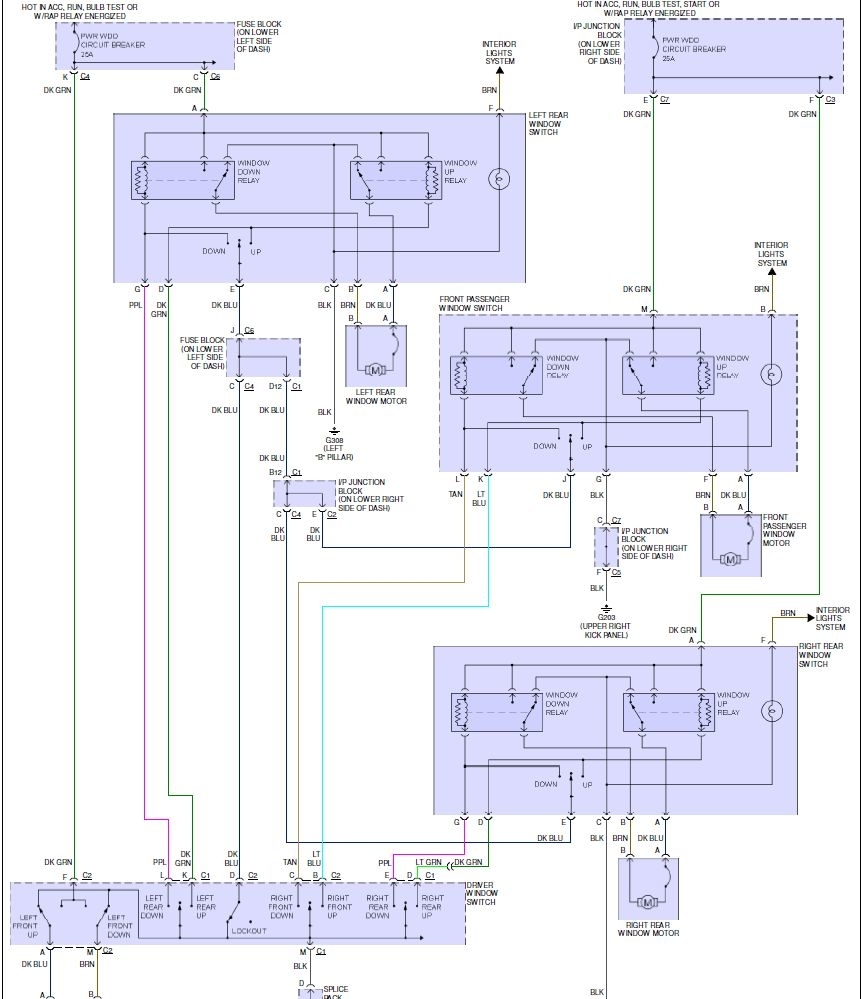
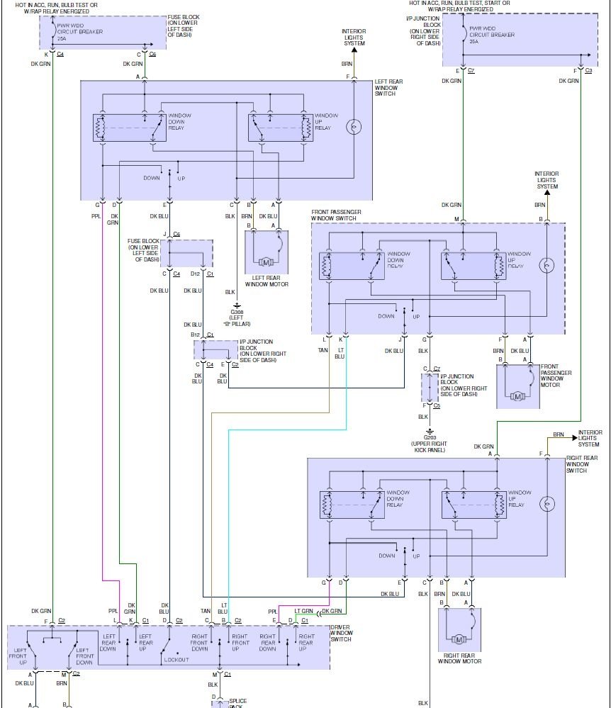
Right rear door wiring:

Dark blue wire in door harness = Main power to all door switches feeds from the drivers master switch lockout button.

Black wire = Ground for rear door attaches to B pillar under the trim.

Light green out of master switch splices to dark green at the door = Window up control feed.

Purple wire = Window down control feed.

Brown and dark blue inside door feed the window motor.

My bet is that the dark green wire is broken in the harness to the rear door or the light green wire from the master switch through the door flex harness in the driver's door has broken.

GM has altered the wiring in the newer trucks, each door now gets a power line to it and the switches trigger relays in the switches to control them. They no longer use the older reverse polarity feed from the main switches to the way they used to. Supposed to be "more reliable" that way.
Was this
answer
helpful?
Yes
No
+1
Saturday, December 31st, 2016 AT 7:05 PM
Tiny
CHAD VALLIERE
  • MEMBER
  • 7 POSTS
Thank you Steve W. I will check that out.
Was this
answer
helpful?
Yes
No
Saturday, December 31st, 2016 AT 8:14 PM
Tiny
SATURNTECH9
  • MECHANIC
  • 30,869 POSTS
When operating you the window if you put your ear on the door can you hear the window motor click?I think more then likely you have a bad window motor. Rock auto dot com has a great on deal on complete window regulator for that truck.I have a 5 percent discount code if your interested. Also get the dorman one if you end up needing one.
Was this
answer
helpful?
Yes
No
+1
Sunday, January 1st, 2017 AT 2:31 AM
Tiny
STEVE W.
  • MECHANIC
  • 15,682 POSTS
Chad, I just realized it has to be the purple wire. You have up but not down in the right rear correct?
At least that wire is the same color on both ends. (Well if the diagram is correct)
Was this
answer
helpful?
Yes
No
Sunday, January 1st, 2017 AT 3:05 AM
Tiny
CHAD VALLIERE
  • MEMBER
  • 7 POSTS
With the master switch (drivers front) the only window I cannot make go up or down is the drivers side rear window. That same window will go up and down with the switch on that door.
Was this
answer
helpful?
Yes
No
+1
Sunday, January 1st, 2017 AT 6:48 AM
Tiny
CHAD VALLIERE
  • MEMBER
  • 7 POSTS
Left window Steve. And do not have up or down on master switch. But it does go up and down using the left rear switch.
Was this
answer
helpful?
Yes
No
+1
Sunday, January 1st, 2017 AT 6:49 AM
Tiny
STEVE W.
  • MECHANIC
  • 15,682 POSTS
Okay, left rear, no up/down from master switch but works at door switch. Still the same color wires.
Purple wire brings the window down, dark green puts it up.

Easy way to test, pop the master switch out of the door. Pull the connector.
Should be two purple wires, one pairs with a dark green the other with light green. Take a jumper from battery positive touch the purple wires one at a time. The rear window for each should go down. Do the same with the light and dark green. Those will put the windows up. If they work with a jumper the switch or the connector you are testing has to be bad.

Because the windows work with the correct door switches the regulators and motors are okay, it is either the wires or the master switch.
Was this
answer
helpful?
Yes
No
+2
Sunday, January 1st, 2017 AT 9:02 AM
Tiny
CHAD VALLIERE
  • MEMBER
  • 7 POSTS
Thank you so much Steve.
Was this
answer
helpful?
Yes
No
Sunday, January 1st, 2017 AT 10:04 AM
Tiny
KEN L
  • MASTER CERTIFIED MECHANIC
  • 55,322 POSTS
Nice work Steve W!
Was this
answer
helpful?
Yes
No
Wednesday, January 4th, 2017 AT 11:42 AM

Please login or register to post a reply.