Parking lights and dash lights do not work

Tiny
LINEHAND
  • MEMBER
  • 2001 ACURA CL
  • 3.2L
  • 6 CYL
  • 2WD
  • AUTOMATIC
  • 150,000 MILES
I have no power to my parking lights. Checked fuse 13 (15a), it will intact. Also checked for power at this fuse point as I believe it is supposed to be “hot” at all times.
Tuesday, February 1st, 2022 AT 9:27 AM

7 Replies

Tiny
JACOBANDNICKOLAS
  • MECHANIC
  • 110,194 POSTS
Hi,

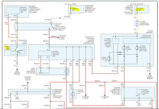
I'm looking at the schematics for both circuits (instrument lighting and parking lights) and the only thing I see in common is the switch and the PCB (printed circuit board) which is part of the driver's multiplex control unit.

When you checked for power, did the fuse have it? Also, have you checked to make sure fuse 9 in the fuse panel (lower left side of the dash) is good?

Let me know as much as you can. And yes, fuse 13 should be powered at all times. Fuse 9 is only with the key in the run or start position.

Additionally, let me know if any of the lights in the vehicle are working as well as things like the headlamps, turn signals, brake lights, and so on.

Take care,

Joe

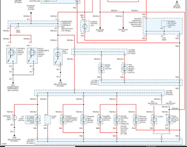
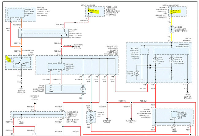
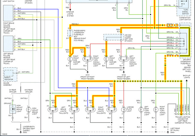
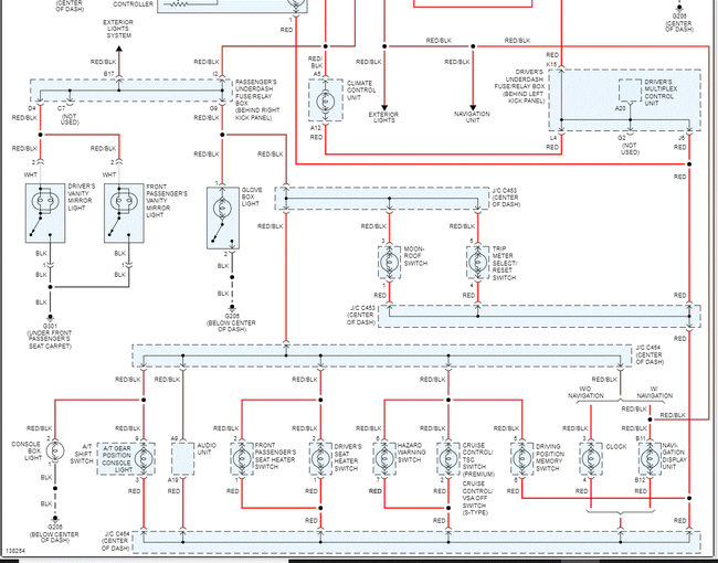
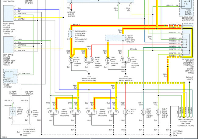
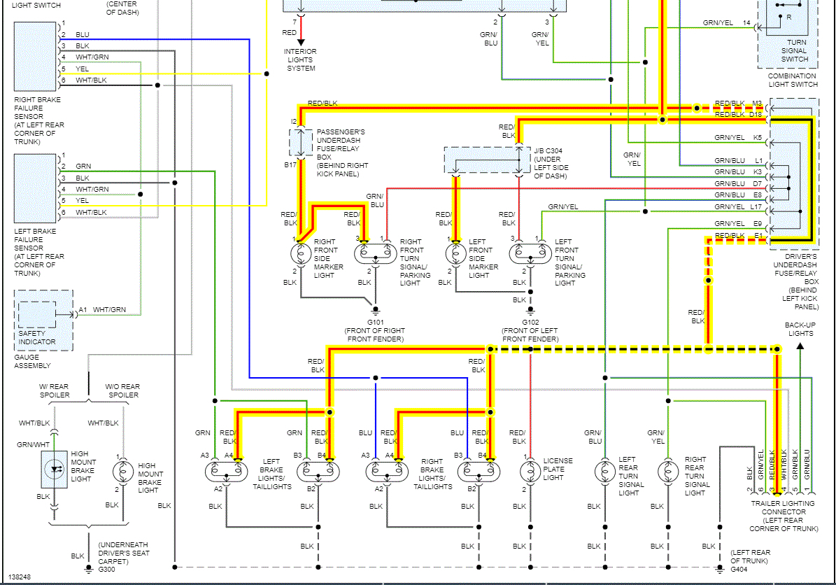
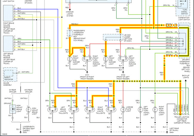
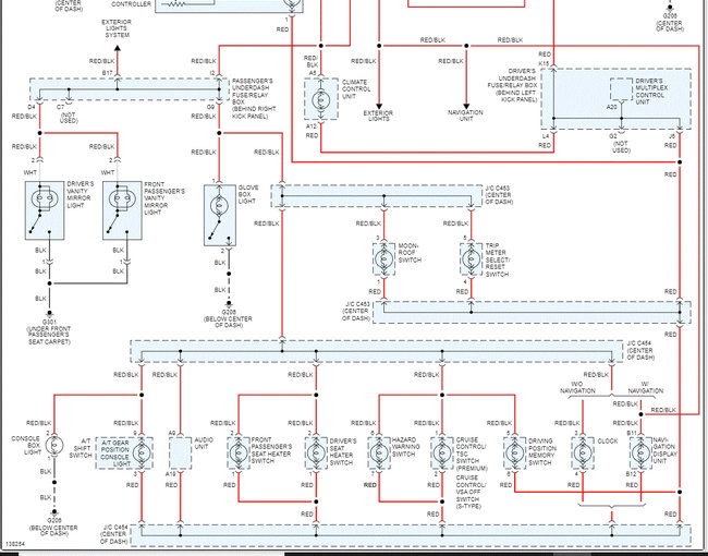
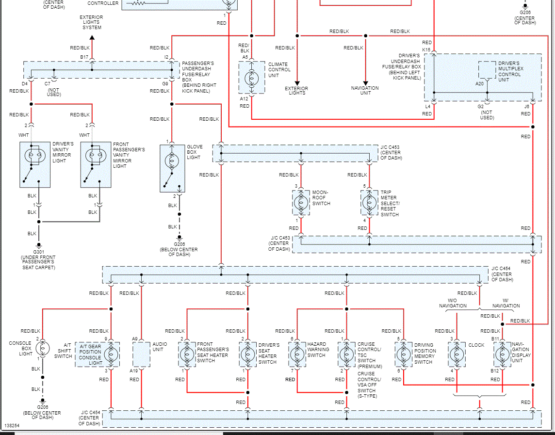
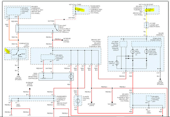
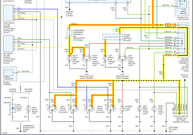
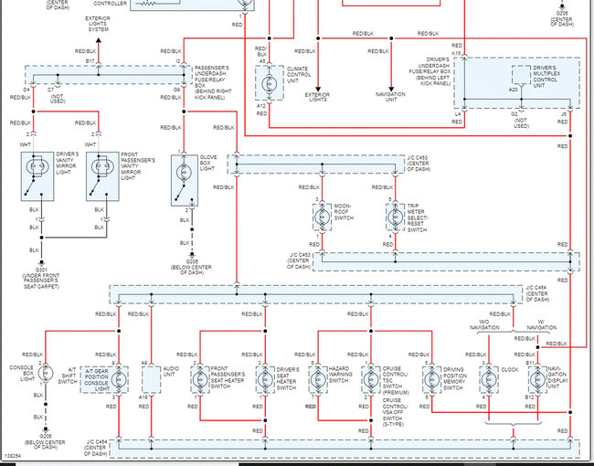
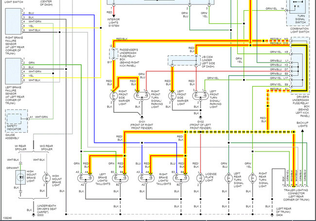
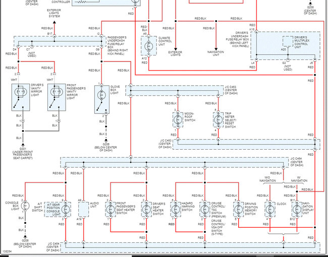
See pics below. Note: Pics 1 and 2 are the exterior lighting circuits. Pics 3 and 4 are the interior lights.
Was this
answer
helpful?
Yes
No
Tuesday, February 1st, 2022 AT 4:47 PM
Tiny
LINEHAND
  • MEMBER
  • 3 POSTS
I have no power at fuse 9 or 13. Headlights, brake lights and turns signals work. No interior or dash lights. And the radio does not work.
Was this
answer
helpful?
Yes
No
Tuesday, February 22nd, 2022 AT 6:11 AM
Tiny
JACOBANDNICKOLAS
  • MECHANIC
  • 110,194 POSTS
Hi,

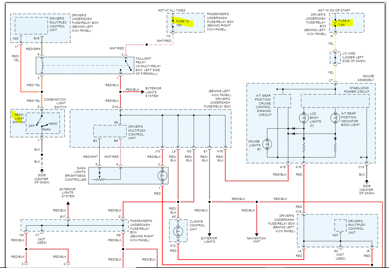
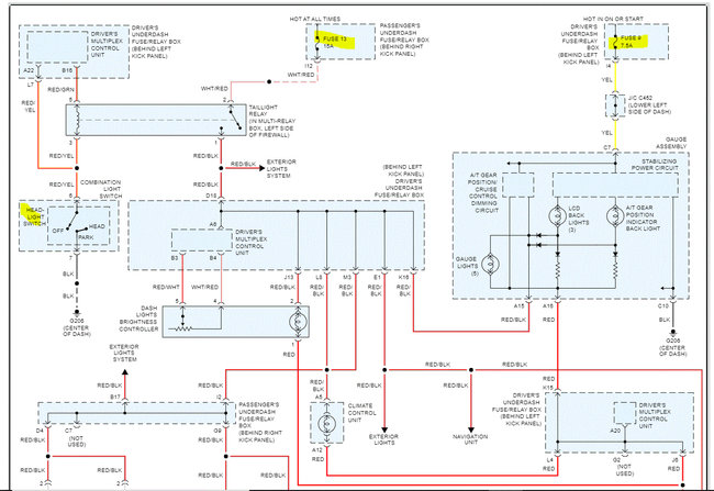
Check fuse 8 as well. Also, let me know if the parking lights work. Is it only interior/dash?

If fuse 8 doesn't have power, check fuse 54 in the under-hood fuse box.

Let me know if the parking lights do work and if the backup lights work.

If fuse 8 has no power, we need to go to the ignition switch to check for power out

Joe

See pics below.
Was this
answer
helpful?
Yes
No
Tuesday, February 22nd, 2022 AT 7:28 PM
Tiny
LINEHAND
  • MEMBER
  • 3 POSTS
So, on the passenger side fuse panel, there is no power to fuses 9, 10 11, 12, 13 and 14. I was able to put a power probe to one of the fuses and the interior lights came on and was able to actuate the power locks.
Was this
answer
helpful?
Yes
No
Wednesday, February 23rd, 2022 AT 8:36 AM
Tiny
JACOBANDNICKOLAS
  • MECHANIC
  • 110,194 POSTS
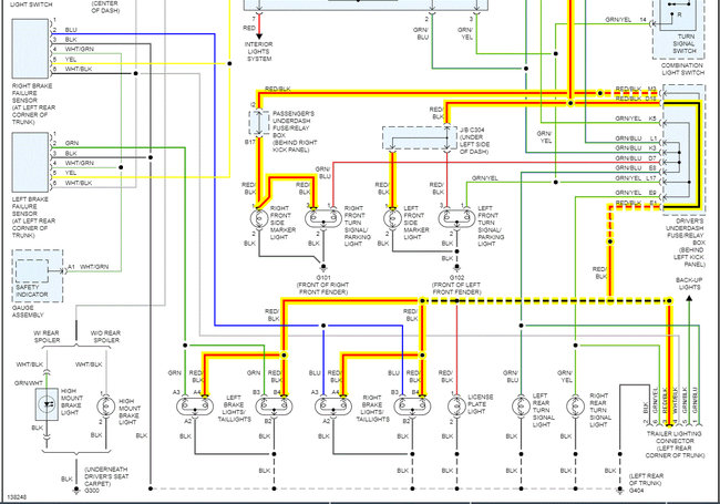
If you have no power, then we need to work backward. See pic 1 below. I highlighted the fuses with no power. There is a yellow wire that powers all of them via fuse 54 in the under-hood fuse box. Check that fuse first. Also, confirm there is power to and from it.

If that has no power, take a look at pic 2. It shows where the power comes from. Note that the schematic says, "from fuse 59", but that isn't where the power comes from power actually comes from fuse 41 which is a 120-amp fuse which is powered directly from the battery. I don't think it's bad or you would be having more issues. I wanted you to see how power makes it to the affected fuses.

Pics 3, 4, and 5 show the fuses I'm referring to and the location in the under-hood fuse box.

If both of them are good and have power to and from, then there is an open circuit between the two fuses.

Let me know what you find. Also, here is a link you may find helpful when testing fuses for power:

https://www.2carpros.com/articles/how-to-check-a-car-fuse

Let me know what you find or if you have other questions.

Take care,

Joe
Was this
answer
helpful?
Yes
No
Wednesday, February 23rd, 2022 AT 6:49 PM
Tiny
LINEHAND
  • MEMBER
  • 3 POSTS
Thanks Joe! I appreciate your help. Fuse 54 was not seated properly. Everything is good now. You guys are great. My son will be very happy to know his car is safe to drive. He just bought it prior to leaving for Navy boot camp and was worried it would not be ready upon graduation. He will be ecstatic to know it is ready to go.
Was this
answer
helpful?
Yes
No
Tuesday, March 1st, 2022 AT 10:56 AM
Tiny
JACOBANDNICKOLAS
  • MECHANIC
  • 110,194 POSTS
Hi,

You know, what you just said means a lot to me. I have a lot of respect for people like your son and am really happy it is fixed. Even though he doesn't know me, please tell him I said thanks for his service.

You take good care of yourself and please feel free to come back anytime in the future. You certainly are welcome here.

Joe
Was this
answer
helpful?
Yes
No
Tuesday, March 1st, 2022 AT 7:18 PM

Please login or register to post a reply.