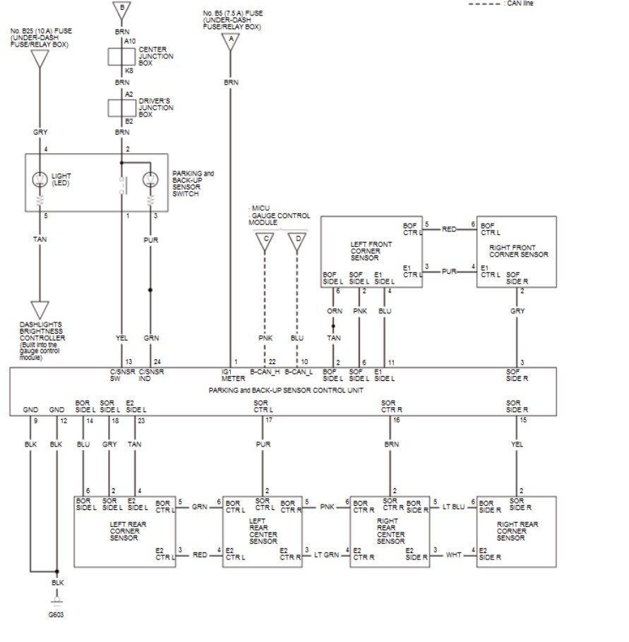
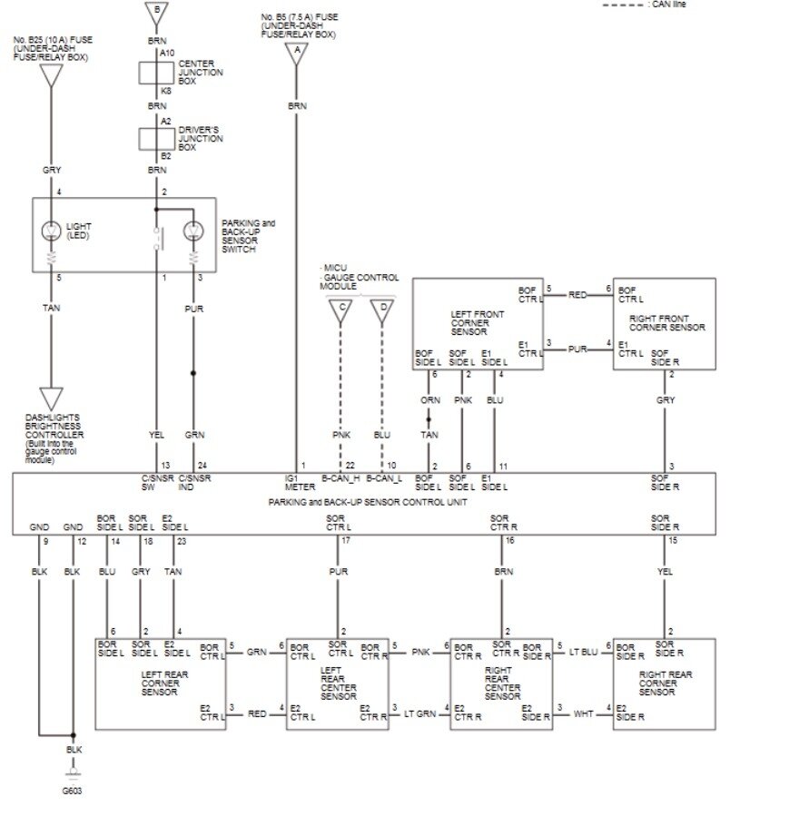
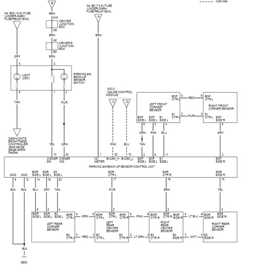
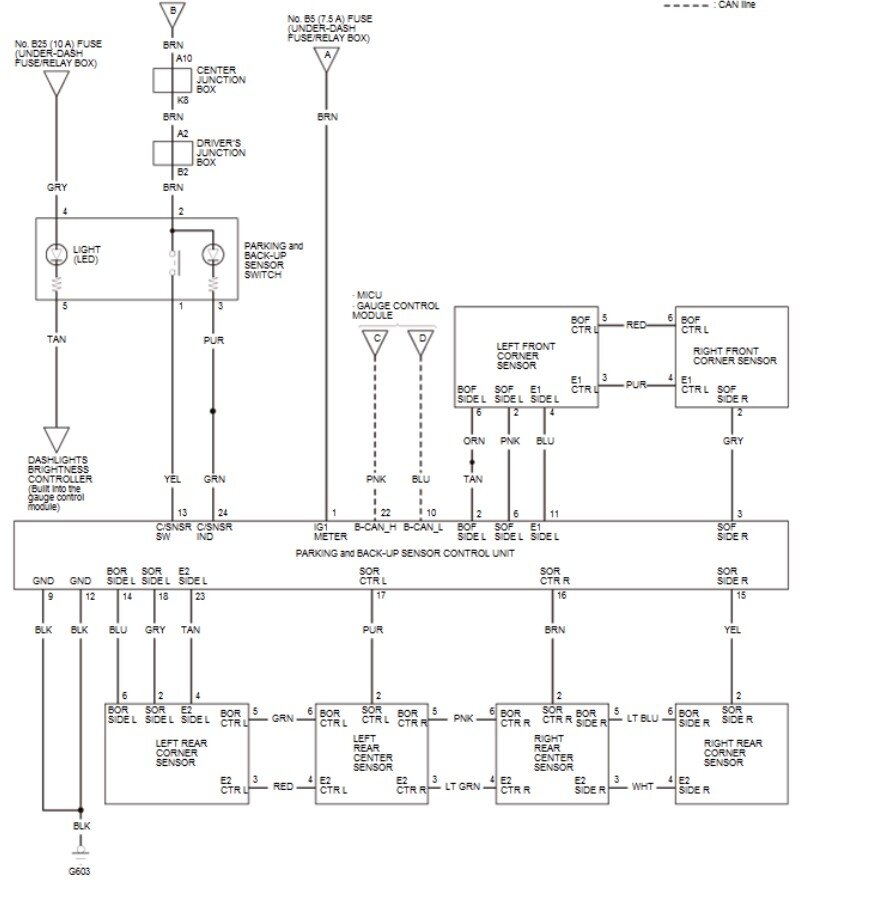
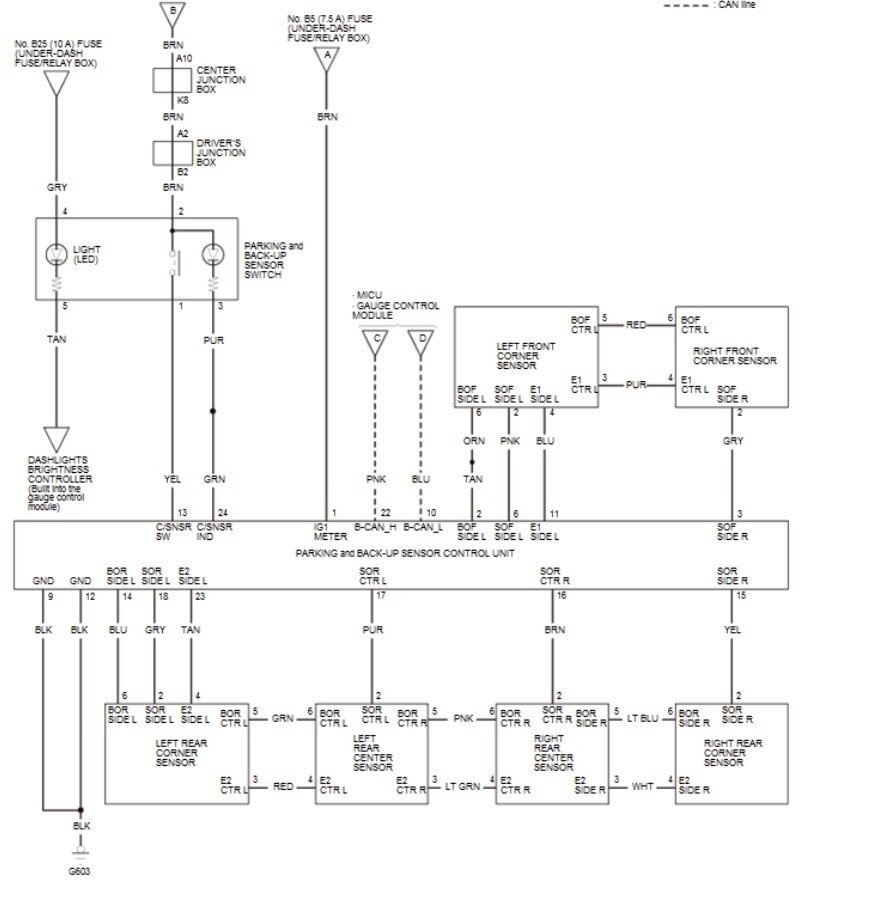
B2641: right left sensor bus failure.
Please could I have the wire diagram of the parking system?
Is it supposed to have parking sensors at the front of the bumper because I can't find any?
What could be done to tackle the problem?
Thursday, March 27th, 2025 AT 10:04 PM



