Parking lamp relay popping I believe

Tiny
JACOBANDNICKOLAS
  • MECHANIC
  • 110,192 POSTS
Hi,

Does it dim if the engine is running? Does anything other that dims as well? Also, does it dim with the signals?

Joe
Was this
answer
helpful?
Yes
No
Tuesday, August 17th, 2021 AT 7:48 PM
Tiny
ASTRORIP
  • MEMBER
  • 28 POSTS
Currently only dims when headlights are on turn signals doesn't affect it and as far as I can see the only things that dim are the dash lights, the center console lights, such as the little A/C light. I’ve noticed that my shifter lights no longer work after this issue first started or they never worked. It’s just hard to see the letters at night.
Was this
answer
helpful?
Yes
No
Tuesday, August 17th, 2021 AT 7:57 PM
Tiny
JACOBANDNICKOLAS
  • MECHANIC
  • 110,192 POSTS
Hi,

Do the lights respond at all when you adjust the dimmer?

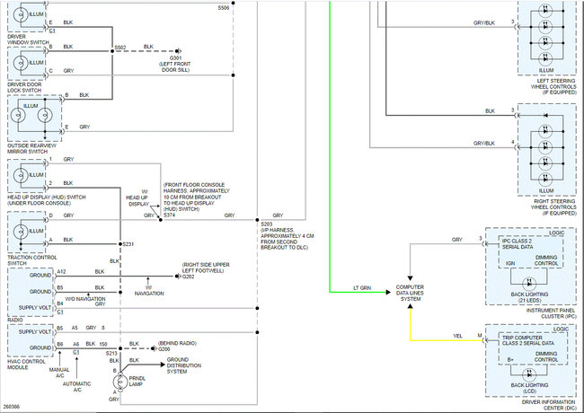
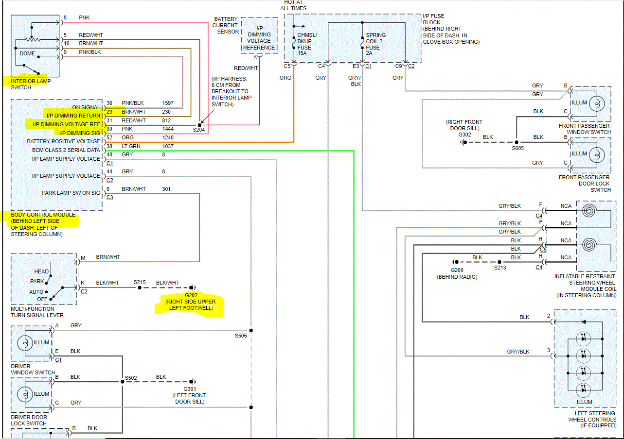
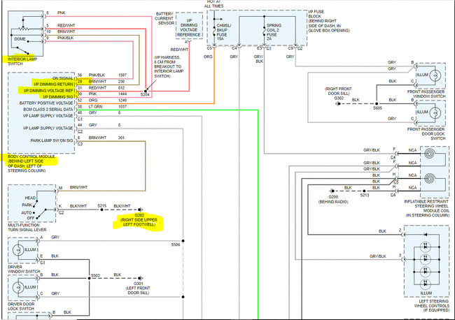
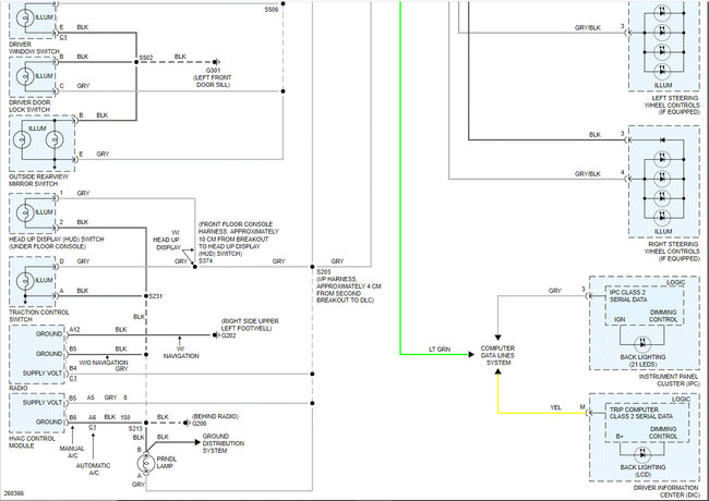
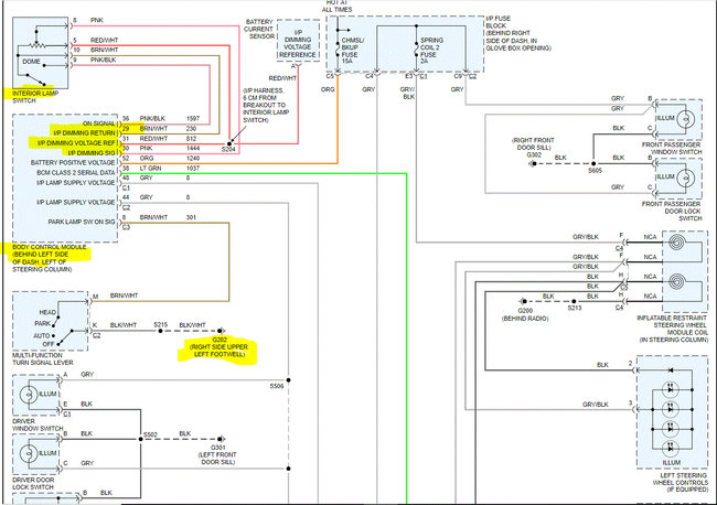
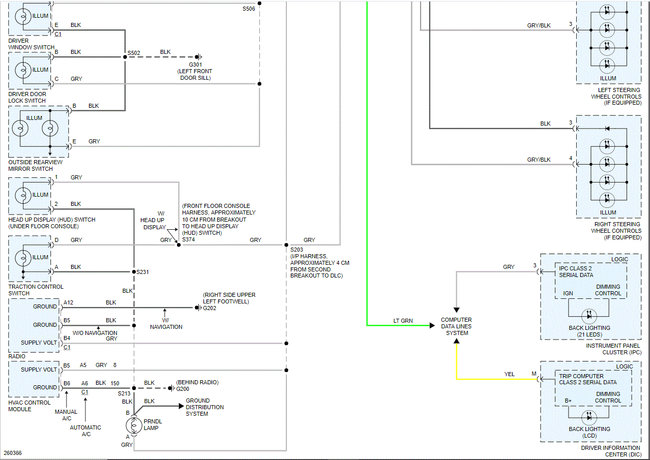
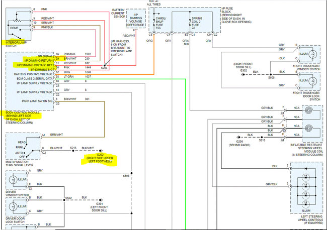
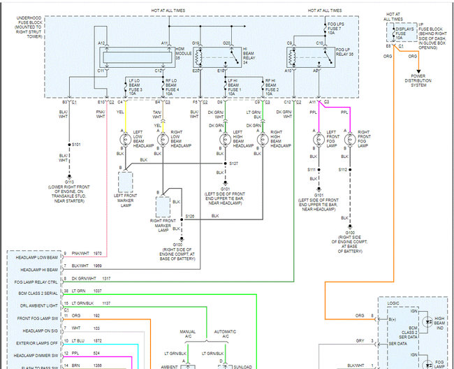
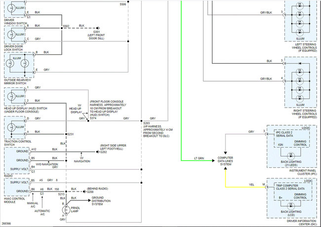
I attached the wiring schematic below for the interior lights. I highlighted the dimmer, where it goes to the body control module, and so on. If the dimmer switch doesn't make any difference, it could be bad.

Also, you may want to check the ground in the left kick panel to make sure it isn't loose or corroded.

Let me know.

Joe

See pics below

Note: I had to cut the schematic in half to make it readable. I did overlap them so you can follow from one to the next.
Was this
answer
helpful?
Yes
No
Tuesday, August 17th, 2021 AT 8:26 PM
Tiny
ASTRORIP
  • MEMBER
  • 28 POSTS
Yes, when using the dimmer switch the dash lights and everything so respond properly. I will work on checking grounds inside the car to see if they need replaced.
Was this
answer
helpful?
Yes
No
Tuesday, August 17th, 2021 AT 8:35 PM
Tiny
JACOBANDNICKOLAS
  • MECHANIC
  • 110,192 POSTS
If the dimmer is working properly, then the ground would be the next thing to check. Let me know what you find or if there is anything I can do to help.

Take care,

Joe
Was this
answer
helpful?
Yes
No
Tuesday, August 17th, 2021 AT 9:41 PM
Tiny
ASTRORIP
  • MEMBER
  • 28 POSTS
I will check it all out tomorrow. I appreciate you help through this whole thing. I’ll keep you posted.
Was this
answer
helpful?
Yes
No
Tuesday, August 17th, 2021 AT 9:47 PM
Tiny
JACOBANDNICKOLAS
  • MECHANIC
  • 110,192 POSTS
No problem. I just hope that I was able to help.

Take care and I'll watch for your reply.

Take care,

Joe
Was this
answer
helpful?
Yes
No
Tuesday, August 17th, 2021 AT 10:04 PM
Tiny
ASTRORIP
  • MEMBER
  • 28 POSTS
Grounds that I’m aware of have been checked and still getting this result. I have included a video of the sound I am hearing turning on and off my headlights. It is also very hard to see but the center information display flickers as well there is definitely a short somewhere.
Was this
answer
helpful?
Yes
No
Saturday, August 21st, 2021 AT 4:32 PM
Tiny
JACOBANDNICKOLAS
  • MECHANIC
  • 110,192 POSTS
Hi,

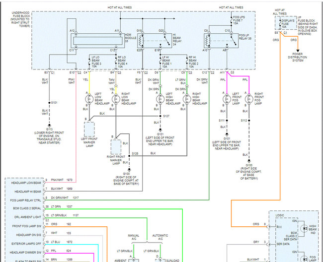
Are the headlamps working properly? Years ago there was a recall on the HDM. It would overheat and you could lose low beams. Was that recall ever taken care of? I'm asking because it could be something related to that.

Also, there is a headlamp relay that you may be hearing. One is for the high beam and the other for the HDM module. HDM stands for headlamp driver module.

I attached a pic below and highlighted the relays. The only issue is, they are in the under hood fuse/relay box.

Try this. Pull one of the relays at a time to see if the noise stops. If it does, tell me which relay was removed to stop it.

The only other thing under the dash related is the body control module. Check to see if that is where the sound is coming from.

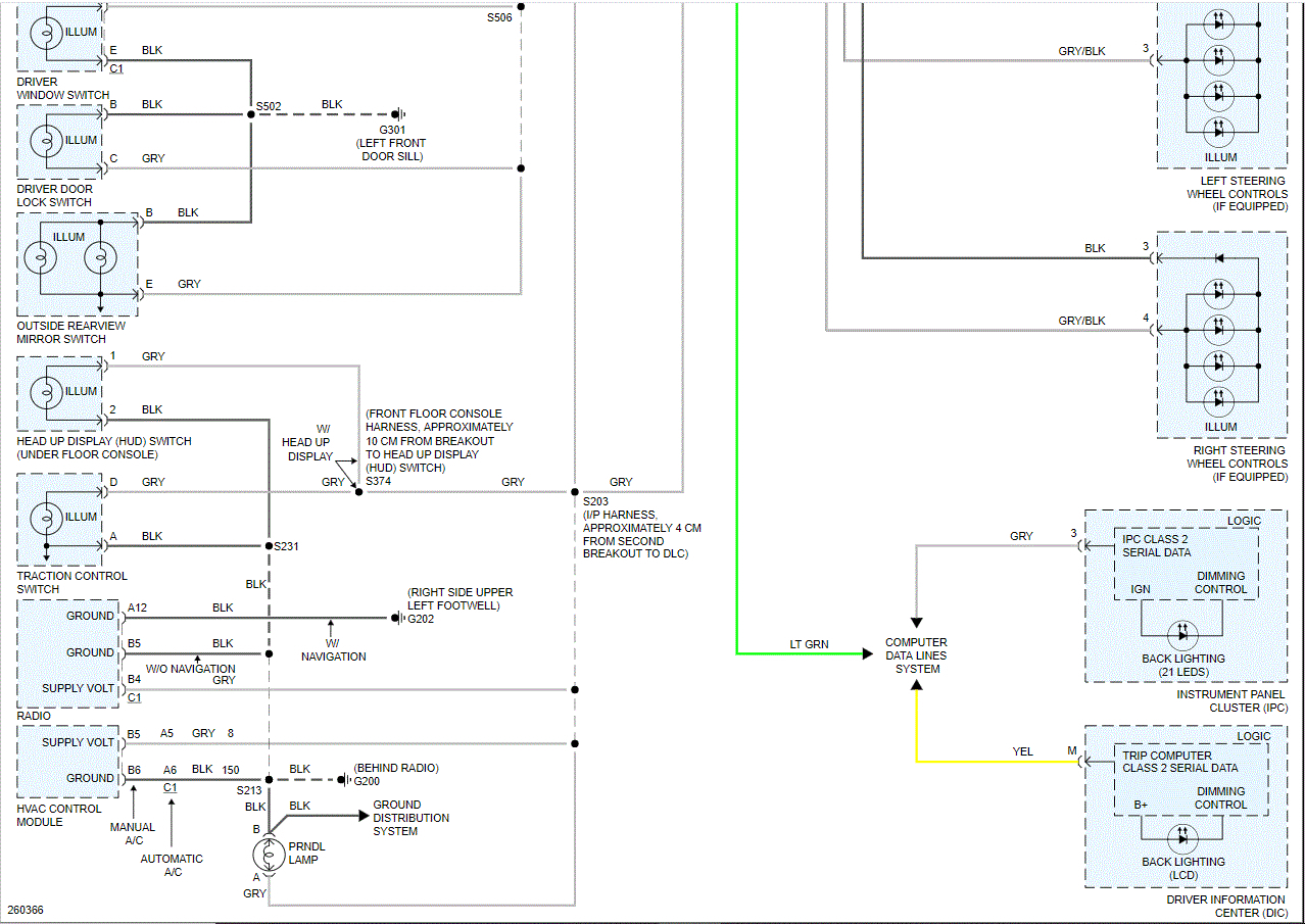
I attached the schematics below.

Let me know.

Joe
Was this
answer
helpful?
Yes
No
Saturday, August 21st, 2021 AT 10:26 PM
Tiny
ASTRORIP
  • MEMBER
  • 28 POSTS
I have checked both those relays and nothing changed when taking them out still same sound. I will have to check if the BCM is doing it still and not sure if it can affect anything. But I am getting a code read for bad fan 2 relay or bad fan 2 assembly which does occasionally cause my car to overheat in certain scenarios.
Was this
answer
helpful?
Yes
No
Sunday, August 22nd, 2021 AT 12:41 PM
Tiny
JACOBANDNICKOLAS
  • MECHANIC
  • 110,192 POSTS
If the fan relay is bad, could that sound be coming from that?

Joe
Was this
answer
helpful?
Yes
No
Sunday, August 22nd, 2021 AT 9:34 PM
Tiny
ASTRORIP
  • MEMBER
  • 28 POSTS
Possibly, but I believe I have replaced the fan relay when the code originally popped up and it made no different. I’ll try it again with it out, but I believe it’s either a bad fan or bad wiring that is causing the code.
Was this
answer
helpful?
Yes
No
Monday, August 23rd, 2021 AT 12:12 AM
Tiny
JACOBANDNICKOLAS
  • MECHANIC
  • 110,192 POSTS
That sounds like a plan. Let me know what you find.

Take care,

Joe
Was this
answer
helpful?
Yes
No
Monday, August 23rd, 2021 AT 6:05 PM
Tiny
ASTRORIP
  • MEMBER
  • 28 POSTS
It has been a bit since my last reply, but last night I changed out all my coolant radiator and fan assembly and to avail no difference even with the fan 2 control module code. I have check all the relays by taking them out one by one and no difference. Same sounds happens when taking out the relays and trying to read codes. I am beginning to think it could be the fan connectors/wiring harness. So I’m currently searching for an option to order just trying to figure out where to get one.
Was this
answer
helpful?
Yes
No
Friday, September 3rd, 2021 AT 12:41 PM
Tiny
JACOBANDNICKOLAS
  • MECHANIC
  • 110,192 POSTS
Hi,

That is very possible. Have you inspected the connections for damage, corrosion, and to confirm they are tight?

Here is a link that you may find helpful. It discusses how to check connections and wiring.

https://www.2carpros.com/articles/how-to-check-wiring

Let me know.

Joe
Was this
answer
helpful?
Yes
No
Friday, September 3rd, 2021 AT 9:02 PM
Tiny
ASTRORIP
  • MEMBER
  • 28 POSTS
I’ll have to try doing that. I work at my local Napa so I can usually get this stuff pretty easy, but I was recommended to try replace the temperature sensor. So that will be the last item I can change out and if it makes no difference wiring/connectors are the issue.
Was this
answer
helpful?
Yes
No
Saturday, September 4th, 2021 AT 10:53 AM
Tiny
JACOBANDNICKOLAS
  • MECHANIC
  • 110,192 POSTS
Sounds good. If you have a chance, let me know how things turn out for you. I'm interested in knowing.

Take care,

Joe
Was this
answer
helpful?
Yes
No
Saturday, September 4th, 2021 AT 9:40 PM
Tiny
ASTRORIP
  • MEMBER
  • 28 POSTS
Well, here I am again with probably a final update after lots of changes and replacements including sensors thermostats fans relays and even full flushes just in case. I have still had to no update on the situation regarding the p0481 code regard fan 2 relay issue. I am stuck between it being a possible PCM issue or just straight wiring I have bought a multimeter to check those before buying anything as they can be a bit pricey but if I see no answers I’ll have hit a brick wall and won’t know what to do to fix it still/ also have the weird electrical short issue with my lights but that’s not a big deal/
Was this
answer
helpful?
Yes
No
Sunday, September 26th, 2021 AT 4:35 PM
Tiny
JACOBANDNICKOLAS
  • MECHANIC
  • 110,192 POSTS
I don't recall seeing the code. Is this something you just found? I have diagnostics specific to this code. Take a look through them and let me know if they help.

See pics below.

Let me know.

Joe
Was this
answer
helpful?
Yes
No
Sunday, September 26th, 2021 AT 8:35 PM
Tiny
ASTRORIP
  • MEMBER
  • 28 POSTS
Most of this I have seen and or tested already including all relays and fuses linked to the fans with no luck on what’s going on. I have sorted it down to most likely a short in the wiring harness as resistance in almost everything else has read correctly. So, I’m going to need to either splice new wires wherever the old ones are bad or find a whole new wiring harness to replace.
Was this
answer
helpful?
Yes
No
Sunday, September 26th, 2021 AT 8:54 PM

Please login or register to post a reply.