Monday, May 22nd, 2023 AT 1:29 AM
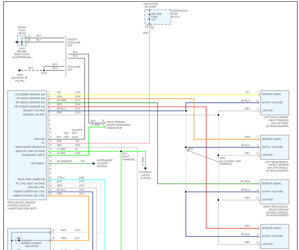
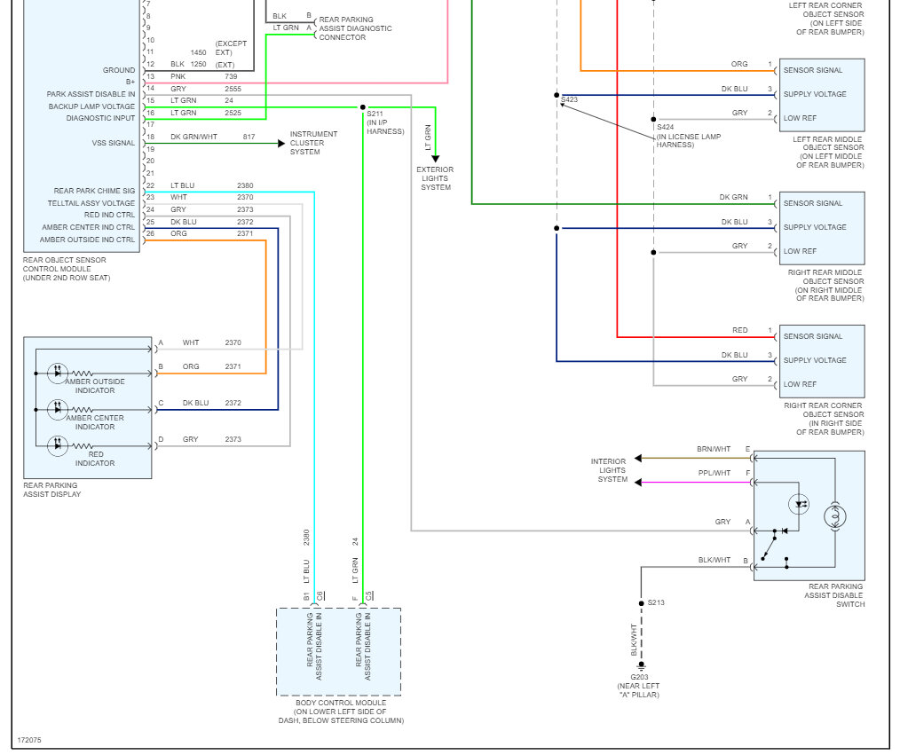
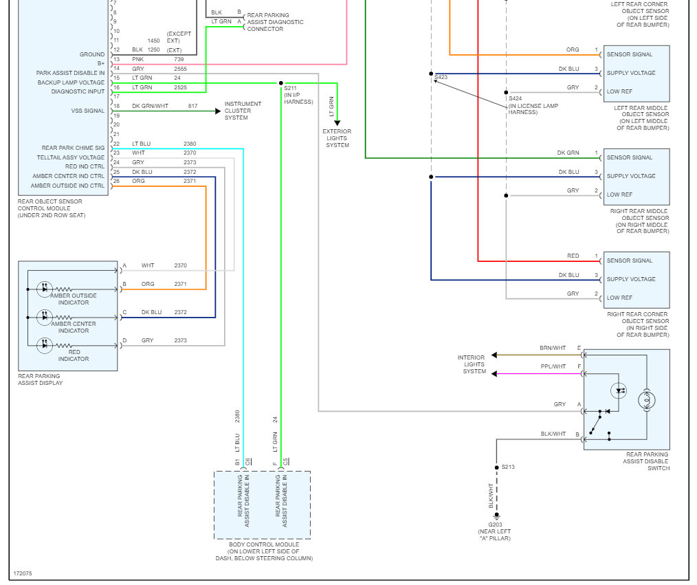
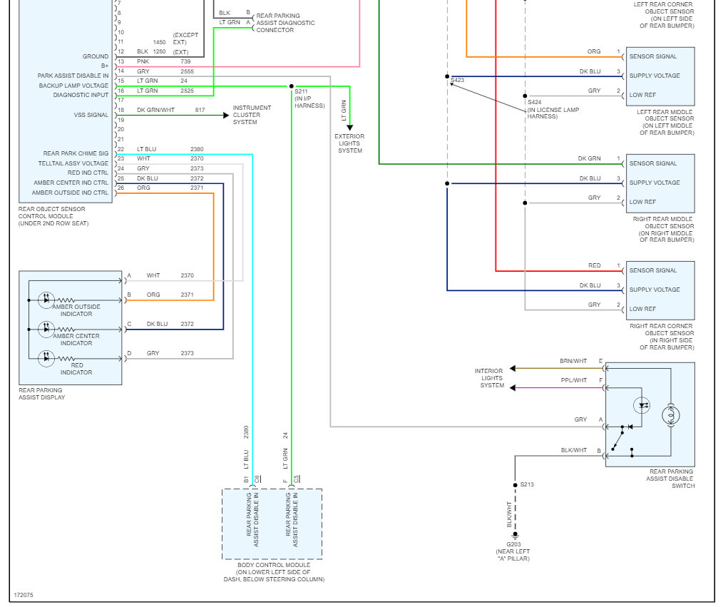
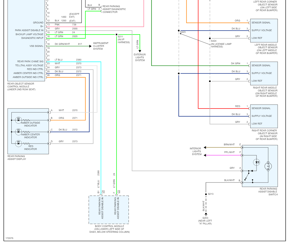
Any idea how I should approach the upra system not having any power? I shorted the connector under the rear seat to put it in diagnostic mode which wouldn't work because of no power.




