Park lights will not turn off?

Tiny
EDWARD ELLIOTT
  • MEMBER
  • 1991 CHEVROLET SILVERADO
  • 5.7L
  • V8
  • 4WD
  • AUTOMATIC
  • 238,000 MILES
Park lights won't turn off by the switch or when you pull the fuse.
Wednesday, July 13th, 2022 AT 4:27 PM

1 Reply

Tiny
KEN L
  • MASTER CERTIFIED MECHANIC
  • 55,486 POSTS
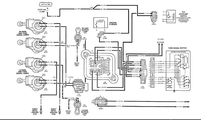
This means someone has wired power to the parking light circuit, here is the parking light wiring diagrams so you can see how the system works which is pretty basic, there are no relays that can stick on causing the issue. Here is a guide to help you check the wiring:

https://www.2carpros.com/articles/how-to-check-wiring

Check out the diagrams (below). Please let us know what happens.
Was this
answer
helpful?
Yes
No
Thursday, July 14th, 2022 AT 1:30 PM

Please login or register to post a reply.