Code P1457

Tiny
MUSICGENIUS83
  • MEMBER
  • 1998 HONDA ACCORD
  • 2.3L
  • 4 CYL
  • AUTOMATIC
  • 280,000 MILES
I battled the p1456 code for 3 months, and finally got it fixed. I replaced the 2 way valve, bypass valve solenoid, 2 cracked hoses, and evap canister itself. No codes or gas smell for 2 months. Last week the code p1457 came up. I replaced the canister already and I tested the shut off solenoid, it had the right ohms and it opened and close with an electrical so its working fine. I am lost as to where to go next. I read about fuel tank pressure sensor, not sure of that could be the culprit. Fyi, after fixing the 1456 code, I had pressure in my fuel tank when removing the cap, since 1457 code has appeared it doesn't had pressure when I take cap off. Cap was replaced as well.
Sunday, September 15th, 2019 AT 6:17 PM

2 Replies

Tiny
JACOBANDNICKOLAS
  • MECHANIC
  • 110,192 POSTS
Welcome to 2CarPros.

Since you have noticed there is no pressure, then you must simply have a leak. Here is the definition of the code:

DTC P1457: Evaporative Emission (EVAP) Control System Leakage (EVAP Canister System)

Because there are several areas which can leak, what I suggest is to have the system fogged. Basically, fog or smoke is injected into the EVAP system at a very low pressure. Where the leak is located, smoke will come out.

As far as the FTPS, I don't think that is the issue here. However, if you want to try diagnosing the issue (and based on what you have already done you seem more than capable) here are the directions. The attached pictures correlate with the directions.

_____________________________

1998 Honda Accord DX Sedan L4-2254cc 2.3L SOHC MFI
DTC Troubleshooting
Vehicle ALL Diagnostic Trouble Codes ( DTC ) Testing and Inspection P Code Charts P1457 DTC Troubleshooting
DTC TROUBLESHOOTING
DTC P1457: Leak Detected in EVAP Control System (EVAP control canister system)

NOTE: The fuel system is designed to allow specified maximum vacuum and pressure conditions. Do not deviate from the vacuum and pressure tests as indicated in these procedures. Excessive pressure/vacuum would damage the EVAP components or cause eventual fuel tank failure.

Special Tools Required
- Vacuum pump/gauge, 0 - 30 in. Hg A973X-041-XXXXX
- Vacuum/pressure gauge, 0 - 4 in. Hg 07JAZ-001000B

Please note that these are two-trip codes, once cleared, they cannot be reproduced in one trip. Also certain specific driving and ambient conditions must occur before the ECM/PCM will complete the system checks. Additional test drives may still not meet the specific conditions needed to reproduce the codes.

Therefore, follow these troubleshooting procedures carefully to ensure the integrity of the system and to confirm the cause of the problem or code.

NOTE: Fresh fuel has a higher volatility that will create greater pressure/vacuum. The optimum condition for testing is fresh fuel, and must be less than a full tank of gas. If possible, to assist in leak detection, add one gallon of fresh fuel to the tank (as long as it will not fill the tank), just before starting these procedures.

EVAP Purge Control Solenoid Valve Test

pic 1

1. Disconnect the vacuum hose from the EVAP purge control solenoid valve (A), and connect the vacuum pump to the hose.

Pic 2

2. Connect the ECM/PCM connector terminal A6 to body ground with a jumper wire.
3. Turn the ignition switch ON (II).
4. Apply vacuum to the hose.
Does the valve hold vacuum?
YES-Go to step 5.
NO-The EVAP purge control solenoid valve is OK. Go to step 10.
5. Turn the ignition switch OFF.
6. Disconnect the EVAP purge control solenoid valve 2P connector.

Pic 3

7. Check for continuity between the EVAP purge control solenoid valve 2P connector terminal No.2 and body ground.
Is there continuity?
YES-Go to step 8.
NO-Repair open in the wire between the EVAP purge control solenoid valve and ECM/PCM (A6).
8. Turn the ignition switch ON (II).

Pic 4

9. Measure voltage between the EVAP purge control solenoid valve 2P connector terminal No.1 and body ground.
Is there battery voltage?
YES-Replace the EVAP purge control solenoid valve.
NO-Repair open in the wire between the EVAP purge control solenoid valve and No.6 ECU (ECM/PCM) CRUISE CONTROL (15 A) fuse.

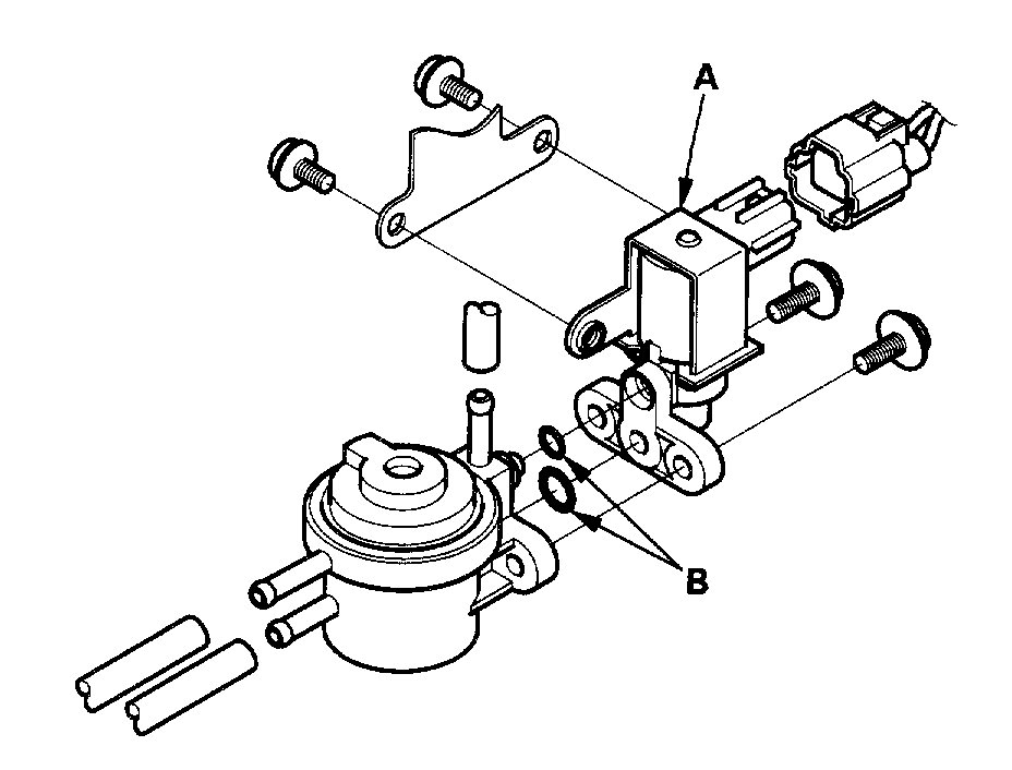
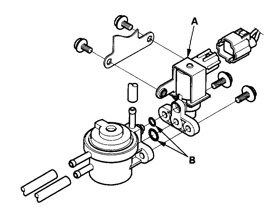
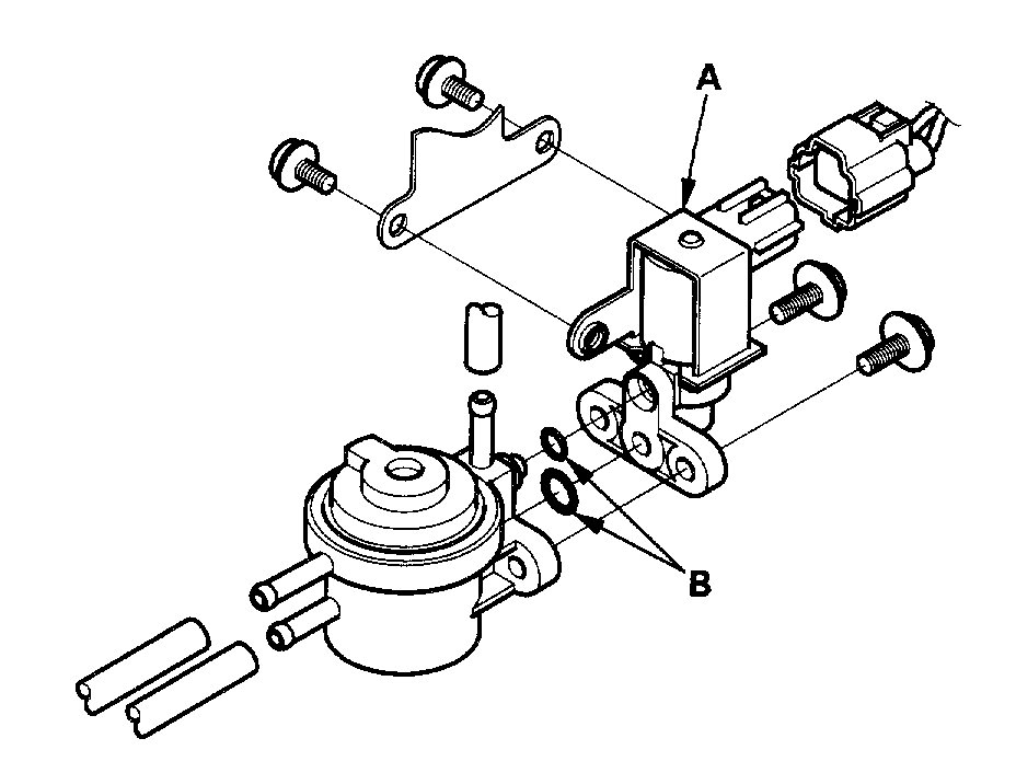
EVAP Bypass Solenoid Valve Test

pic 5

10. Disconnect the vacuum hose from the EVAP two way valve (A), and connect a vacuum pump to the hose.
11. Turn the ignition switch ON (II).
12. Apply vacuum to the hose.
Does the valve hold vacuum?
YES-EVAP bypass solenoid valve/EVAP two-way valve is OK. Go to step 18.
NO-Go to step 13.
13. Turn the ignition switch OFF.
14. Disconnect the EVAP bypass solenoid valve 2P connector.

Pic 6

pic 7

15. Check for continuity between the EVAP bypass solenoid valve 2P connector terminal No.2 and body ground.
Is there continuity?
YES-Go to step 16.
NO-Replace the EVAP bypass solenoid valve (A) and O-rings (B).
16. Disconnect the ECM/PCM connector A (32P).

Pic 8

17. Check for continuity between the EVAP bypass solenoid valve 2P connector terminal No.2 and body ground.
Is there continuity?
YES-Replace short in the wire between the EVAP bypass solenoid valve and ECM/PCM (A3).
NO-Substitute a known-good ECM/PCM and recheck. If the symptom/indication goes away, replace the original ECM/PCM.

EVAP Control Canister Vent Shut Valve Test

pic 9

18. Disconnect the vacuum hose from the EVAP control canister filter (A), and connect a vacuum pump to the hose.

Pic 10

19. Connect the ECM/PCM connector terminal A4 to body ground with a jumper wire.
20. Turn the ignition switch ON (II)
21. Apply vacuum to the hose. Does the valve hold vacuum?
YES-EVAP control canister vent shut valve is OK.
Go to step 27.
NO-Go to step 22.
22. Turn the ignition switch OFF.
23. Disconnect the EVAP control canister vent shut valve 2P connector.

Pic 11

24. Check for continuity between the EVAP control canister vent shut valve 2P connector terminal No.2 and body ground.
Is there continuity?
YES-Go to step 25.
NO-Repair open in the wire between the EVAP control canister vent shut valve and ECM/PCM (A4).
25. Turn the ignition switch ON (II).

Pic 12

pic 13

26. Measure voltage between the EVAP control canister vent shut valve 2P connector terminal No.1 and body ground.
Is there battery voltage?
YES-Replace the EVAP control canister vent shut valve (A) and O-ring (B).
NO-Repair open in the wire between the EVAP control canister vent shut valve and No.6 ECU (ECM/PCM) CRUISE CONTROL (15 A) fuse.

Canister System Leak Test
27. Turn the ignition switch OFF.

Pic 14

28. Connect two three-way tee fittings (A) into the hose from the EVAP control canister to the EVAP two-way valve. Connect the fuel tank pressure sensor to one of the tee fittings and the vacuum pump to the other.

Pic 15

29. Remove the vent hose from the EVAP control canister vent shut valve (A) and plug the port (B) to seal the fresh air vent for the EVAP control canister.
30. Turn the ignition switch ON (II).
31. While monitoring the FTP sensor voltage with the Honda PGM Tester, or measuring voltage between ECM/PCM connector terminals A29 and C18, slowly pump the vacuum pump using a stroke every 1-2 seconds.
32. Continue to pump vacuum until the voltage drops to approx. 1.5 V.

NOTE: Make sure that the engine coolant temperature still above 95°F (35°C) and your vacuum pump has no leak.

33. Monitor the voltage for 20 seconds.
Does the voltage drop 1.5 V and holds for at least 20 seconds?
YES-Inspect the EVAP control canister vent shut valve line and connections.
NO-Go to step 34.
34. Turn the ignition switch OFF.

Pic 16

35. Disconnect the quick-connect fitting (A) from the EVAP control canister and plug the canister port (B).
36. Turn the ignition switch ON (II).
37. While monitoring the FTP sensor voltage with the Honda PGM Tester, or measuring voltage between ECM/PCM connector terminals A29 and C18, slowly pump the vacuum pump using a stroke every 1-2 seconds.
38. Continue to pump vacuum until the voltage drops to approx. 1.5 V.

NOTE: Make sure that the engine coolant temperature still above 95°F (35°C) and your vacuum pump has no leak.

39. Monitor the voltage for 20 seconds.
Does the voltage drop to 1.5 V and hold for at least 20 seconds?
YES-Inspect the ORVR vent line and connections.
NO-Go to step 40.
40. Turn the ignition switch OFF.

Pic 17

41. Disconnect the purge line hose (A) from the canister at the metal line and plug the hose (B).
42. Turn the ignition switch ON (II).
43. While monitoring the FTP sensor voltage with the Honda PGM Tester, or measuring voltage between ECM/PCM connector terminals A29 and C7, slowly pump the vacuum pump using a stroke every 1-2 seconds.
44. Continue to pump vacuum until the voltage drops to approx. 1.5 V.

NOTE: Make sure that the engine coolant temperature still above 95°F (35°C) and your vacuum pump has no leak.

45. Monitor the voltage for 20 seconds.
Does the voltage drop to 1.5 V and hold at least 20 seconds?
YES-Inspect EVAP purge control solenoid valve line and connections. If they are OK, do the EVAP two-way valve test, and ORVR vent shut valve test.
NO-Replace the EVAP control canister.

Let me know if this helps or if you have other questions. Also, please ignore the first 4 pics. I wasn't able to delete them.

Take care,
Joe
Was this
answer
helpful?
Yes
No
+1
Sunday, September 15th, 2019 AT 7:27 PM
Tiny
JIS001
  • MECHANIC
  • 3,412 POSTS
Hello and welcome to 2CarPros. Just wanted to jump in and post a service bulletin for the bypass valve and the PCM on this particular code.

Collision

 8

1998 Honda Accord EX Coupe

Â

L4-2254cc 2.3L SOHC (VTEC) MFI

Â

Â

Emissions/Engine Controls - MIL ON/DTC P1457 (EVAP)

Vehicle Powertrain Management Technical Service Bulletins Emissions/Engine Controls - MIL ON/DTC P1457 (EVAP)

EMISSIONS/ENGINE CONTROLS - MIL ON/DTC P1457 (EVAP)

03-001

January 28, 2003

Applies To:
See VEHICLES AFFECTED

MIL Comes On With DTC P1457: EVAP Bypass Solenoid Valve Failure

SYMPTOM

The MIL is on, and DTC P1457 [leak detected in EVAP control system (EVAP control canister system)] is set.

PROBABLE CAUSE

The EVAP bypass solenoid valve can fail due to corrosion. The solenoid valve may get water inside. If the water contains road salt, the solenoid windings could corrode, causing the valve to fail. In a few rare instances, the corrosion could be severe enough to cause an internal short in the solenoid valve, which could damage the ECM/PCM. If this happens, both the bypass solenoid valve and the ECM/PCM would need to be replaced.

Vehicles driven in the Northeastern part of the U.S. Are more likely to have this problem because of the salting of roads during the winter months. Vehicles driven where salt is not used on the roads are much less likely to have this problem.

VEHICLES AFFECTED

1998-02 Accord
1998-00 Civic
1998-01 CR-V
2000-02 Insight
1999-03 Odyssey
2003 Pilot
2000-03 S2000

CORRECTIVE ACTION

Test and, if necessary, replace the EVAP bypass solenoid valve. Replace the ECM/PCM if needed.

PARTS INFORMATION

Refer to the parts catalog for the appropriate part number and Honda code.

Open In New TabZoom/Print

WARRANTY CLAIM INFORMATION

In warranty:
The normal warranty applies.

Failed Part: EVAP Bypass Solenoid Valve: P/N 17012-S01-A00 H/C 5999016 ECM/PCM: P/N 37820-P2P-A12 H/C 6104426 Defect Code: 072 Contention Code: C01 Skill Level: Repair Technician

Out of warranty:
Any repair performed after warranty expiration may be eligible for goodwill consideration by the District Parts and Service Manager or your Zone Office. You must request consideration, and get a decision, before starting work.

REPAIR PROCEDURE

1.  Connect the PGM Tester to the 16P data link connector.

2.  Turn the ignition switch to ON (II). Turn on the PGM Tester.

3.  From the PROGRAM MENU screen, select HONDA SYSTEMS.

4.  From the SYSTEM SELECT screen, select 1: PGM-FI.

5.  From the TEST MODE MENU screen, select 6: INSPECTION.

6.  From the INSPECTION MENU screen, select 2: EVAP TEST.

7.  From the EVAP TEST MENU, select 1: SINGLE SOLENOIDS.

8.  From the SINGLE SOLENOIDS MENU, activate the EVAP bypass solenoid valve. Listen for a click and feel for a light tap from the solenoid valve as you activate it.

      If you can hear the solenoid valve click or feel it tap when activated, disregard this service bulletin, and look for other possible causes.

      If you cannot hear the solenoid valve click or feel it tap when activated, go to step 9.

9.  Replace the EVAP bypass solenoid valve (see section 11 of the appropriate service manual).

10. Test the new solenoid valve with the PGM Tester.

      If you can hear the solenoid valve click or feel it tap when activated, go to step 15 or 16 as appropriate.

      If you cannot hear the solenoid valve click or feel it tap when activated, go to step 11.

11. Check the wire harness and the connectors for damage.

      If you find any damage, repair it, then go to step 12.

      If you find no damage in the wire harness or connectors, go to step 13.

12. Test the solenoid valve again with the PGM Tester.

      If you can hear the solenoid valve click or feel it tap when activated, go to step 15 or 16 as appropriate.

      If you cannot hear the solenoid valve click or feel it tap when activated, go to step 13.

13. Replace the ECM/PCM (see section 11 of the appropriate service manual).

14. Use the PGM Tester to retest the solenoid valve.

      If you can hear the solenoid valve click or feel it tap when activated, go to step 15 or 16 as appropriate.

      If you still cannot hear the solenoid valve click or feel it tap when activated, continue with normal troubleshooting.

15. Insight only: Disconnect the PGM Tester, and return the vehicle to your customer.

16. All other affected models: Use the PGM Tester to run the EVAP system function test (see S/B 02-007, EVAP System Function Testing and Diagnostics With the PGM Tester).

      If the EVAP system passes the function test, disconnect the PGM Tester, and return the vehicle to your customer.

      If the EVAP system fails the function test, continue with normal troubleshooting.

Most likely the valve and PCM is faulty and it maybe covered under a goodwill warranty but you would need to call Honda to see if they will still cover it?
Was this
answer
helpful?
Yes
No
Sunday, September 15th, 2019 AT 11:32 PM

Please login or register to post a reply.