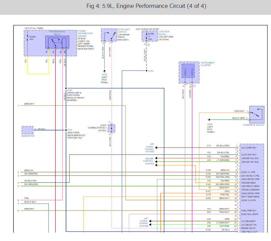
I was driving the truck and then the check engine light came on. Shut it off then it wouldn’t restart. I checked the fuse (it was good) and swapped the ASD relay with the wiper relay (both relays clicked when put in). It has both powers at the relay and has continuity on both power and ground side from the fuse box to the PCM (showed.3 ohms for both sides). Voltage is at 11.6v. It seems like the PCM has everything it needs but is still flagging a code and not letting it start. Could there be something I'm missing before replacing my PCM?
Wednesday, November 2nd, 2022 AT 2:56 AM


















