Friday, October 25th, 2019 AT 6:54 PM
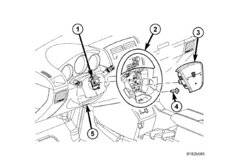
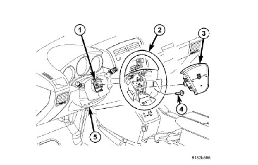
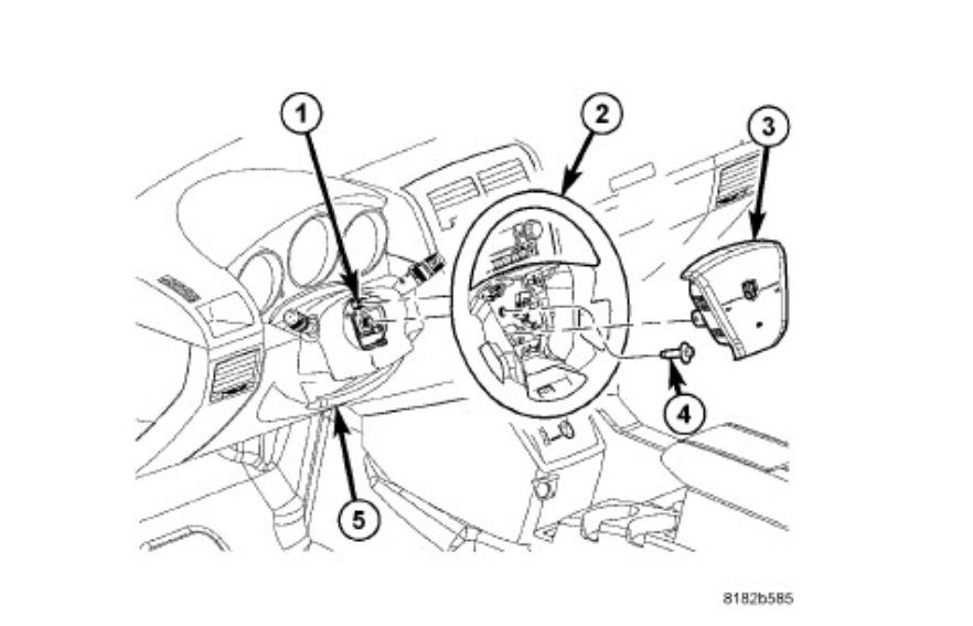
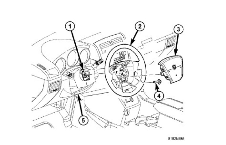
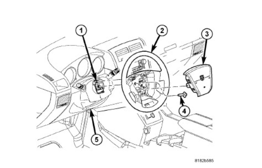
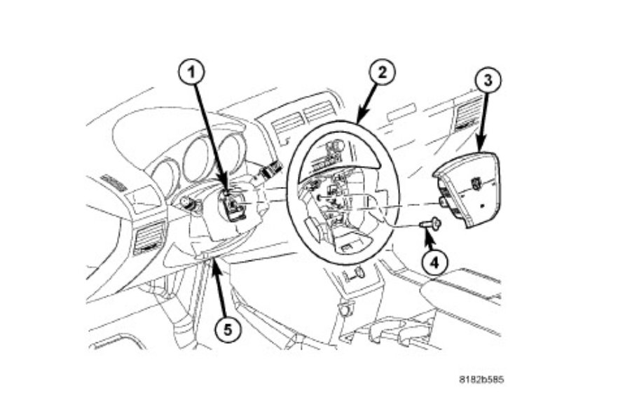
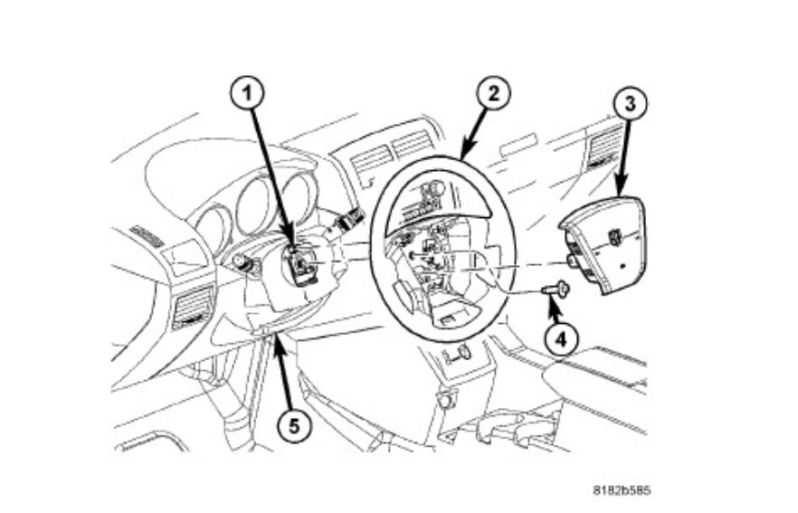
I have the vehicle listed above SE. Even though the car doesn't have cruise control (wasn't an option with this SE from the factory) I'm getting two codes p0581 and p0593 (speed control switch 1 and 2 circuit high). Those 2 codes have to do with the cruise control which my car doesn't even have! Now a secondary thing that's going on which may be a hint as to why I'm getting those codes, is that my airbag light comes off and on intermittently and shows I need to fix the clock spring. I heard a faulty clock spring could potentially set those 2 codes off. Now here's the 3rd and final part of all this all the most important one, when in driving then downshifting and coming to brake the rpm's will jump up a few hundred rpm at around 1,350 then again at 1,000 up to maybe 1,300. If I don't let go of the brake it'll only do the rpm jump a tab, if I don't brake hard it can even get stuck at 1000 for a couple seconds the jerk me forward and go back down to 1,000 rpm's. Can all these electrical codes be causing my rpm's so jump up while braking/downshifting? The cruise control does affect rpm, so if my car thinks there is a cruise control problem that's could cause it, but why only when downshifting? I went to a transmission guy and there are no codes and he thinks it's nothing to do with the transmission. Anyways, has anyone has any experience with this insanity? Thank you so much guys. Thanks again.







