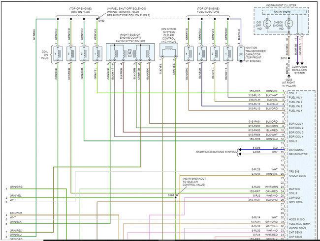
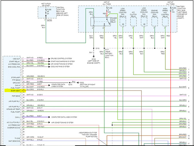
Need computer pinout for evap vent solenoid. Cannot turn off Check Engine Light. Replaced computer. Check Purge solenoid, vent solenoid Voltage at vent solenoid: 12v, Switched ground at vent solenoid: 0v. Repair shop gave up.
If I can get computer in connected to vent switched ground, I will be able to check its continuity.
Thanks
If I can get computer in connected to vent switched ground, I will be able to check its continuity.
Thanks
Mar 8, 2022 at 11:10 AM







