HOME
ASK A QUESTION
REPAIR GUIDES
BECOME A MEMBER
LOG IN
Login with Facebook
OR
Remember me
NOT A MEMBER?
FORGOT PASSWORD?
CONTACT US
PRIVACY POLICY
TERMS AND CONDITIONS
☰
Home
Toyota
Landcruiser
Trouble Codes
P Codes (Powertrain)
P0300 - P0399
P0340
Error Code: P0340?
PREV
1
2
NEXT
KEN L
MASTER CERTIFIED MECHANIC
54,137 POSTS
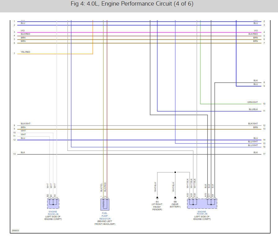
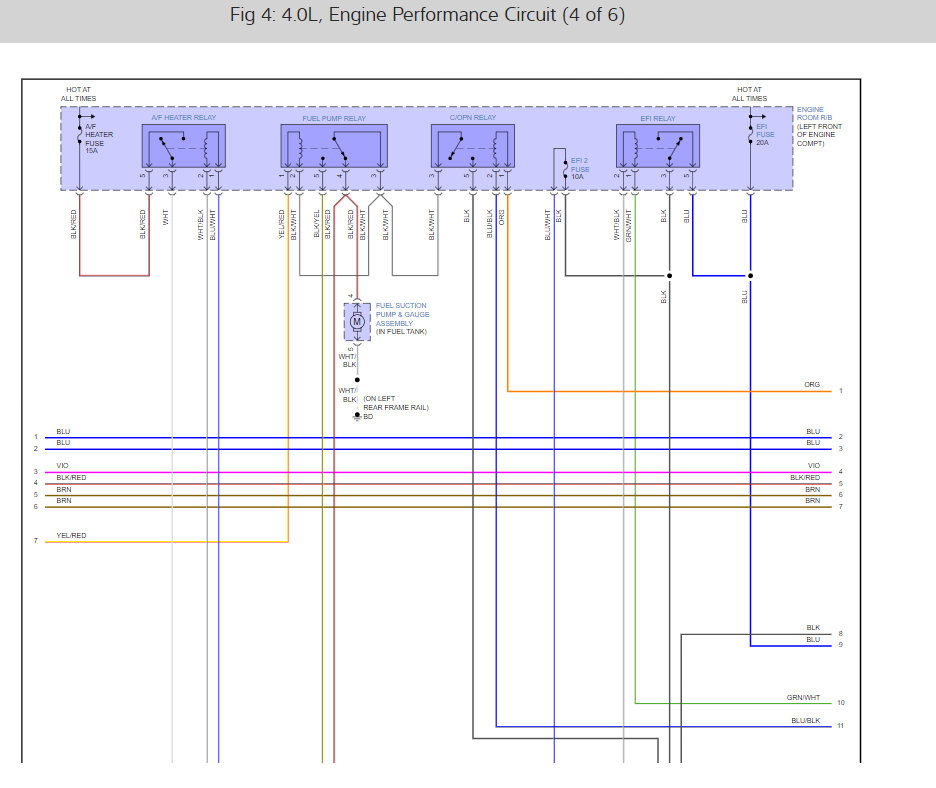
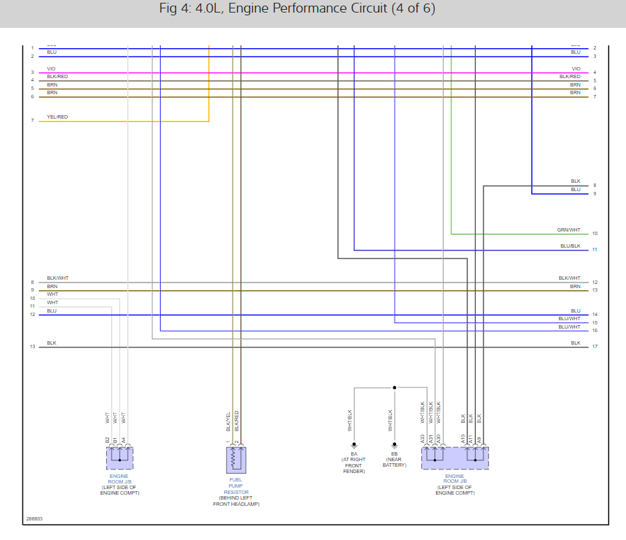
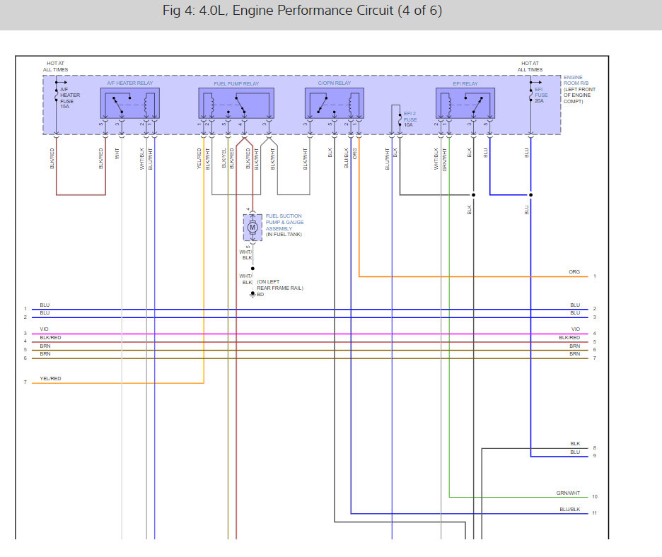
Here are the engine wiring diagrams for the Toyota Tacoma 2008 v6.
Images (Click to make bigger)
Was this
answer
helpful?
Yes
No
+1
Monday, September 12th, 2022 AT 3:56 PM
PREV
1
2
NEXT
Please
login
or
register
to post a reply.
Ask a Car Question. It's Free!
What to Do When a Check Engine Light?
Topdon OBD2 Scanner Review - This thing rocks
How to Read Trouble Codes