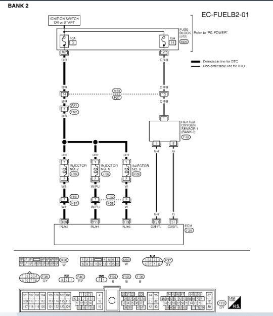
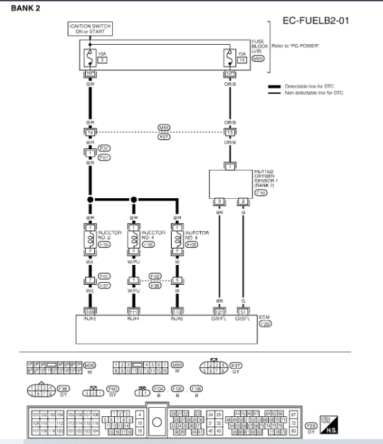
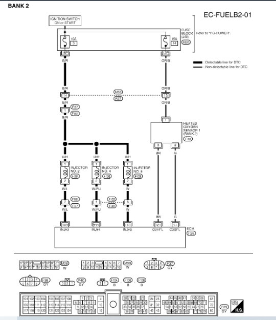
We have a P0174 code, Lean Bank 2. We also have a P0158, downstream O2 sensor, bank 2, remaining a high voltage too long.
My question is, can this incorrect operating O2 sensor cause or at least contribute to the P0174, both are found on bank 2?
Another related question. It is my understanding that the downstream O2 sensor only monitors and reports to ECM the efficiency of the catalytic converter and the upstream O2 sensor reports fuel/air ratio to ECM for adjustment/correction. Is this correct or in our case is the defective downstream sensor affecting our fuel/air ratio?
Thank you in advance for your reply. You have always been most helpful in the past.
Friday, August 4th, 2023 AT 10:03 AM

