Vehicle listed above is a Ram 2500 Power Wagon 5.7 hemi (auto) with 118,000 on the clock.
The code came on last December, I cleared it a few times just by unhooking the batteries but it always came back. Once it warmed up a bit in March I climbed under and started this ****show:
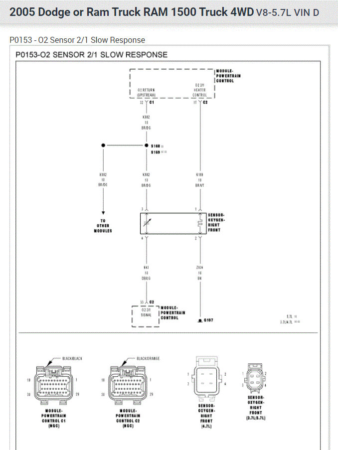
March: replaced both forward O2 sensors.
Code came back.
March: later I replaced same O2 sensors under warranty.
code came back.
April: replaced all 4 O2 sensors.
code came back.
April: put on some MIL eliminators to see if I could fool the computer to not read the code.
code came back.
removed those eliminators.
brought the truck to Shop #1.
May: shop replaced the O2 sensors with OEM sensors and sealed a "small" leak
code came back.
May: shop said they think the mid-pipe needed to be replaced because there was a rattle in the catalytic converters.
replaced mid pipe and catalytic converters.
code came back.
brought to the local dealer.
June: dealer service said they don't weld and the only thing they could do is replace the entire exhaust system from manifolds to tail pipe and quoted me $6,500.00 (i declined).
brought the truck to Shop #3.
July: they wanted a baseline, replaced the forward O2 sensors again with OEM's
code came back within 144 miles of driving.
July: they re-flashed the computer with a stock program (i had a stock program on it already).
code came back within 56 miles.
July: They replaced the exhaust manifold and gaskets on the effected side; they had to pull the head because several of the bolts were bad and send to a machine shop
(manifold was cracked and 3 of the 4 ports were very burnt).
code came back within 23 miles.
August: just reset the computer with the old unhooking the batteries trick again.
code came back within 41 miles.
August: shop #3 replace the computer with a new one and a fresh stock tune.
Shop drove it 60 miles.
I drove it 243 miles (mostly highway).
code came back.
unhooked the battery again and drove 23 miles (all city). Code came back.
Unhooked the battery and drove 260 miles miles (mostly highway).
Code came back.
Shop #3 said they are out of ideas, but I am getting disheartened and pissed at myself for wasting all this money so far.
What am I missing here?
Thursday, September 2nd, 2021 AT 4:49 AM







